Hi and thanks for using 2CarPros.com.
I have attached the directions specific to your vehicle for you to review. All attached pictures correlate with these directions and check this video out.
https://youtu.be/lUotkKXG9dY
_______________________________________
Brake Pressure Modulator Valve (BPMV) Replacement (w/o JL4)
Removal Procedure
Important: The area around the electric hydraulic control unit (EHCU) MUST be free from loose dirt to prevent contamination of disassembled ABS components.
1. Thoroughly wash all contaminants from around the EHCU.
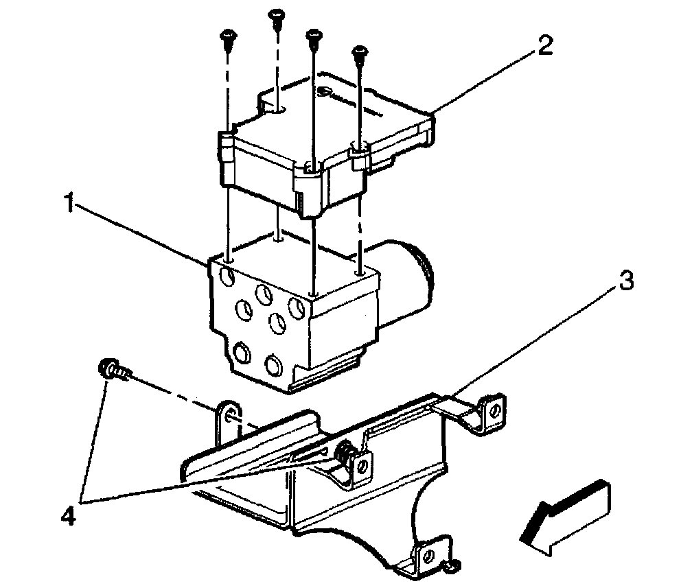
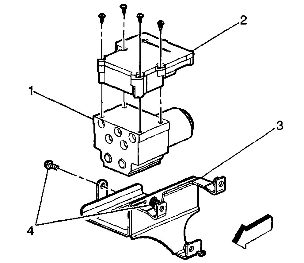
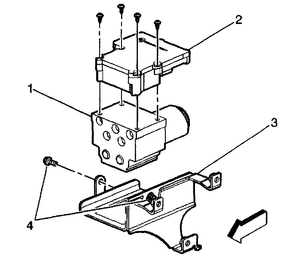
2. Disconnect the 3 electrical harness connectors from the electronic brake control module (EBCM) (1).
Important: Make sure that brake lines are tagged and kept in order for proper reassembly.
3. Disconnect the brake lines from the brake pressure modulator valve (BPMV) (2).
4. Remove the bolts (4) securing the EHCU mounting bracket (3) to the frame rail (5).
5. Remove the EHCU from the vehicle.
6. Remove the bolts (4) securing the BPMV (1) to the EHCU mounting bracket (3).
7. Disconnect the 2 way ABS pump motor connector.
8. Remove the 4 T-25 TORX bolts from the EBCM (2).
9. Remove the EBCM (2) from the BPMV (1). Removal may require a light amount of force.
Important: Do not reuse the EBCM mounting bolts. Always install new bolts.
10. Clean the EBCM to BPMV mounting surfaces with a clean cloth.
Installation Procedure
Important: Do not use RTV or any other type of sealant on the EBCM gasket or mating surfaces.
1. Install the EBCM (2) onto BPMV (1).
Notice: Refer to Fastener Notice in Service Precautions.
2. Install the four EBCM bolts.
Important: Do not reuse the old mounting bolts. Always install new EBCM bolts with the new BPMV.
Tighten the 4 bolts to 5 Nm (39 inch lbs.) in an X-pattern.
3. Connect the 2 way ABS pump motor connector to the EBCM.
4. Install the BPMV (1) to EHCU bracket (3).
5. Install the BPMV (1) to bracket retaining bolts (4).
Tighten the bolts to 9 Nm (7 ft. lbs.).
6. Install the EHCU to the vehicle frame (5).
Tighten the three EHCU bracket bolts (4) to 25 Nm (18 ft. lbs.).
7. Connect the 2 electrical harness connectors to the EBCM (1).
Important: The brake pipes are held in place by a plastic bracket mounted to the frame. Make sure that the brake pipes stay in the correct place for proper reassembly.
8. Install the 5 brake pipes to the BPMV (6).
Tighten the brake pipe fittings to 25 Nm (18 ft. lbs.).
9. Bleed the brake system.
10. Bleed the brake system.
________________________________________________
Let me know if this helps or if you have other questions.
Take care,
Joe
Images (Click to enlarge)
Mar 15, 2021 at 11:13 AM