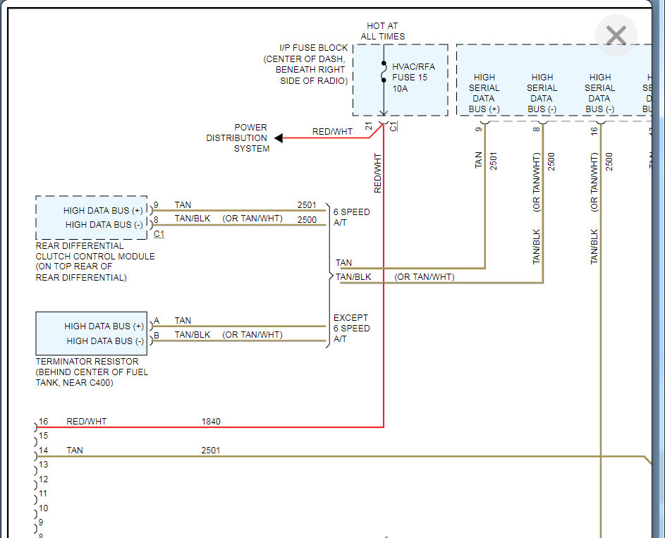
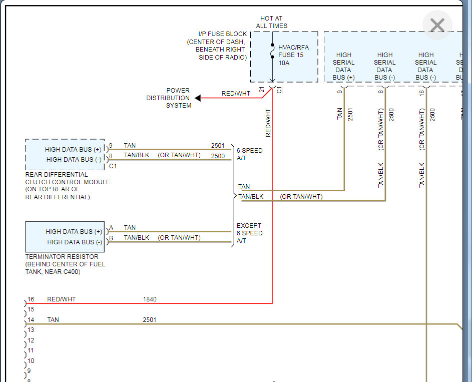
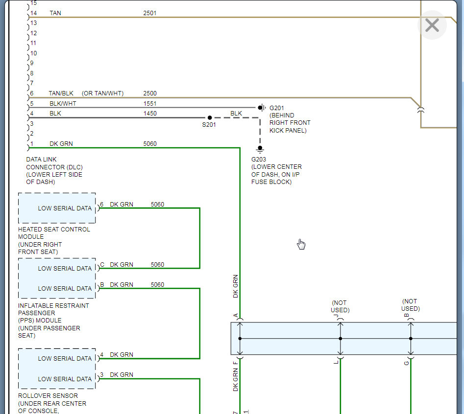
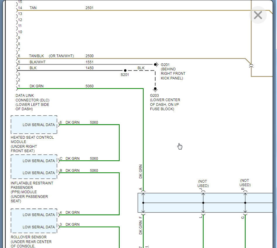
Okay, I really see some smart ones here. well, I too am a mechanic and really stumped over this. I bought a new Foxwell ob code reader a np64 elite to be exact, well into the test, and the test was only to see how the meter worked. No codes at test time, i plugged in tester, tried to auto VIN, it did not. so went manually, it was going thru diagnostics and then the dash lights as well as the headlights flickered then all went out, the car went out. nothing, even had to jump it after this, now after starting it back up is when these lights appeared as i said above, never had them before! no the tester said it could not find the computer re-plug in, i did so many times same results! I called or emailed Foxwell, they said "no way this could have happened". the meter is a read only instrument, so I got no where, so now desperate to fix it, I looked into a meter that would do this car and it was now an Autel, so i got it plugged in and same thing, it could not find the computer? So i went in and put car in manually, it started to run test then when about done would abort, and say it didn't have communication to computer, I called them they said "no way it has to work", send us a video, which I did so, they came back few days latter said "oh, this unit does not do your car specific"!
Now I go to a dealership where I have a friend, he has a $5,000.00 reader, it would not communicate with car? Now I take it to a bigger shop which has newest hand held readers, and it to would not communicate, he said oh it's a 2007 too old. so now I go to another friend that has the newest Snap On, he hooks up and no communication, but does a read manually and found 4 codes not ABS related and did erase them. so, yes, he could read that way. Now I today much desperate go get another specific ABS reader a Zurich zr11, it was updated and still no communications. Please help me
Now I go to a dealership where I have a friend, he has a $5,000.00 reader, it would not communicate with car? Now I take it to a bigger shop which has newest hand held readers, and it to would not communicate, he said oh it's a 2007 too old. so now I go to another friend that has the newest Snap On, he hooks up and no communication, but does a read manually and found 4 codes not ABS related and did erase them. so, yes, he could read that way. Now I today much desperate go get another specific ABS reader a Zurich zr11, it was updated and still no communications. Please help me
Dec 19, 2020 at 2:12 PM












