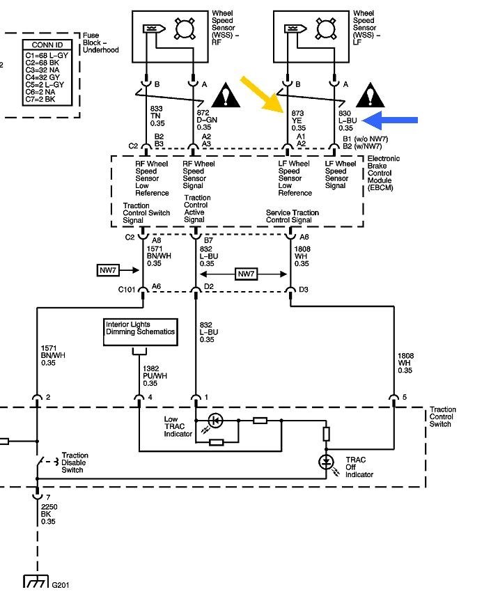
I'm confused by "clean sheet of metal". Where the sensor develops this problem of "false activation" is with those that are bolted to the wheel bearing assembly. If you have the style that is a large 2 1/2" or 3"-diameter ring pressed onto the back of the bearing, that is different and not related to this problem. Your vehicle uses the one that develops this problem, as shown in the photo.
Any time you want to generate current in a generator, or a signal voltage with a sensor, you need three things. You need a wire, (coil of wire is much more efficient), a magnet, or electromagnet, and most importantly, movement between them. That's why generators need to be spun. As far as wheel speed sensors, your sensor has the magnet built in, and the coil of wire wound around it. The last thing is the wheel has to be rotating, and the faster it does that, the higher the voltage will be of the signal it develops. On the other hand, the slower the wheel rotates, the lower will be the signal voltage. The movement in this case is the magnetic field is disturbed, or moved, as a tooth on the tone ring moves past the magnet.
At 0 mph there will be no signal voltage developed. Most manufacturers program their Anti-lock Brake Computers to stop operating below about 3 - 15 mph, specifically to prevent this false activation. GM's wheel speed sensors are well-known to develop real weak signals to start with, then, anything that causes that signal to become weaker will lead to false activation, meaning the computer modulates brake pressure to the wheel it thinks has locked up, when it really hasn't. The wheel speed signal gets weaker and weaker as speed slows down, until it becomes too weak for the computer to be able to read it. That's why it falsely thinks the wheel has locked up.
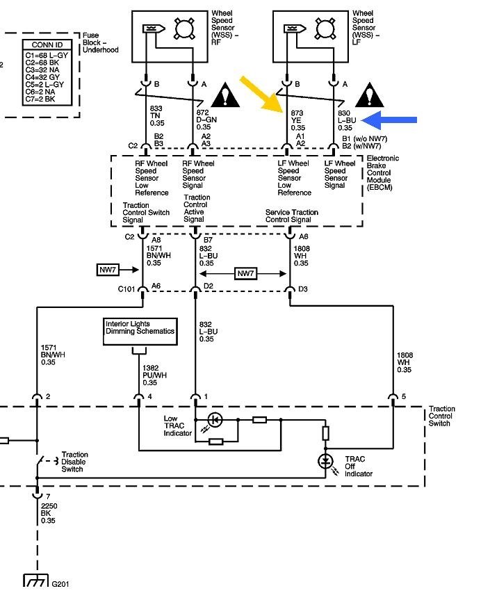
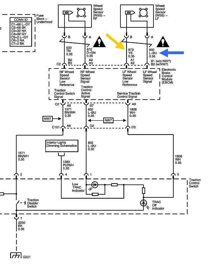
The rust that builds up under these sensors is in the area of my nifty blue arrow. The rust pushes the sensor away from the toothed tone ring inside the bearing assembly. If that is what you cleaned already, can I assume you looked at the sensor and the mounting pad on the bearing? The next thing, which is often overlooked, is rust or metal filings on the tip of the sensor's magnet. My red arrow is pointing to that. The magnet needs to be clean, but be careful to not use a file or coarse sandpaper. Those will remove part of the end of the magnet and make the air gap bigger. That moves the magnetic field away from the toothed ring that is intended to disturb that field as the teeth pass by it.
If you suspect the magnet may have already been cleaned in a way that increased the air gap, consider shaving off 1/32" of the plastic housing so the sensor will sit in the hole a little deeper. 1/32" will make a big difference in the strength of the signal.
Aug 23, 2019 at 5:14 PM