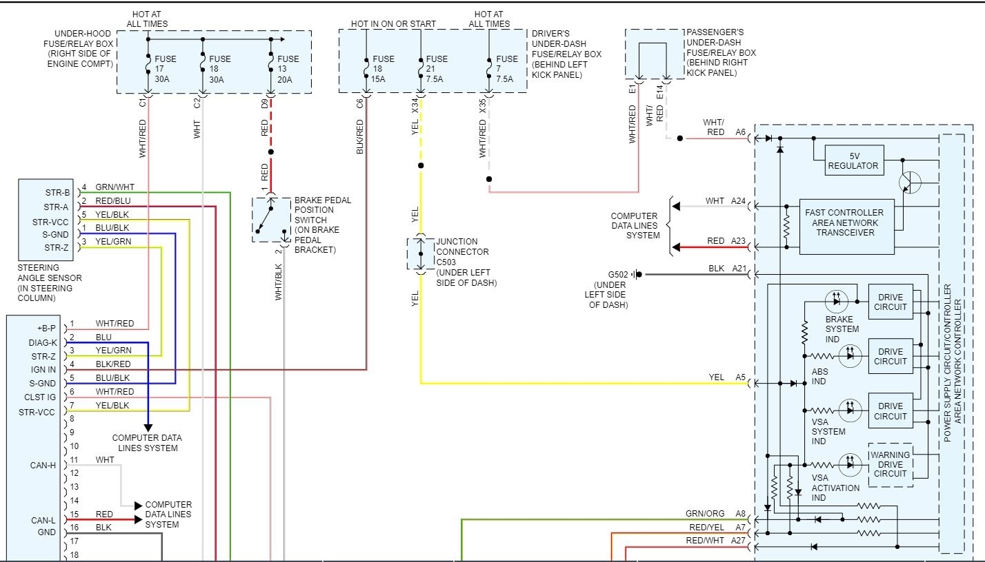
Rear ABS harness left side have power, but right side no power. Where should I check? the fuse looks good. Do they have relay on ABS system?
Mar 12, 2022 at 5:09 AM
Advertisement
ASEMASTER6371
CERTIFIED EXPERT
52,796 POSTS
Good morning,
I attached the wiring diagram for you to view. You need to test the wire for voltage coming out of the module to determine if it is a wiring issue or a module issue.