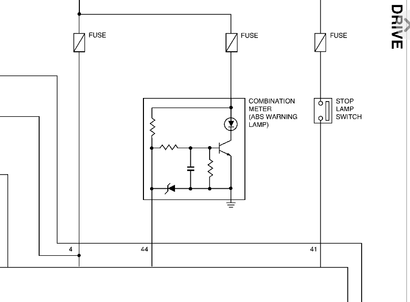
Checked resistance values at both connectors and main plug where it installs in module, resistance reads 960 ohms. I checked for shorted wire none, both left and right sides front read the same. I tried spinning the wheel but I could not get it to go fast enough. Any help would be appreciated. Thank you
Feb 21, 2018 at 9:56 AM

