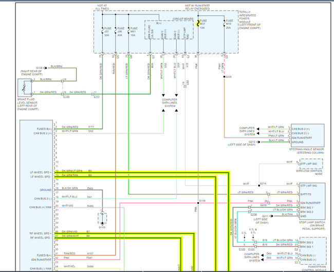
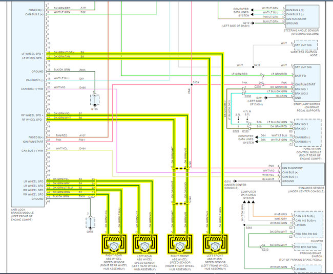
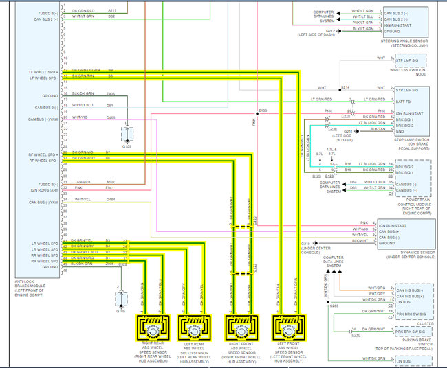
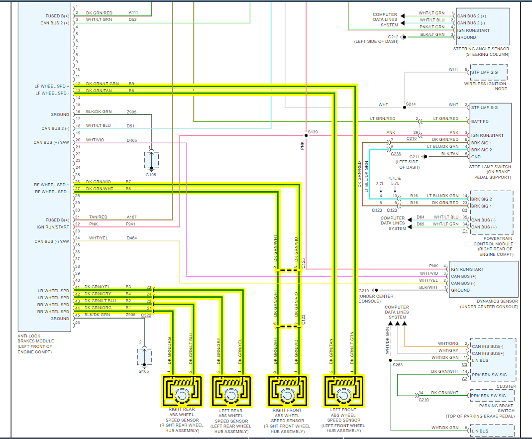
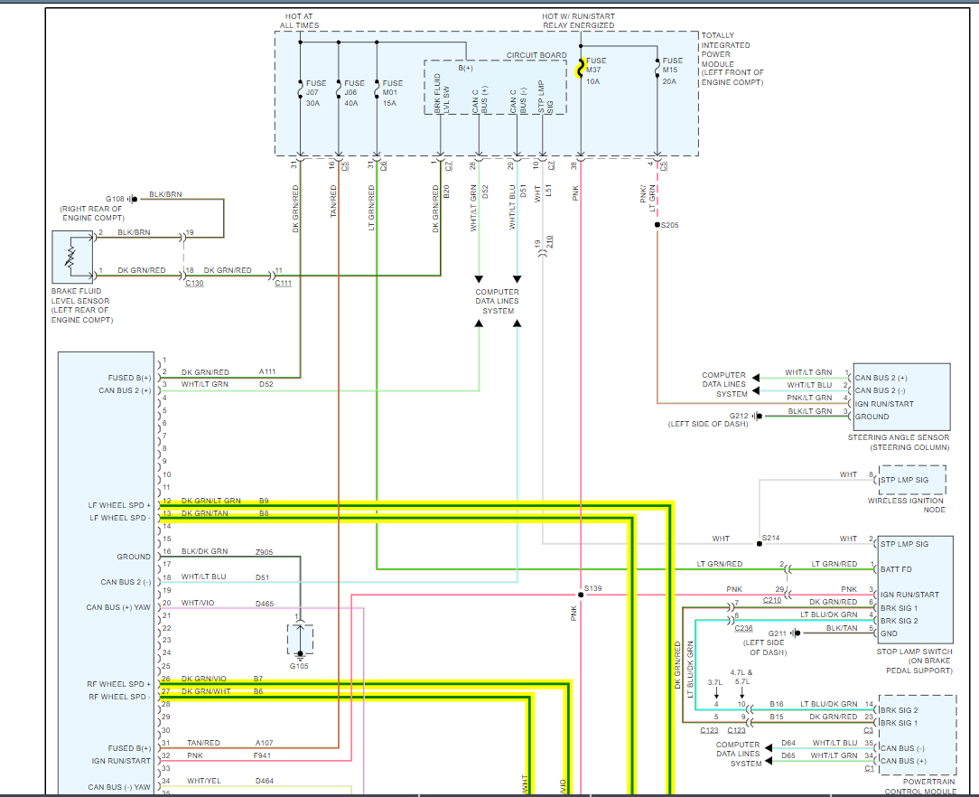
Replaced the wheel speed sensor twice, replaced the wheel hub assembly twice, replaced the computer module and had the wiring repaired and the lights come on and off intermittently. I am at a loss. Help!
Oct 16, 2021 at 5:46 AM



