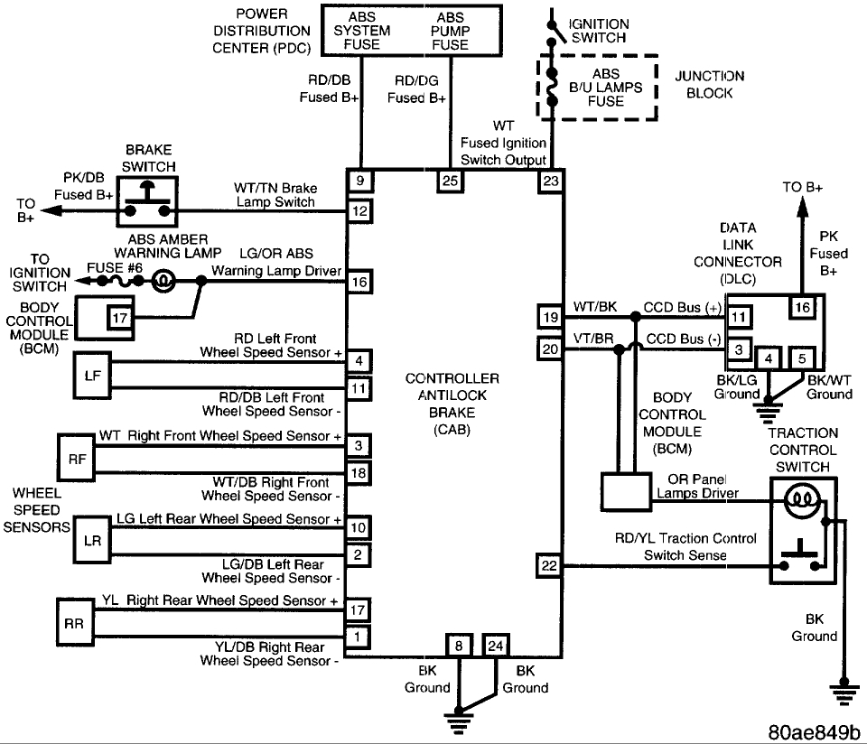
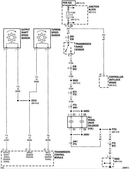
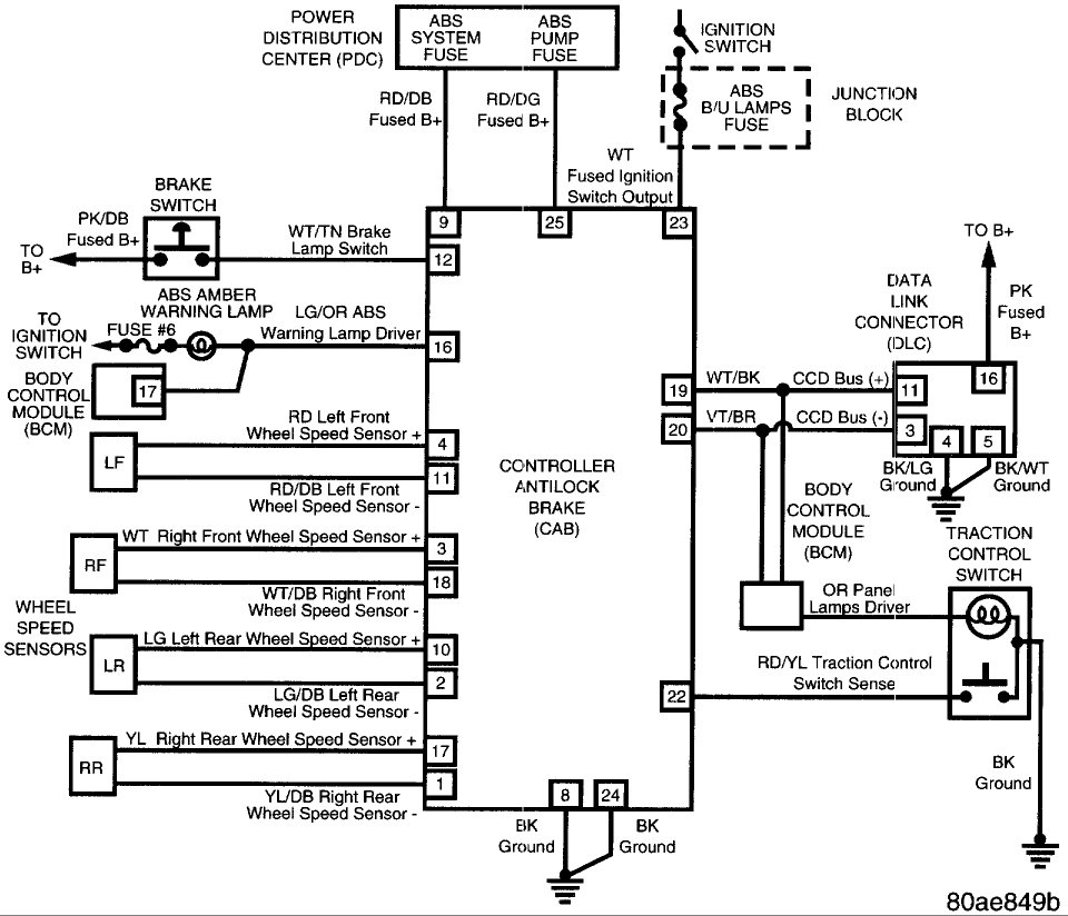
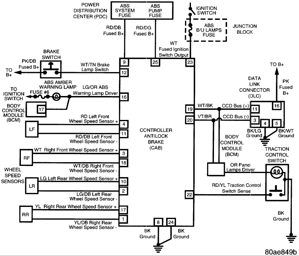
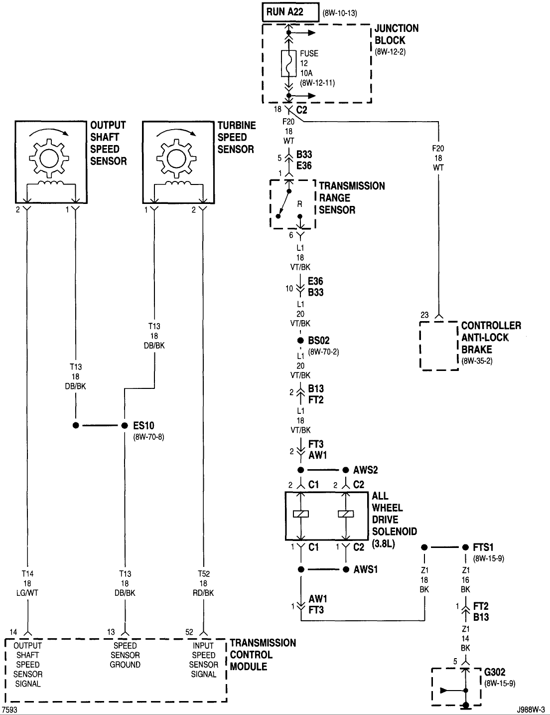
Most likely it is a bad speed sensor or wiring to it. The ABS unit uses sensors at each wheel to tell when a particular tire is locked or close to locking and activate the system. It also uses a speed signal from the body control module to verify the speeds it gets from those four sensors. If that signal goes away you get the ABS light coming on and the speedometer stops working. That signal comes from the output shaft speed sensor.
If you can get it scanned with a tool that can read the ABS system it will point you toward the issue and may give better clues if it is the sensor itself or the wiring. The sensor is nothing more than a coil of wire and a magnet, as the output shaft rotates it moves a tone wheel that looks like a bike chain sprocket. As the teeth pass the sensor they change the magnetic field and it generates a voltage and frequency.
Those are very small signals so it does not take much to make them stop. A bad connection or bad ground will do it.
Images (Click to enlarge)
Dec 15, 2017 at 10:32 PM