ABS light on with codes C0225 and C0221?

2001 CHEVROLET BLAZER
200,000 MILES • 4.3L • 6 CYL • 2WD • AUTOMATIC
Avatar
DANIEL KELLER
  • MEMBER
  • 7 POSTS
ABS and brake lights are on. First started with no communication to ABS module, reflowed the solder and got communication with error codes for both front wheel speed sensors open circuit. Change ABS module still has same error codes.

C0225 left front wheel speed sensor circuit open
C0221 right front wheel speed sensor circuit open

Looking for wiring diagram and connector pinout. I should have added that when I clear the codes, they come right back without driving the vehicle.
Mar 23, 2025 at 1:02 PM
Advertisement
Avatar
DANIEL KELLER
  • MEMBER
  • 7 POSTS
I should have added that when I clear the codes, they come right back without driving the vehicle.
Mar 23, 2025 at 2:17 PM
Avatar
STRAILER
  • CERTIFIED EXPERT
  • 53,854 POSTS
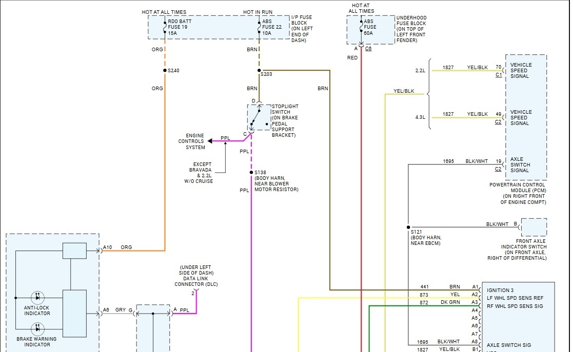
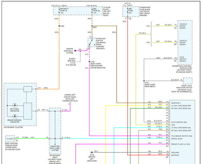
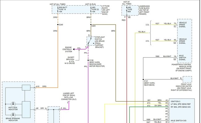
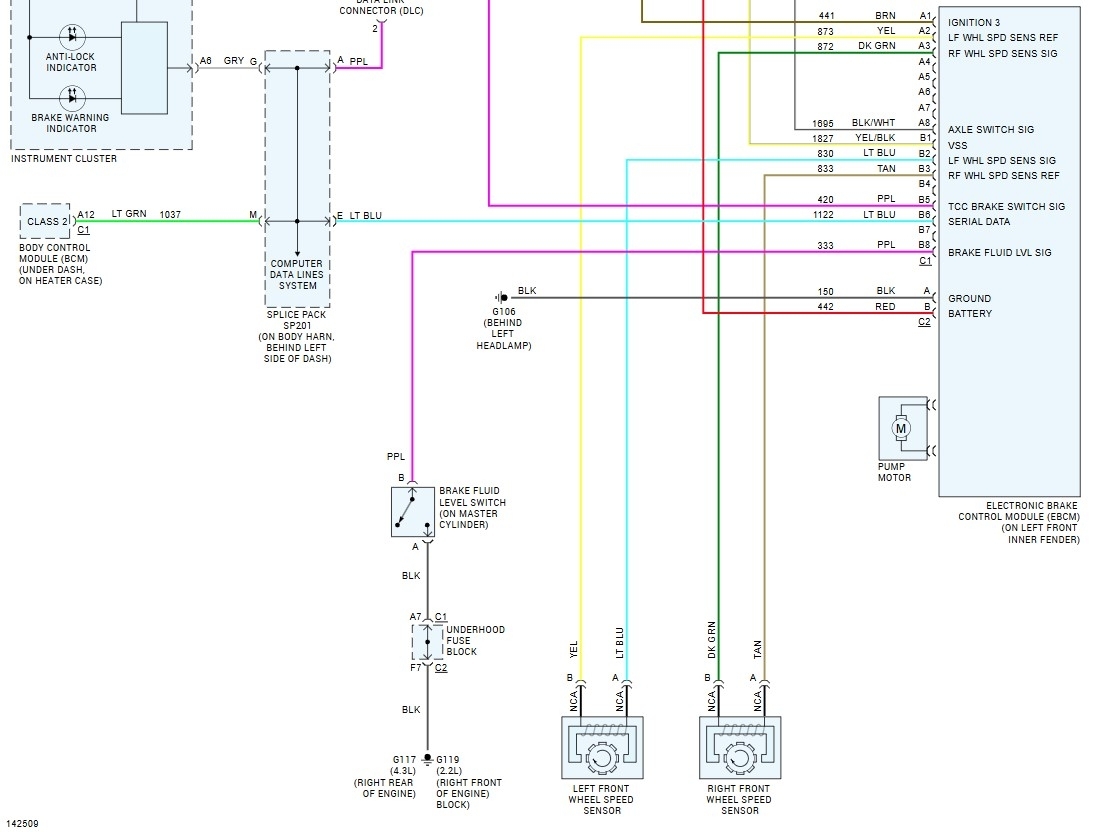
Yep, that sounds like a wiring issue, but I have seen bad wheel bearings cause this issue as well. So, if the wiring is good check the bearings out, also make sure there is a reluctor wheel on the rotors as well.

This guide can help you with the testing:

https://www.2carpros.com/articles/how-to-check-wiring

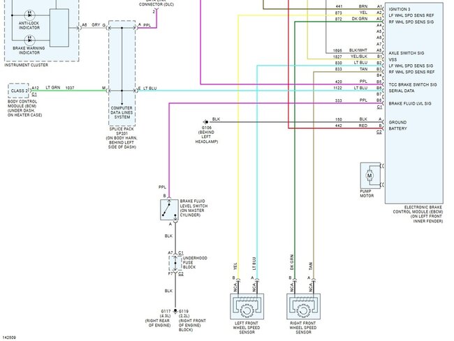
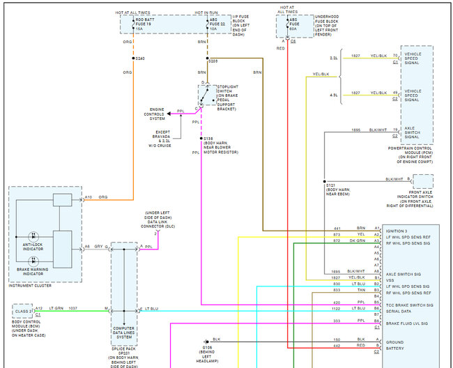
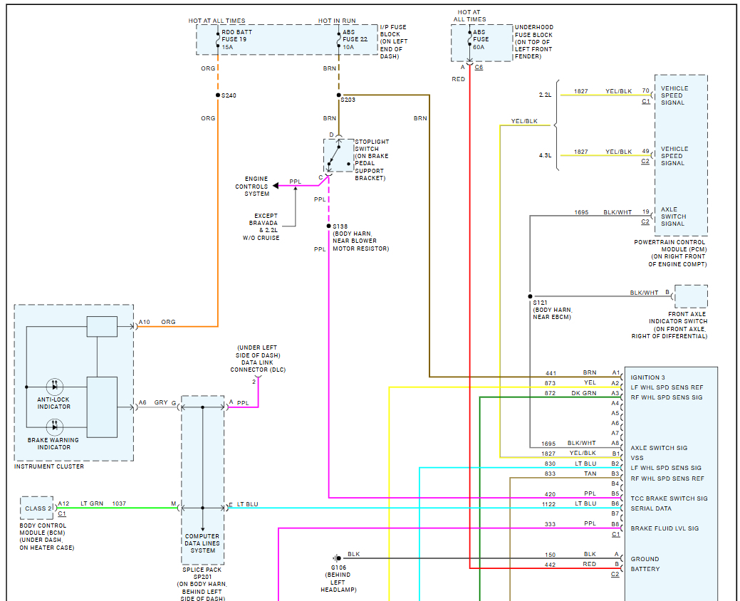
Check out the images (below). Let us know how it goes.
Mar 23, 2025 at 4:48 PM
Advertisement
Avatar
STEVE W.
  • CERTIFIED EXPERT
  • 15,113 POSTS
That sounds like a hard fault in the system. You can test the harness at the C1 connector on the EBCM Pins A2 and B2 are the left and A3 and B3 are the right. Basically you are looking for continuity through them. If you have access to an O-Scope you can also connect it to those pins and spin the correct wheel and see a sine wave if the sensors are okay.
Mar 23, 2025 at 4:59 PM
Avatar
DANIEL KELLER
  • MEMBER
  • 7 POSTS
Thanks for the help, problem solved. Pinout of connector helped prove no open/short in wiring harness. Replaced ABS module.
Mar 28, 2025 at 5:07 AM
Avatar
STRAILER
  • CERTIFIED EXPERT
  • 53,854 POSTS
Glad you could get it fixed, thanks for letting us know. Please use 2CarPros anytime we are here to help.
Mar 28, 2025 at 10:07 AM