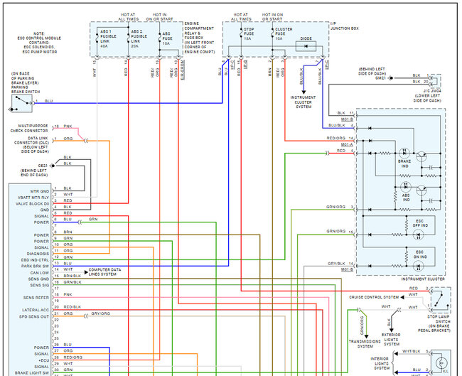
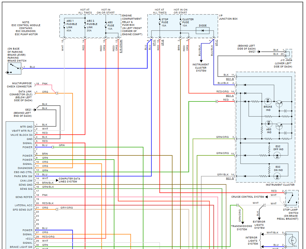
Scan tool reads C1237 and C1513. I just replaced the ABS wheel speed sensor (right rear) based on my chat gpt recommendation and cleared codes with my scan tool. ABS and ESC Off lights came back on. What should I do next? BTW, the lights aren't always on when I start the vehicle, but they both come on after about a hundred yards usually at the same time if that matters. There is little difference in how it drives after the lights come on. I haven't driven high speeds but at 25-35 MPH, I have had no issues with braking.
Jul 22, 2025 at 7:04 PM



