Code C0265, ABS?

2004 CHEVROLET SUBURBAN
187,118 MILES • 5.3L • V8 • 2WD • AUTOMATIC
Avatar
MTRDUDES
  • MEMBER
  • 40 POSTS
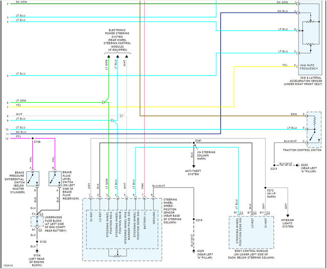
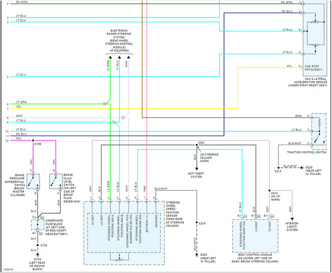
I have an ABS code C0265 / EBCM motor relay circuit code on my vehicle listed above, VIN #1GNEC16Z74J213169. Is it possible to get a circuit schematic from here regarding that code?
Nov 26, 2024 at 12:07 PM
Advertisement
Avatar
STRAILER
  • CERTIFIED EXPERT
  • 53,854 POSTS
The ABS code C0265 indicates an issue with the Electronic Brake Control Module (EBCM) Relay Circuit which is common when the ABS module goes out. Here is how to fix it by replacing the unit:

https://www.youtube.com/watch?v=lUotkKXG9dY&t

Here are the ABS wiring diagrams as requested. Check out the images (below). Let us know if you need anything else.
Nov 26, 2024 at 4:48 PM