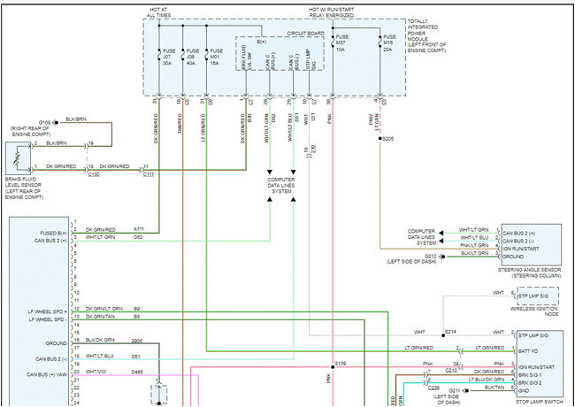
Require a ABS cable diagram for the truck listed above.
My truck has a "Four wheels service" warning, and a ABS waning in the same time.
use a ODBII scan the code related this part:
C1020 Left Wheel Speed Sensor Circuit
C102A Left Rear Wheel Speed Comparative Performance
U0415 Implausible Data Received from ABS
U417 Implausible Left Wheel Distance Signal Received
I removed the previous ABS speed Sensor, and change a new one there, but problem is still there. I measured the cable when the start key switch to on, the right rear side ABS cable has a 12v voltage between the green/white cable, but nothing in the left rear side cable terminal, the white cable in the left side has hundreds ohm to ground body, but the green cable no voltage with the ground.
I check the cable interface, it looks this car has repaired this part before, the cable is fixed specially,
Hope know this green cable connect to where?
The ABS module or ECU module?
In which number interface?
It's not easy to find the break point, but it maybe offer a signal cable is maybe easy.
Thank you for any suggestion!
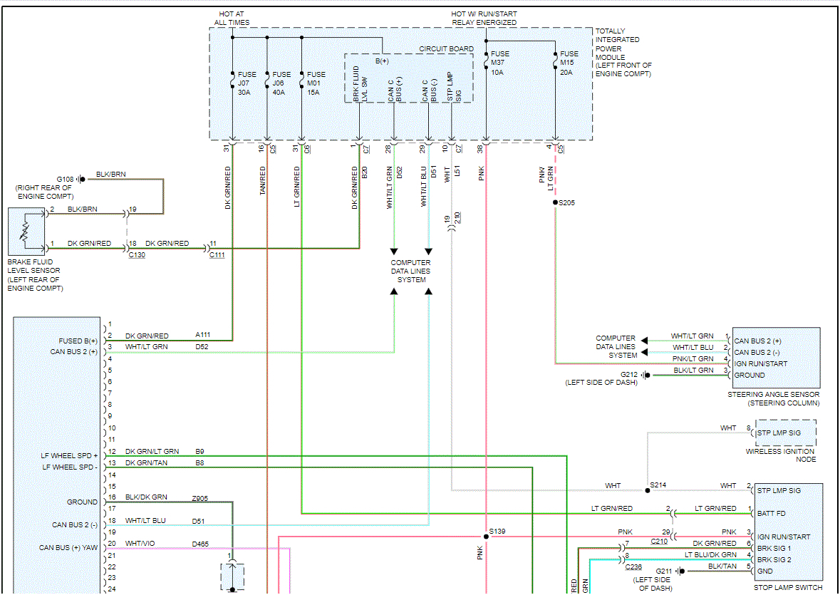
My truck has a "Four wheels service" warning, and a ABS waning in the same time.
use a ODBII scan the code related this part:
C1020 Left Wheel Speed Sensor Circuit
C102A Left Rear Wheel Speed Comparative Performance
U0415 Implausible Data Received from ABS
U417 Implausible Left Wheel Distance Signal Received
I removed the previous ABS speed Sensor, and change a new one there, but problem is still there. I measured the cable when the start key switch to on, the right rear side ABS cable has a 12v voltage between the green/white cable, but nothing in the left rear side cable terminal, the white cable in the left side has hundreds ohm to ground body, but the green cable no voltage with the ground.
I check the cable interface, it looks this car has repaired this part before, the cable is fixed specially,
Hope know this green cable connect to where?
The ABS module or ECU module?
In which number interface?
It's not easy to find the break point, but it maybe offer a signal cable is maybe easy.
Thank you for any suggestion!
Mar 20, 2021 at 4:02 PM















