ABS light is on

2009 GMC CANYON
200,000 MILES • 3.7L
Avatar
ROGER19506969
  • MEMBER
  • 3 POSTS
Driver side wheel locks up.
Jan 9, 2020 at 2:10 PM
Advertisement
Avatar
ASEMASTER6371
  • CERTIFIED EXPERT
  • 52,796 POSTS
Good afternoon,

The ABS is a separate system from the regular braking system.

If the light is on, I need the fault code stored.

As far as the wheel locking up, I would check the caliper and the brake hose to make sure the caliper is staying applied after you brake.

https://www.2carpros.com/articles/brake-caliper-replacement

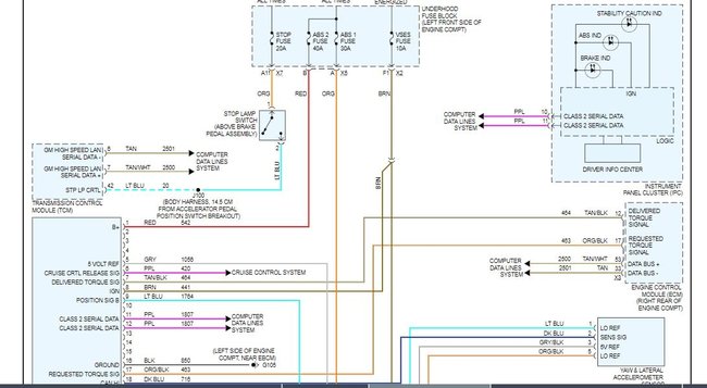
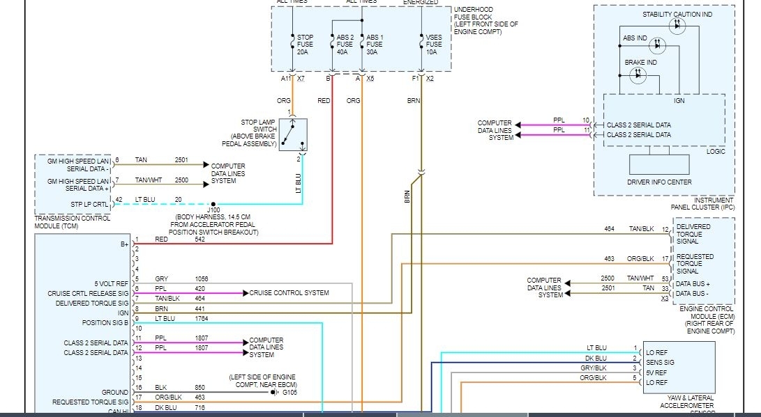
I attached a description, diagram and the brake hose below for you to view.


Roy
Jan 9, 2020 at 2:46 PM
Avatar
ROGER19506969
  • MEMBER
  • 3 POSTS
The wheel starts grabbing while the truck is moving without touching the brake.
Jan 10, 2020 at 7:41 AM
Advertisement
Avatar
ASEMASTER6371
  • CERTIFIED EXPERT
  • 52,796 POSTS
I know. I read that before.

You need to check or have someone check the items I posted for the failure.

Roy
Jan 10, 2020 at 7:47 AM
Avatar
ROGER19506969
  • MEMBER
  • 3 POSTS
Thank you. I am checking today.
Jan 10, 2020 at 8:42 AM
Avatar
ASEMASTER6371
  • CERTIFIED EXPERT
  • 52,796 POSTS
You are welcome.

Always glad to help.

Roy
Jan 10, 2020 at 8:50 AM