The last 2-3 MPH, before a stop ABS kicks in?

2002 TOYOTA CAMRY
150,000 MILES • 2.4L • 4 CYL • 2WD • AUTOMATIC
Avatar
02TOYOCAM
  • MEMBER
  • 1 POST
Replaced right rear wheel bearing with ABS sensor. Thought it would fix it because female electrical connection was rotted. Did not. My mechanic hooked up his analyzer and its reading open circuit right rear, the bearing I replaced. I checked bearing for voltage. It's working, checked wire for continuity, its fine. Is there an ABS anti-skid module for this car? Looked under dash and didn't see one. Shows one online in pics...
Aug 18, 2022 at 5:09 AM
Advertisement
Avatar
STRAILER
  • CERTIFIED EXPERT
  • 53,854 POSTS
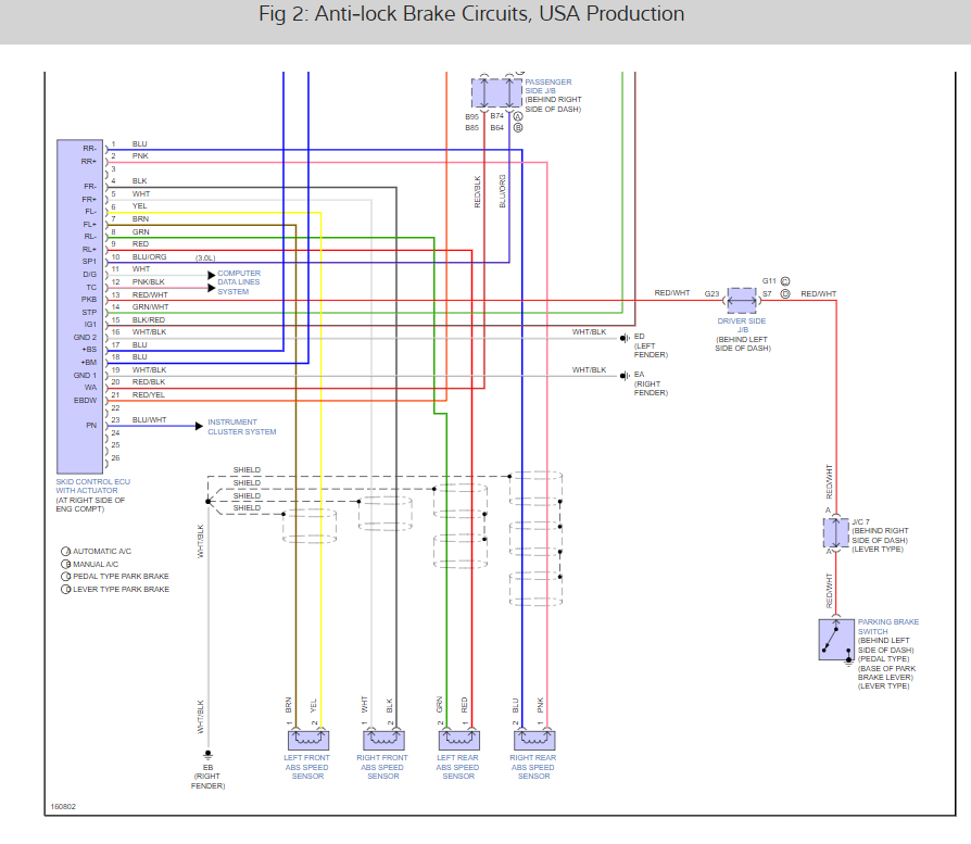
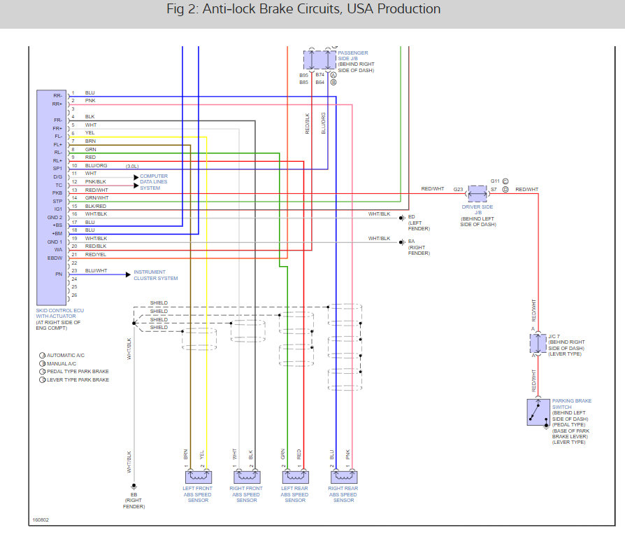
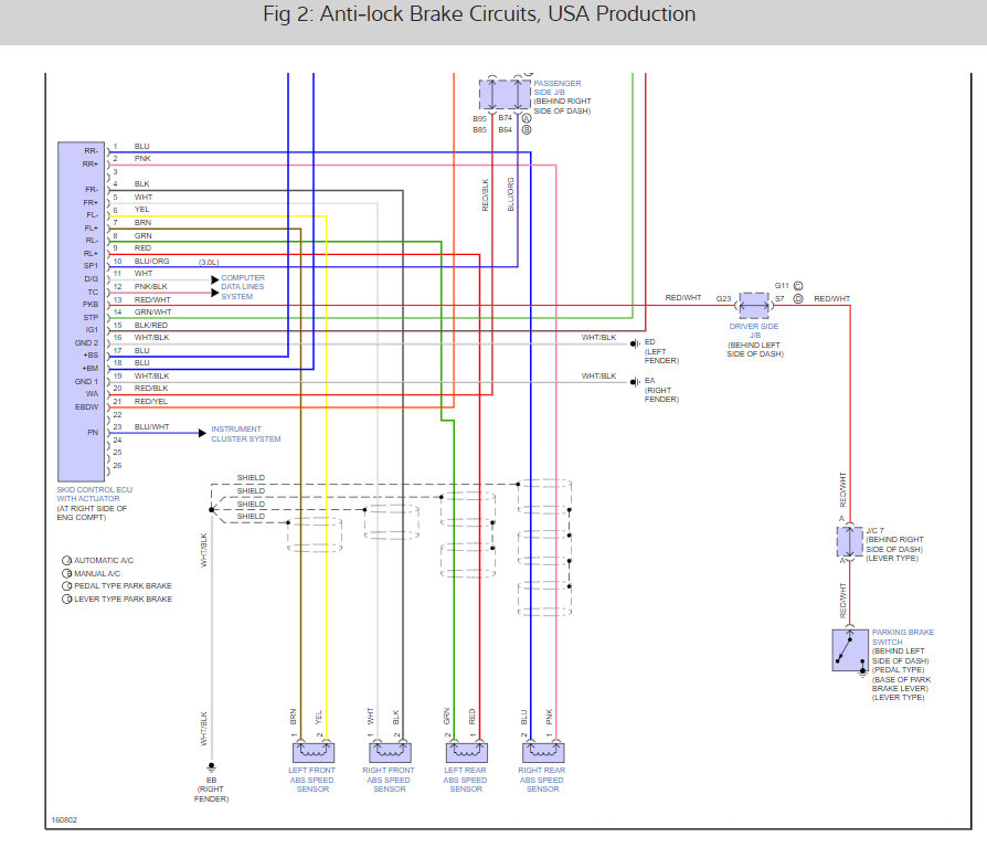
This is usually a problem with the front bearing hubs, the bearing gets off a little and the sensor is not aligned to the reluctor wheel, so the system thinks the wheel has stopped. Here is a guide to help you test the connections and the ABS system wiring diagrams so you can see which wires to test:

https://www.2carpros.com/articles/how-to-check-wiring

This video can help with the front hub bearings:

https://youtu.be/_FzmmBoa4Tg

Also, I have included how to change out the front bearing hubs and the ABS skid controller. Check out the diagrams (below). Let us know what happens and please upload pictures or videos of the problem.
Aug 18, 2022 at 11:43 AM