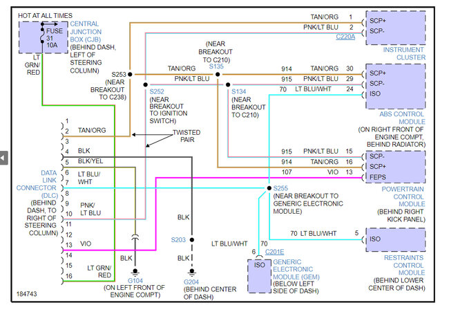
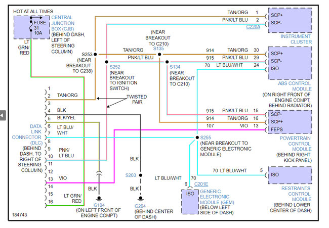
I have the car listed above 40th anniversary, I need the wiring diagram for the BCM/dash harness for the 2004 and a 2003 GT dash harness. It won't read the PCM which is (used/new to the car). My engine control fuses are not even getting an entire volt reading. (Just .02MA). PCM has power. The data link connector will read the other parts just not the PCM. Also, can you help me with ground locations? I've only found PCM ground. One behind the radio. Chassis to body and one's located around battery. I feel like there should be one in the back somewhere.
Thank you for your help.
Thank you for your help.
Sep 19, 2022 at 12:49 PM
















