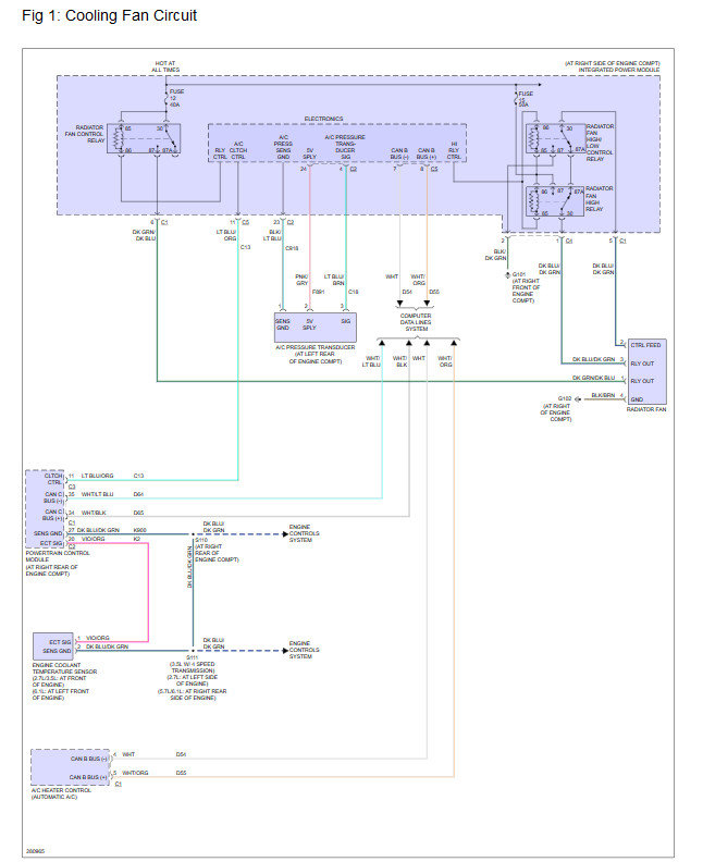
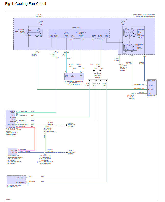
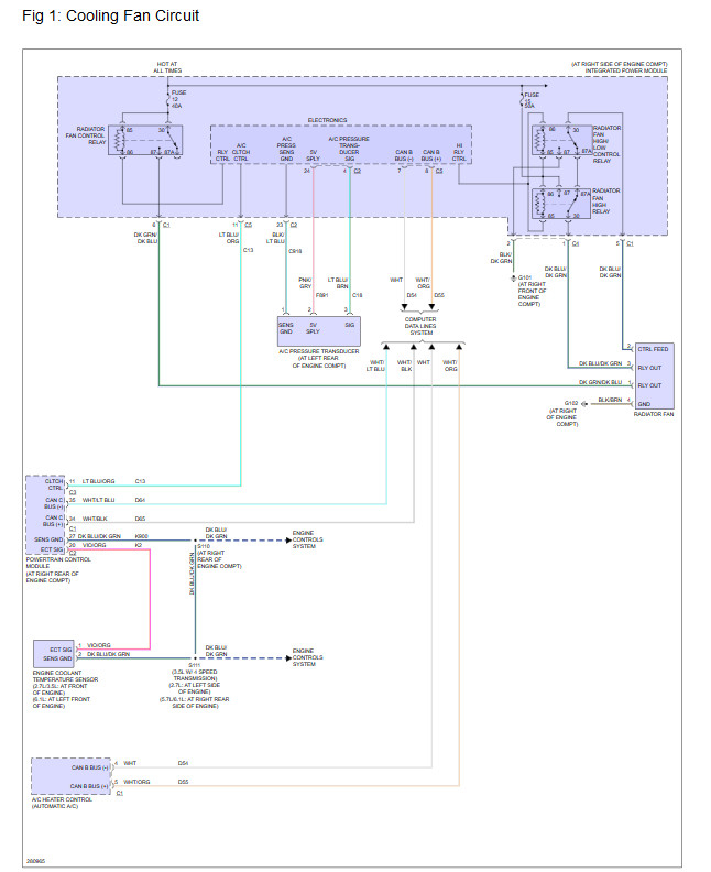
Hey, when i am driving my radiator fan kicks on and runs for a couple of minutes then cuts off. my temperature gauge is in the middle but sometimes it goes to hot then goes right back to normal temperature. would you know what the problem might be? my car just started doing this.
Dec 31, 2016 at 2:46 AM
