A parking light will not turn off?

2007 CHEVROLET SUBURBAN
180,000 MILES • 5.3L • V8 • 4WD • AUTOMATIC
Avatar
RCRO60
  • MEMBER
  • 2 POSTS
Parking light drivers' side stays on while driving unless you turn it out manually or turn ignition off?
Oct 6, 2022 at 6:33 PM
Advertisement
Avatar
STRAILER
  • CERTIFIED EXPERT
  • 53,855 POSTS
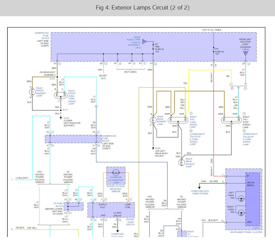
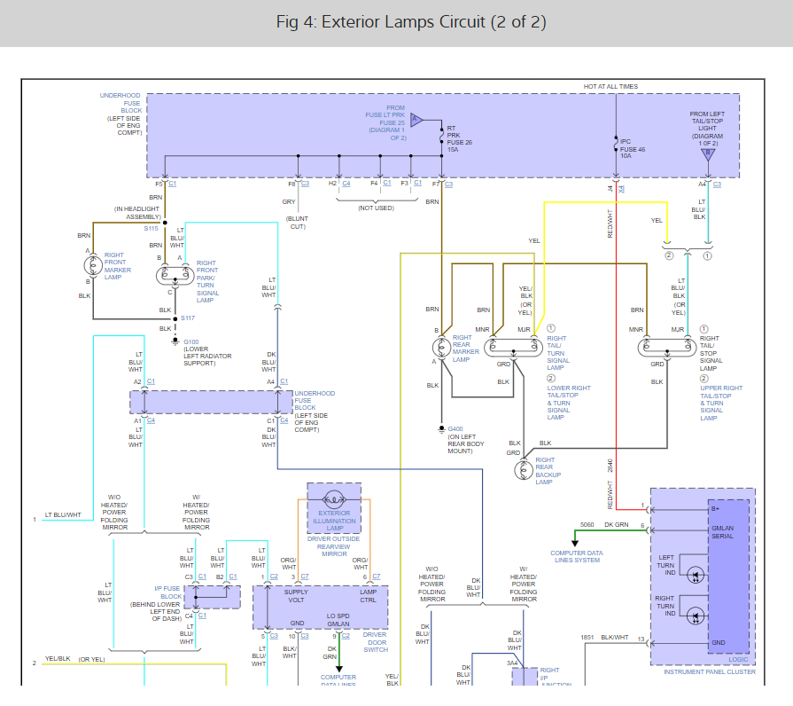
This can happen when there is a fuse out, let's check fuses MISC IGN # 25, #26 and fuse #46 in the under-hood fuse panel (PDC) here is a guide to help and the fuse locations in the images below with the parking lights wiring diagrams so you can see how the system works.

https://www.2carpros.com/articles/how-to-check-a-car-fuse

Also, there is a parking light control relay that needs to be checked or swapped out which is in the PDC as well. If everything checks out the BCM is bad and needs to be replaced, which I have included in the instructions in case you need them. You can get a rebuilt BCM by searching Google or eBay, have your VIN ready. Check out the images (below). Please let us know what you find. We are interested to see what it is.


Oct 7, 2022 at 3:11 PM