A parasitic draw on the brake light fuse

2002 BUICK PARK AVENUE
115,000 MILES • 3.8L • 6 CYL • FWD • AUTOMATIC
Avatar
CRAIG GAIDO
  • MEMBER
  • 7 POSTS
I seem to have a draw on my car battery. I checked my amp draws and came up with .53 and it should be between 30-50. So I started pulling fuses and found the stop fuse dropped to .39 .
This should mean that something in the stop fuse system is drawing some power. Nothing seems to be wrong. All the lights and brakes signals work. Brake switch works. Can anyone make a suggestion? Maybe a body control module (BCM) shorted? But where would that be.

The battery drains after about three days to a dead battery. I cannot find where the draw is in that circuit. 0.53 miliamps. The readings were taken after the car went to sleep. About fifteen seconds.I did not turn on the ignition to do the test. I just made sure the battery was charged.

Thank you. Craig
Feb 28, 2017 at 12:26 PM
Advertisement
Avatar
CARADIODOC
  • CERTIFIED EXPERT
  • 34,306 POSTS
Do I understand you waited 15 seconds for the computer to go to sleep mode? Some computers take up to 20 minutes. Also, if you switch your meter to a lower range for more accuracy, that will wake up most computers for another 20 minutes. All meters use a "break-before-make" rotary switch. Those create a momentary open circuit as they're turned. Place a jumper in parallel with the meter, switch the range, then remove the jumper. That will avoid waking up any computers.
Mar 1, 2017 at 6:22 PM
Avatar
CRAIG GAIDO
  • MEMBER
  • 7 POSTS
Thank you. I will check my readings again and place a jumper in line.
Mar 1, 2017 at 11:38 PM
Advertisement
Avatar
CARADIODOC
  • CERTIFIED EXPERT
  • 34,306 POSTS
Just to be sure I was clear, the temporary jumper goes across the meter, not in series with it. The goal is to give current a path to flow instead of having to go through the meter.

Keep me posted.
Mar 2, 2017 at 7:28 PM
Avatar
CRAIG GAIDO
  • MEMBER
  • 7 POSTS
Sorry it is taking so long to get back with a update. I believe the draw is from a bad fuel level sensor. Anyways I am still investigating. My hood to the car was crinkled by a deer recently and I have not been able to open the hood. The battery stills goes dead after a couple days.At least I could reach through the gap in the hood to charge the battery and use the car. Thanks again.
Mar 14, 2017 at 1:51 AM
Avatar
STRAILER
  • CERTIFIED EXPERT
  • 53,854 POSTS
Hey Craig

I don't know if this will help but here is a good guide on battery draw situations.

https://www.2carpros.com/articles/car-battery-dead-overnight


Please let us know what happens.

Best, Ken

Mar 16, 2017 at 12:49 PM
Avatar
CRAIG GAIDO
  • MEMBER
  • 7 POSTS
Hi Ken,
I found the other fuse box under the rear seat which I need to test.
Thanks
Craig
Mar 17, 2017 at 1:31 AM
Avatar
CRAIG GAIDO
  • MEMBER
  • 7 POSTS
Hi Ken,
It seems the draw was from the cd/pn fuse. I have no cd player in trunk or telephone. After I pulled the fuse under the back seat the meter finally settled at .02 milliampes before that is was at .52 milliamp . The cd player and radio in the car work fine.
So something is draining from this circuit but nothing is attached. Anyways thank you for your help.
Thanks
Craig
Mar 19, 2017 at 11:02 AM
Avatar
STRAILER
  • CERTIFIED EXPERT
  • 53,854 POSTS
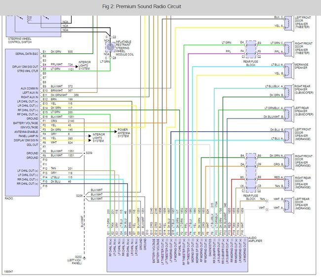
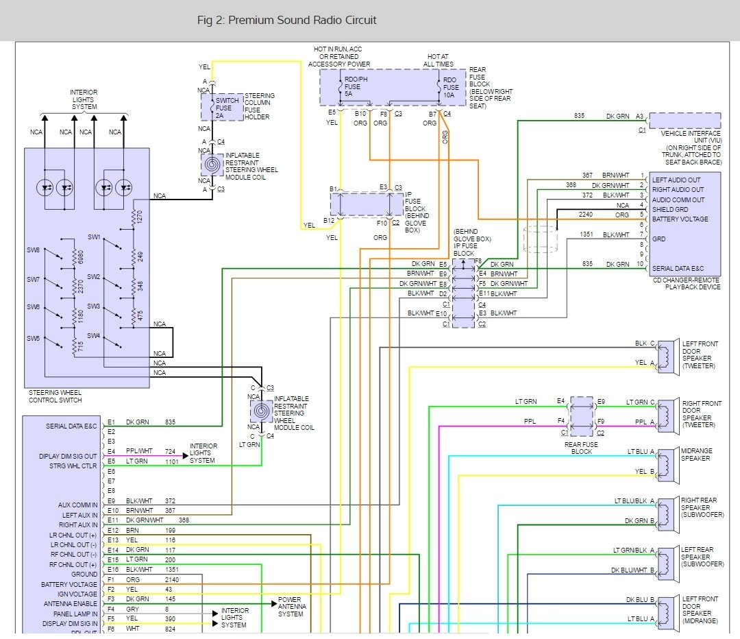
Hi Craig,

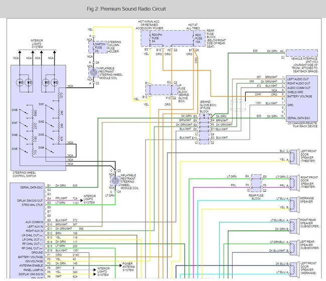
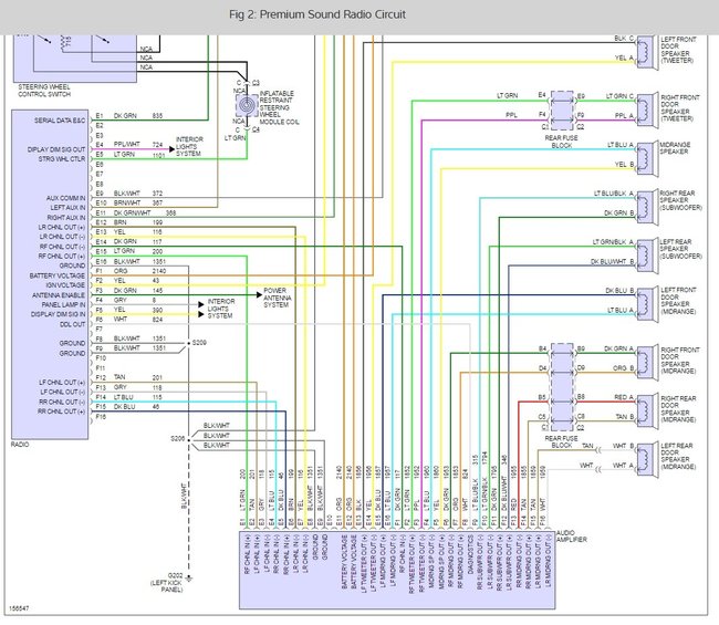
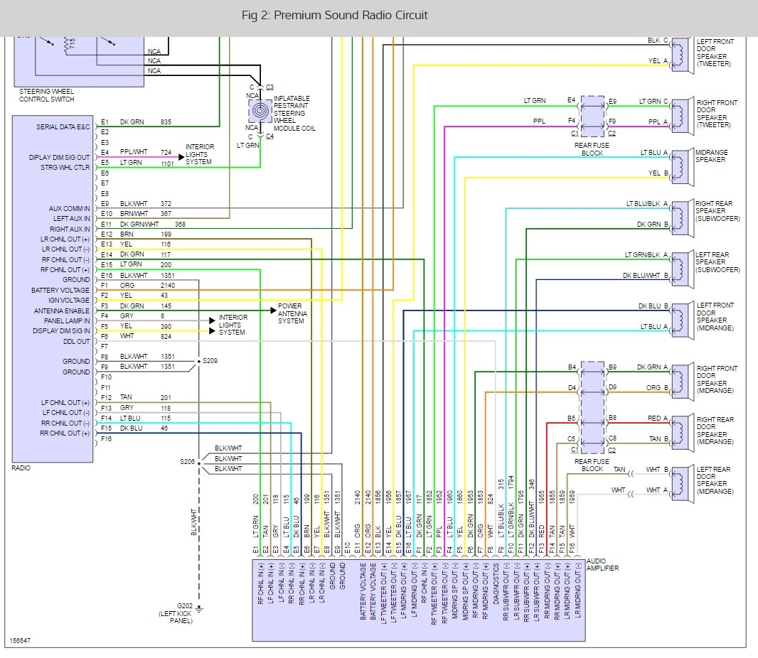
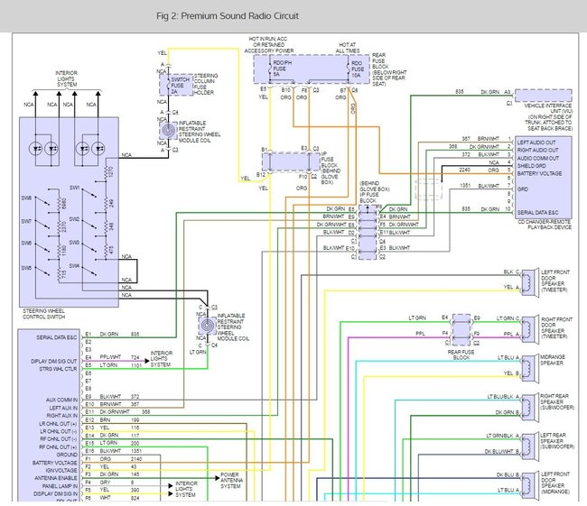
It looks like the CD changer or the amplifier is not turning off, here is a wiring diagram to look over. Try plugging each item one at a time to check if the draw stops.

Please let us know what happens.

Best, Ken
Mar 22, 2017 at 11:45 AM
Avatar
CRAIG GAIDO
  • MEMBER
  • 7 POSTS
Thank you for the wiring diagram. I have been looking for this.
Mar 22, 2017 at 11:36 PM
Avatar
STRAILER
  • CERTIFIED EXPERT
  • 53,854 POSTS
Please let us know what happens.

Best,
Mar 23, 2017 at 8:53 AM
Avatar
CRAIG GAIDO
  • MEMBER
  • 7 POSTS
Hello Ken,
I remove the delphi delco electronic system and telephone electronic device. That was it behind the back of the back seat passengers side. Two tight 18mm bolts to remove the back cushion. I have the fuse back in and drawing .02 amps when shut down. I think I will just leave it as I do not use these devices. The only thing that I noticed which was strange was the cable like connector would not tighten on the telephone gps device. It felt like it was stripped. Possible bad connection? Probably would not cause a draw.
Thank You
Craig L Gaido
Mar 23, 2017 at 2:14 PM