A/C will not work

2012 KIA SOUL
99,600 MILES • 2.0L • 4 CYL • 2WD • MANUAL
Avatar
SAMOLI
  • MEMBER
  • 3 POSTS
No air is coming out of the vents. The compressor is working, but there is no air. I changed the blower motor, still nothing. I thought it could be the resistor, bought a new one put it on and still nothing. I do not know what else it could be. The fuses are fine but the blower just does not turn on.
Jul 8, 2017 at 5:43 AM
Advertisement
Avatar
STRAILER
  • CERTIFIED EXPERT
  • 53,854 POSTS
Hello,

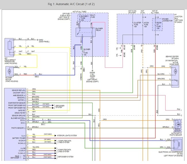
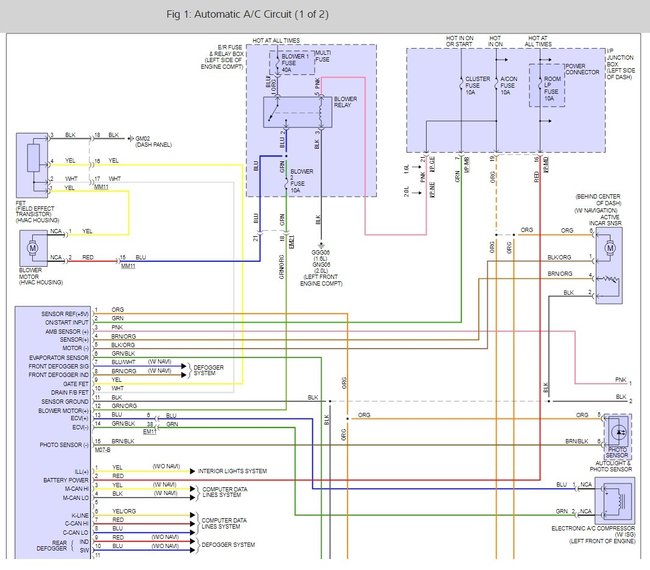
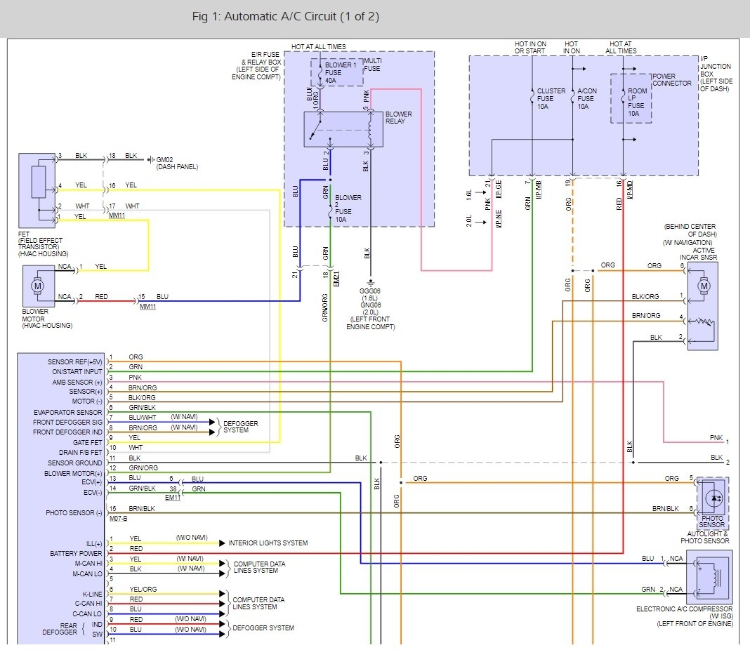
There is a blower motor relay that sounds like it has gone out. Here is a guide that will help you test the relay and a wiring diagram (below) to show you how the circuit works.

https://www.2carpros.com/articles/how-to-check-an-electrical-relay-and-wiring-control-circuit

and

https://www.2carpros.com/articles/how-to-use-a-test-light-circuit-tester

Please run some tests and get back to us we are interested to see what it is.

Cheers, Ken
Jul 10, 2017 at 10:29 AM
Avatar
SAMOLI
  • MEMBER
  • 3 POSTS
Thank you so much, had I known about you it would have saved me a ton of trouble with the removal of the blower. Changed the relay, it was fried literally, and wam bam it worked!!
Jul 15, 2017 at 12:59 PM
Advertisement
Avatar
STRAILER
  • CERTIFIED EXPERT
  • 53,854 POSTS
Nice work, we are here to help, please use 2CarPros anytime.

Cheers, Ken
Jul 17, 2017 at 9:53 AM