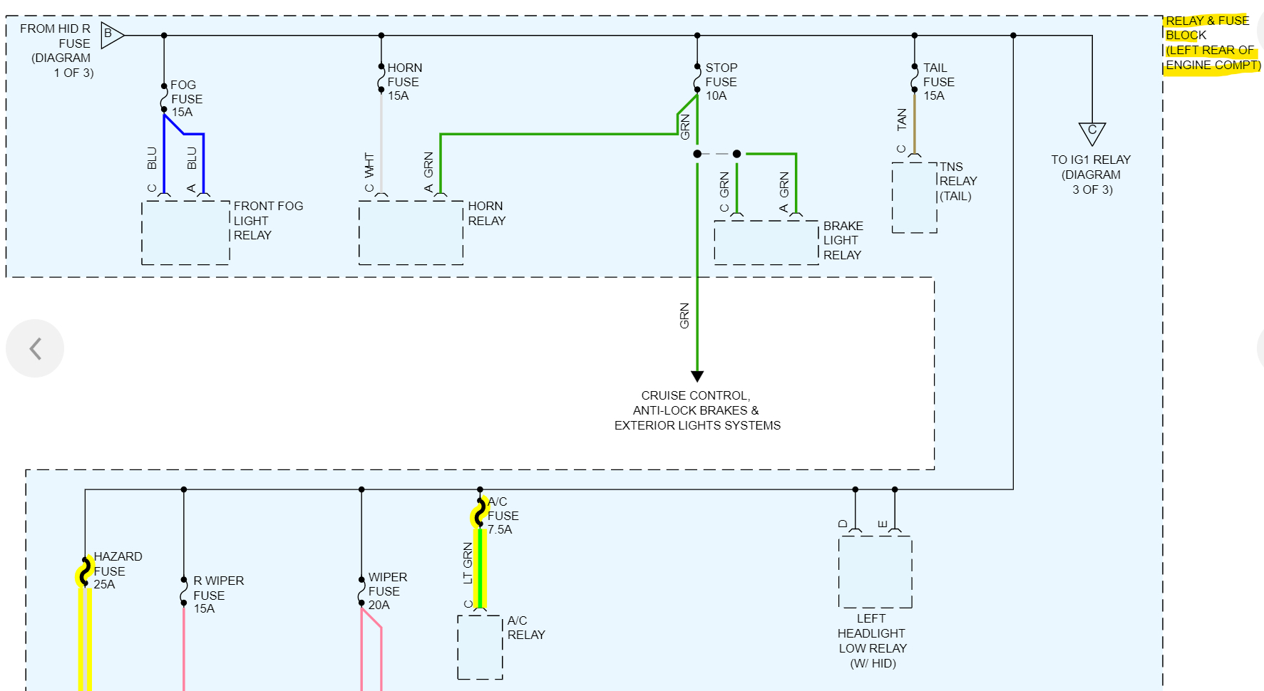
Hi, the other day I hit a bump and my whole car shuddered, so I pulled over and checked under the hood and noticed the battery had come loose. We tightened the nut on the positive end of the battery and the car is working fine but the A/C won’t turn on at all. The blinkers and hazards also don’t work which sounds like a fuse to me but I’m unsure about the A/C.
Thanks!
Thanks!
Apr 27, 2023 at 11:43 AM

