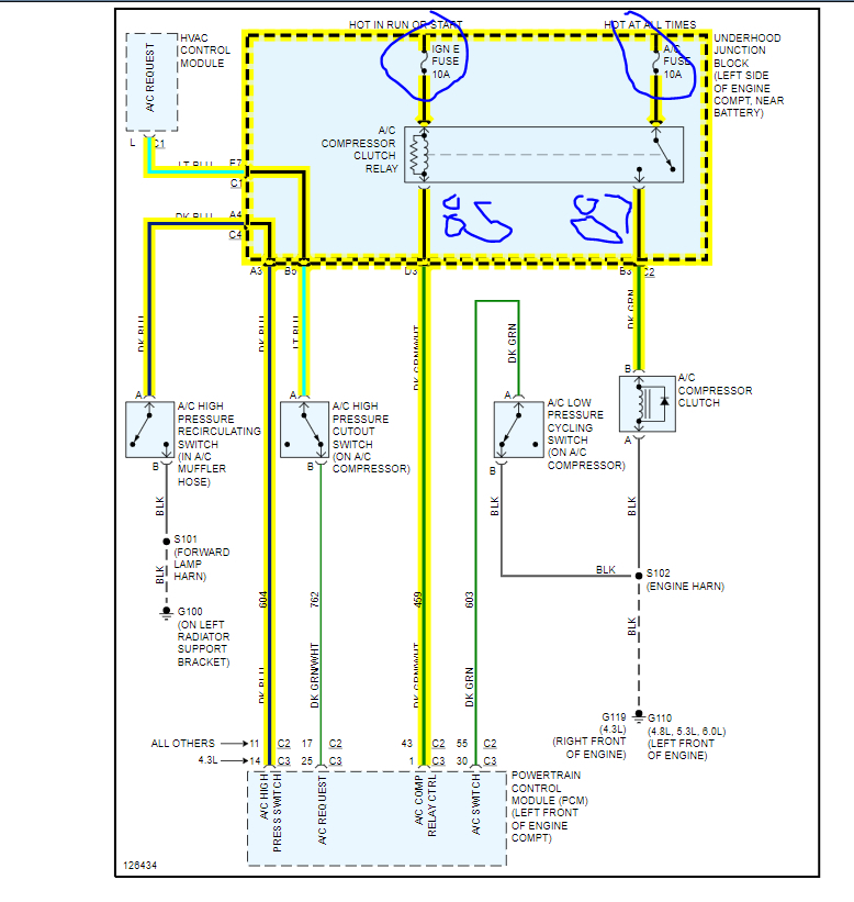
New compressor, new high and low pressure switches, new EVAP, new accumulator, new condenser, new PCM, new relay, good control module inside. So, after testing the relay pins in the fuse box, I have constant hot (30), hot with ign (86), a ground at pin 87, but I'm not getting the "turn on" signal at 85. If I jump from 86 to 87, the A/C works but the compressor doesn't cycle off. With everything being new, I feel like it has to be a broken wire. Problem is, I don't know... A) on the relay, which wire is connect to pin 85, and is it connected to the inside control module or the PCM? B) what color is it? I have the proper testing tools, but don't know which wire(s) I'm looking for to test.
Jun 27, 2021 at 8:53 AM

