A/C Wiring Diagram needed?

2007 DODGE TRUCK
177,000 MILES • 3.7L • V6 • 2WD • AUTOMATIC
Avatar
JOHNSTRAWSER
  • MEMBER
  • 1 POST
The button that turns on the A/C is not working neither is the nob that controls where the air goes. A wiring diagram would help.
Aug 24, 2023 at 4:21 PM
Advertisement
Avatar
JACOBANDNICKOLAS
  • CERTIFIED EXPERT
  • 110,175 POSTS
Hi,

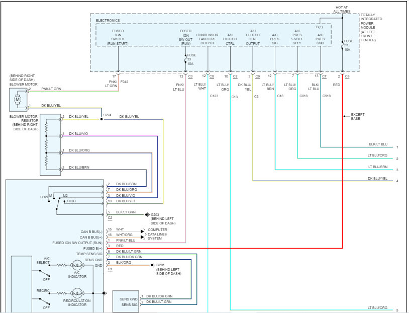
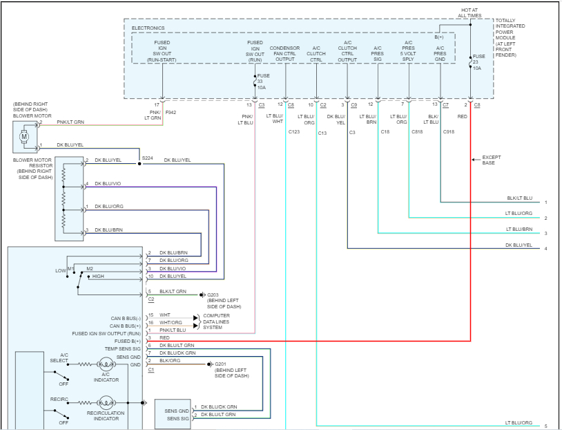
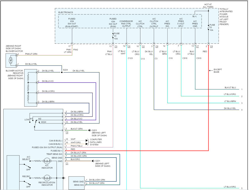
I attached the wiring schematic for the entire HVAC system. I'm assuming this is a full-size truck but need confirmation. They used the same engine in the Dakota.

Let me know. Also, the schematic below is two pages. I had to cut each one in half to make them readable for you. I did overlap them so you can follow from one to the next.

Here is a link you may find helpful:

https://www.2carpros.com/articles/how-to-check-wiring

Let me know if this helps and if I got the correct model.

Take care,

Joe

See pics below.

Aug 24, 2023 at 9:02 PM