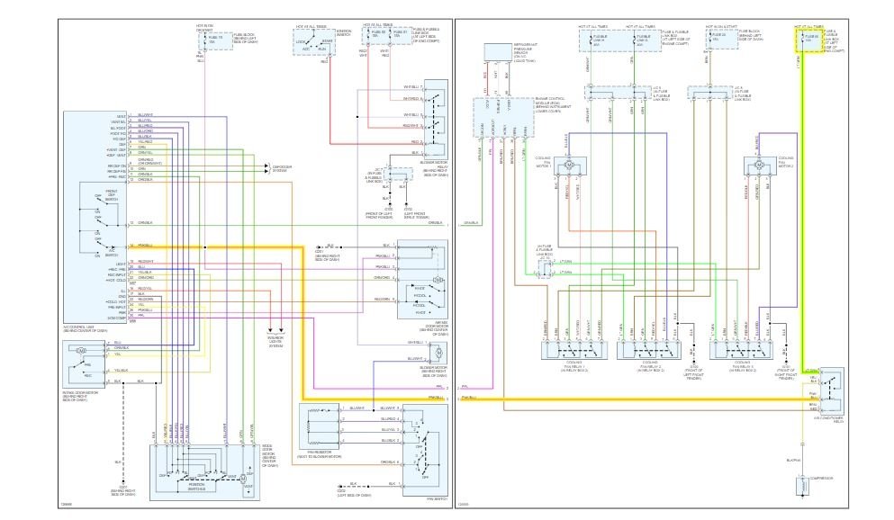
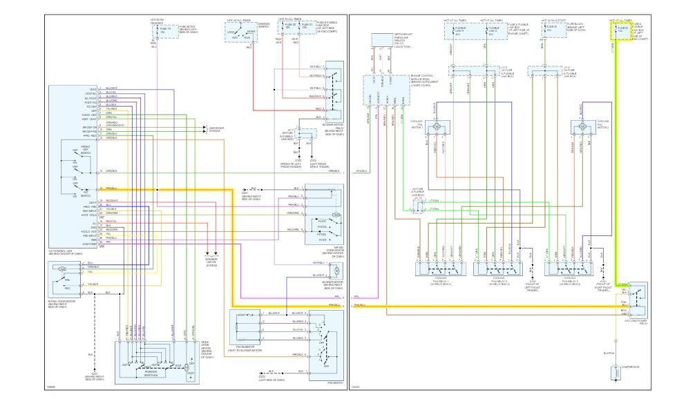
Hey all, so the A/C is just blowing hot air. I was going to recharge it and noticed the clutch not engaging at all. checked all fuses and relay first. all is good could not figure out why but if I take a piece of wire and jump it at the relay it works clutch engages blows cold air. changed out relay but still the same. any ideas?
Sep 4, 2019 at 4:06 PM



