A/C suddenly stopped working

2007 FORD F-150
405,000 MILES • 5.4L • V8 • 4WD • AUTOMATIC
Avatar
OKIE49ER
  • MEMBER
  • 7 POSTS
The A/C stopped working suddenly. I drove it one day and it worked fine. I started it about an hour later and the compressor clutch does not engage. I have checked everything, I have power at the clutch relay switch and the engine idles up when the A/C is turned on. Then compressor spins freely when i turn it manually. Any ideas would be greatly appreciated.
May 16, 2021 at 6:11 AM
Advertisement
Avatar
ASEMASTER6371
  • CERTIFIED EXPERT
  • 52,796 POSTS
Good morning,

The first thing I would do is check the pressures in the system to be sure enough freon is in there to activate the compressor.

https://www.2carpros.com/articles/car-air-conditioner-not-working-or-is-weak

https://www.2carpros.com/articles/re-charge-an-air-conditioner-system

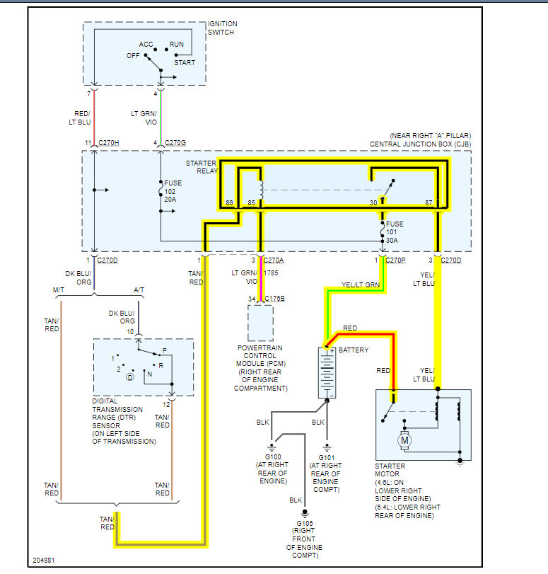
I attached a wiring diagram for the system. There are several fuses that need to be tested. Check them with a test light.

https://www.2carpros.com/articles/how-to-check-wiring

https://www.2carpros.com/articles/how-to-check-a-car-fuse

https://www.2carpros.com/articles/how-to-check-an-electrical-relay-and-wiring-control-circuit

There is also a pressure sensor that is suspect. You need to verify the reference voltage at the sensor.

Roy
May 17, 2021 at 2:28 AM
Avatar
OKIE49ER
  • MEMBER
  • 7 POSTS
I have checked all pressure switches and all fuses. Looking at the wiring diagram, the clutch relay is the last point before going to the compressor. There is voltage at all points on the relay. If I try to bypass the relay, fuse 11 blows.
May 17, 2021 at 5:49 AM
Advertisement
Avatar
OKIE49ER
  • MEMBER
  • 7 POSTS
How do you check the A/C compressor diode?
May 17, 2021 at 5:58 AM
Avatar
ASEMASTER6371
  • CERTIFIED EXPERT
  • 52,796 POSTS
Use an ohmmeter. You should have continuity in one direction only. The other will show OL.

Did you jump 3 and 5 in the diagram? If you did and the fuse fails, then disconnect the compressor clutch and try again.

Roy

May 17, 2021 at 6:12 AM
Avatar
OKIE49ER
  • MEMBER
  • 7 POSTS
Does it matter which way the diode is intalled?
May 17, 2021 at 6:19 AM
Avatar
ASEMASTER6371
  • CERTIFIED EXPERT
  • 52,796 POSTS
Yes. It must be installed as shown in the fuse box diagram.

Roy
May 17, 2021 at 9:23 AM
Avatar
OKIE49ER
  • MEMBER
  • 7 POSTS
I have power at the connector of the compressor clutch. 12v using the positive and negative of the connector. Is it the compressor clutch?
May 18, 2021 at 1:32 PM
Avatar
ASEMASTER6371
  • CERTIFIED EXPERT
  • 52,796 POSTS
That is correct. You need a compressor.

https://www.2carpros.com/articles/replace-air-conditioner-compressor

https://www.2carpros.com/articles/re-charge-an-air-conditioner-system

Roy
May 18, 2021 at 2:48 PM
Avatar
OKIE49ER
  • MEMBER
  • 7 POSTS
The entire compressor or the clutch coil?
May 18, 2021 at 3:22 PM
Avatar
ASEMASTER6371
  • CERTIFIED EXPERT
  • 52,796 POSTS
I would replace the entire compressor.

Roy
May 18, 2021 at 3:23 PM