Hi,
I need to confirm. Are you referring to the mode door actuator? That is the actuator which determines air flow direction.
If that is what you are referring to, yes it will need removed. Actually, the manual indicates removing the IP (instrument panel) carrier. I have done it without. Lower the co here are directions for replacement. The attached pics correlate with the directions. The last pic I attached shows location of the actuator I'm referring to.
_______________________________
2002 Chevy Truck TrailBlazer 2WD L6-4.2L VIN S
Mode Actuator
Vehicle Heating and Air Conditioning Air Door Actuator / Motor Service and Repair Procedures Automatic Control Mode Actuator
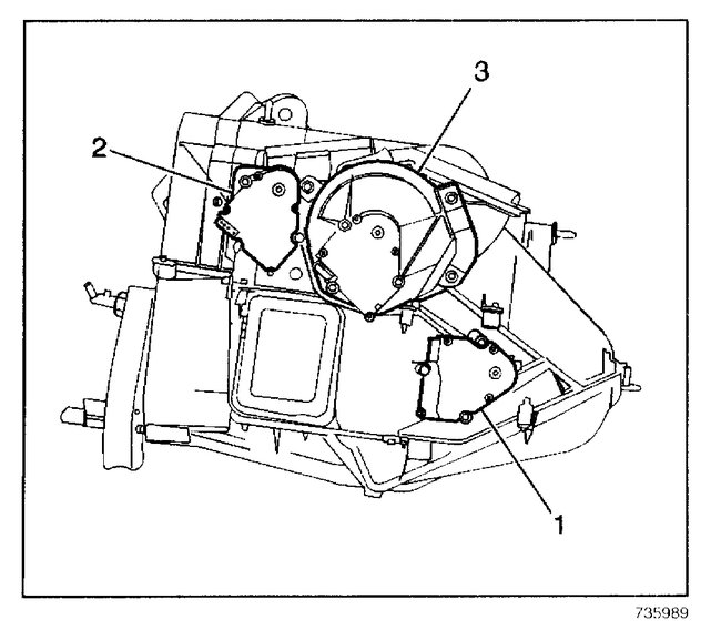
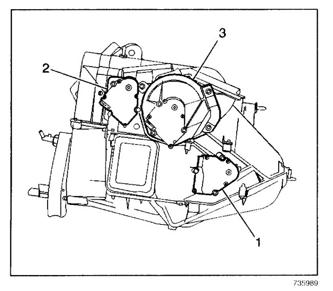
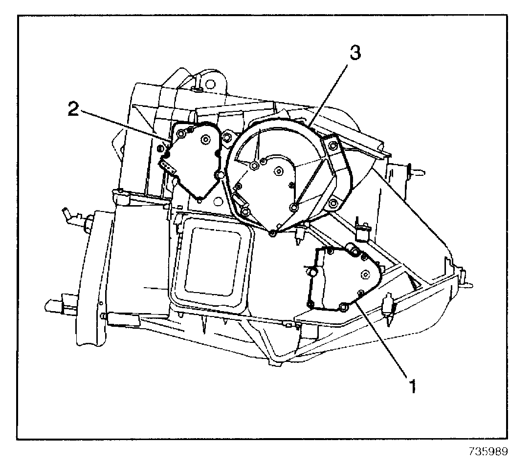
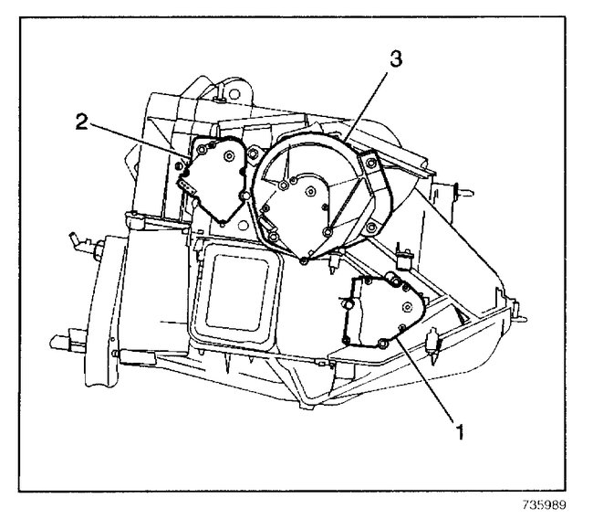
MODE ACTUATOR
REMOVAL PROCEDURE
pic 1
1. Remove the I/P carrier.
2. Disconnect the electrical connector from the mode actuator.
3. Remove the screws from the mode actuator (3).
4. Remove the mode actuator.
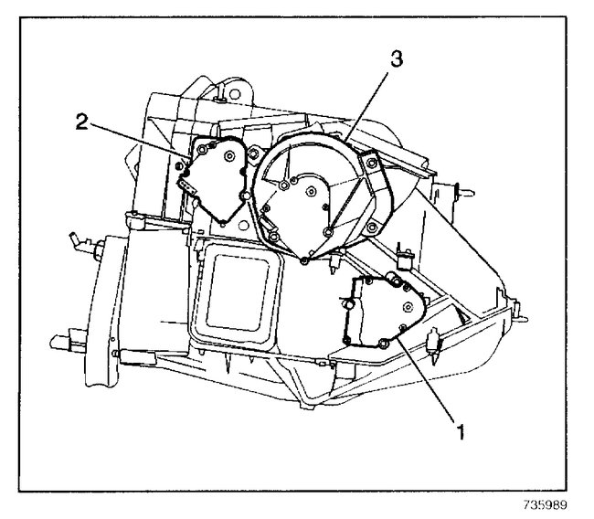
INSTALLATION PROCEDURE
pic 2
1. Install the mode actuator (3).
NOTE: Refer to Fastener Notice in Service Precautions.
2. Install the screws to the mode actuator (3).
Tighten
Tighten the screws to the to 1.9 N.m (18 lb in).
3. Install the I/P carrier.
________________________________________________________
Let me know if this helps.
Joe
Images (Click to enlarge)
Apr 25, 2020 at 8:53 PM