Here's the current rundown:
Mode Actuator - Physically Operational
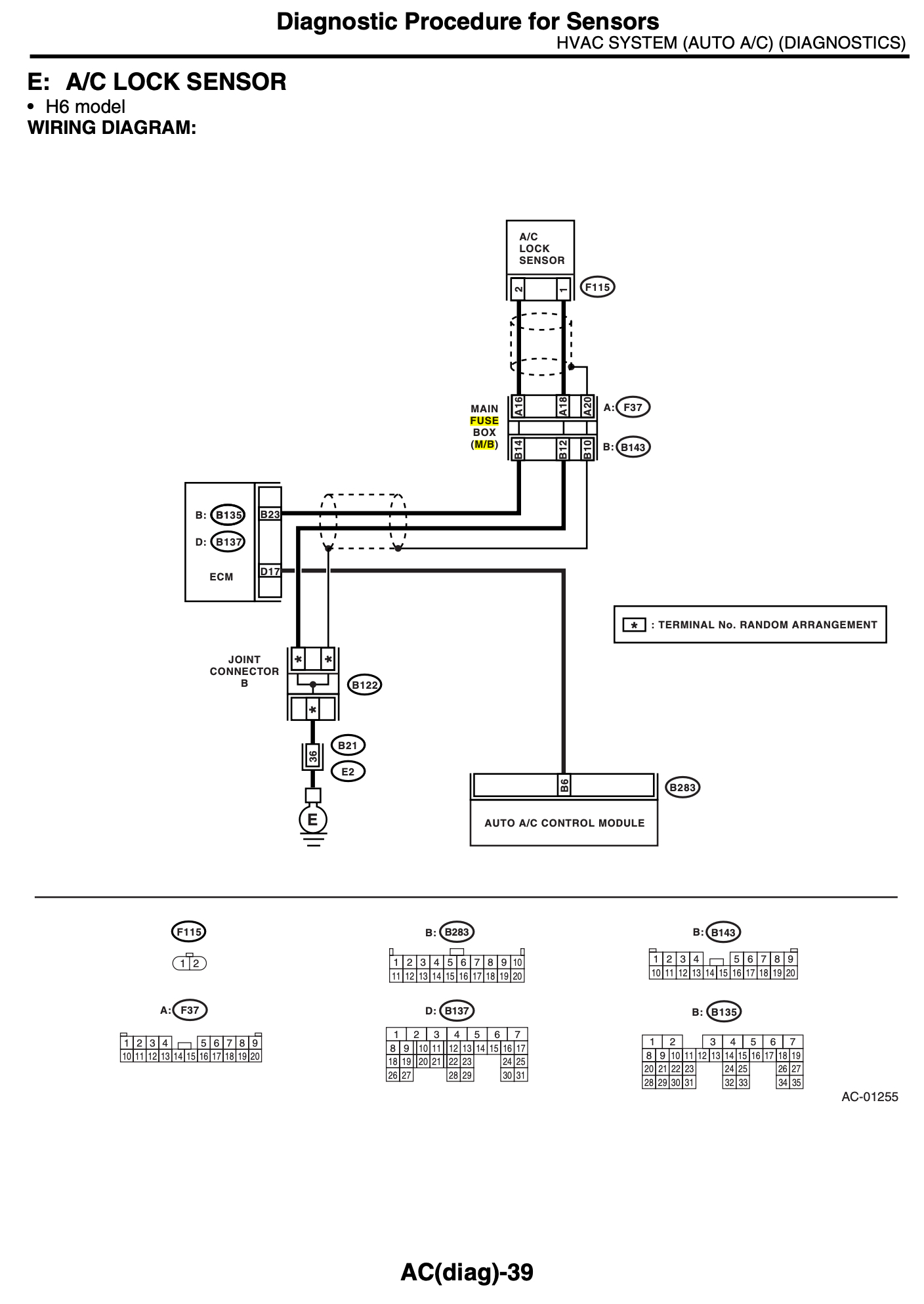
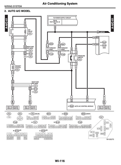
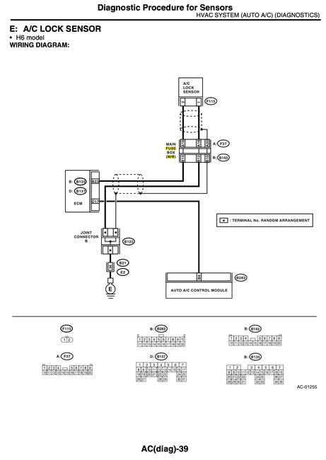
• Sensor Power Supply - (B282) 8 to 15: 4.9v
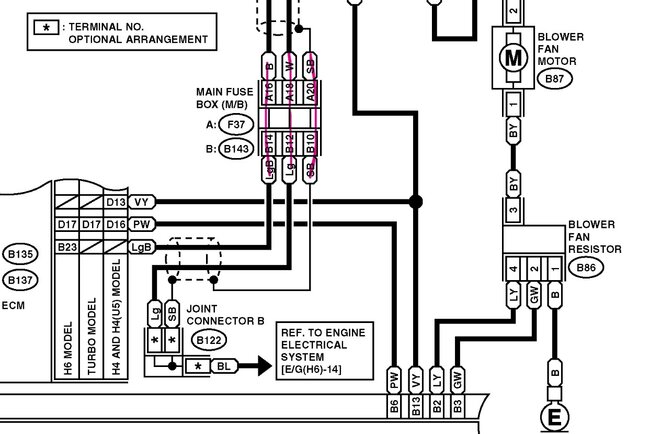
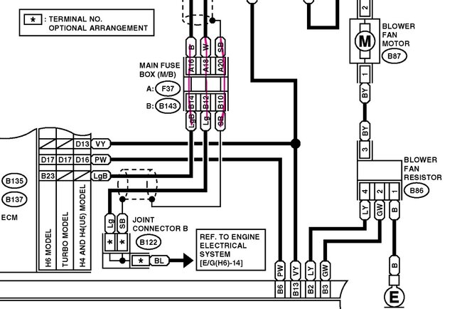
• Actuator Power Supply 1 - (B283) 7 to Chassis GND: 10v then cuts to 0.5v
• Actuator Power Supply 2 - (B283) 17 to Chassis GND: 10v then cuts to 0.5v
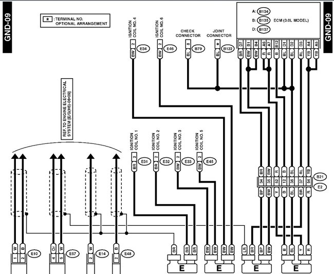
• All 5 harness connections btwn (B77) & (B282) have continuity
• Position Switch Signal - (B282) 3 to 15 shows appropriate voltage change when switching btwn DEF & FACE
Air Mix Door Actuator (x2) - Physically Operational (Both)
• Position Switch Power Supply - (B282) 8 to 15: 5v
• Actuator Power Supply 1 - (should be 7v)
Driver Side (B283) 9 to Chassis GND: Shows 10.7v then drops to 0.5v
Passenger Side (B283) 8 to Chassis GND: Shows 10.7v then drops to 0.5v (got it to read 8.3v steadily one time)
• Actuator Power Supply 2 - (should be 7v)
Driver Side (B283) 19 to Chassis GND: Shows 10.7v then drops to 0.5v
Passenger Side (B283) 18 to Chassis GND: Shows 10.7v then drops to 0.5v
• Continuity to be tested... Driver's Side Actuator is buried under the dashboard (can continuity test passenger side if needed)
• Position Switch Signal -
Driver Side (B282) 12 to 15 : Good
Passenger Side (B282) 4 to 15: Good
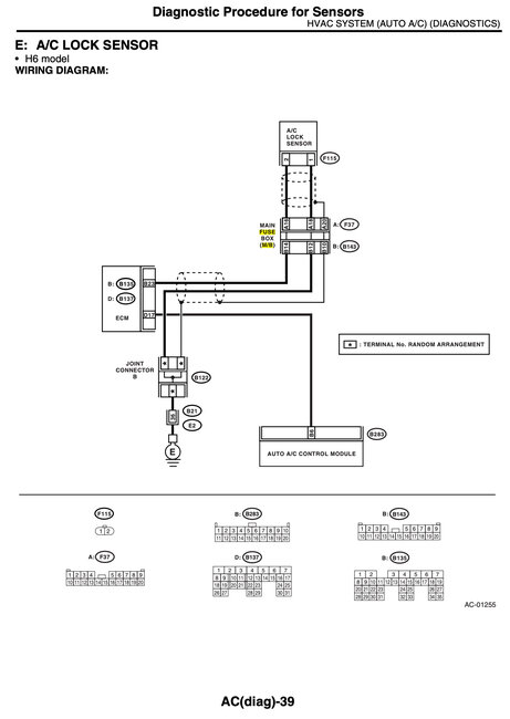
Interior Temp Sensor - Seems Operational
• 1.75kV at 75°f
• Input Signal - (i55) 2 to 1: 3.5v (should be 5v)
• AC Control Module Output Signal - (B282) 5 to 15: 3.5v (should be 5v)
• Continuity - (i55) 2 to (B282) 5 & (i55) 1 to (B282) 15: 0.5 ohms each
May 8, 2023 at 8:32 PM