A/C randomly blows off pressure when Idling

2003 GMC SIERRA
285,000 MILES • 6.6L • V8 • 4WD • AUTOMATIC
Avatar
KEITH WARKENTIN
  • MEMBER
  • 23 POSTS
Very odd situation, I own a shop and have a new A/C machine. System holds vacuum and has no leaks. When properly charged, system blows nice and cold. This vehicle has a brand new compressor, accumulator, O-tube, fan clutch, and the condenser has been flushed and blown out. Also has a new high pressure switch, which apparently does not actually shut off the compressor when the pressure gets too high...
What it does is randomly blow off the Freon. usually if I catch it quick enough it will only lose about a half pound of the 1.7 this system holds. but I even drove it with gauges on it and watched the pressures, which were perfect while driving, and most of the time even while stopped. but occasionally would climb to 450 psi plus and I would shut it off so it wouldn't blow and as soon as I started moving it seemed to drop the pressures. Also, while in the shop I had it start increasing pressures, like there was not enough air flow, but then the fan started pulling a bit more, still at idle, but the pressures dropped, and it was blowing cold...
Everything is in a stock configuration, all original components are in place...
More oddly, my brother has a 2003 Chevrolet Duramax, his is manual, mine is automatic system, that just recently did the same thing.. blew off most of the Freon at idle.
Of note, the High and Low ports are only about a foot apart, with the O-tube separating them and the pressure issue shows on the gauges, so it is not a blockage in the condenser or elsewhere. it appears to be an air flow issue.. but should cut itself off I expect that it was doing that previously, because it would go into swamp cooler mode at idle? warmer humid air, but now, instead it blows off the pressure .
Thoughts of ideas are appreciated. I am going to look at the electrical to try to see why the over pressure does not cut off the compressor clutch...
Thanks,
Keith
Sep 3, 2019 at 10:16 AM
Advertisement
Avatar
STRAILER
  • CERTIFIED EXPERT
  • 53,854 POSTS
Hello,

Try a new pressure switch to see if that stops the high pressure, also unplug it while running to see if the system shuts off. Next it sounds like you have too much oil in the system which if you added any without a large rupture to disperse the oil, you have too much in there. The compressors come with oil in them) High pressure comes from high temperature as well, do you ever here the clutch fan come on? Please get back to me.
Sep 4, 2019 at 6:17 PM
Avatar
KEITH WARKENTIN
  • MEMBER
  • 23 POSTS
As stated in the question, the pressure switch (high pressure transducer) is new, along with a new fan clutch,and the new compressor, but I will replace it again in case it is a bad/defective one.. I replaced it as I suspected it to have been causing this issue, but the new one had the same response as the original one, or should I say lack of response. While running in the normal pressure range of about 250 psi it was around 2.5v, and it does shut off when unplugged.. I had previously confirmed this part. Although I cannot find any specifications on pressure to voltage for this component. It was also right at 1 volt when I last charged it, before turning the system on, so static pressure.
Thanks
Sep 5, 2019 at 1:04 PM
Advertisement
Avatar
STRAILER
  • CERTIFIED EXPERT
  • 53,854 POSTS
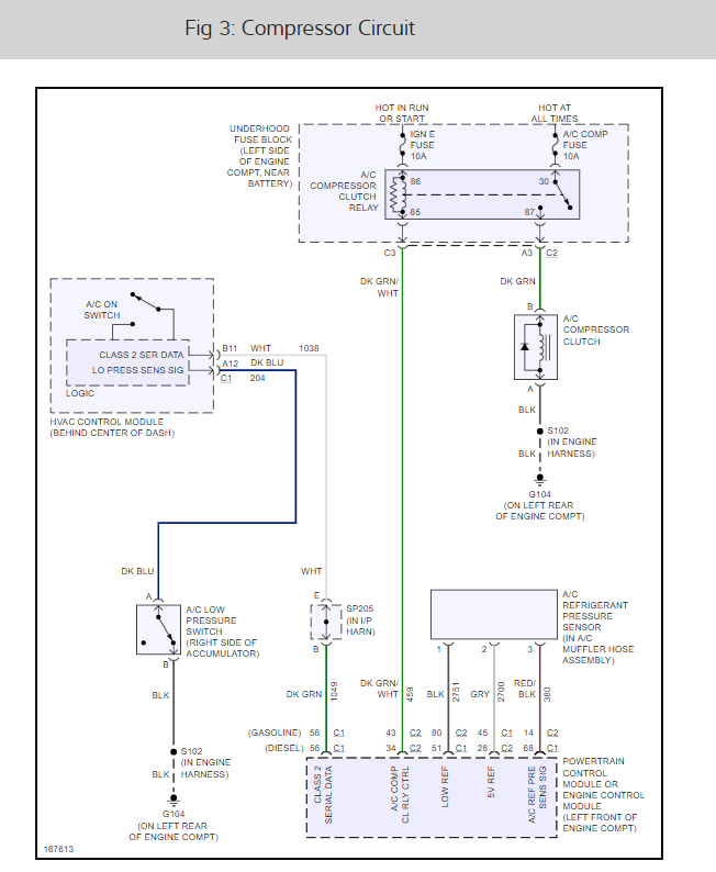
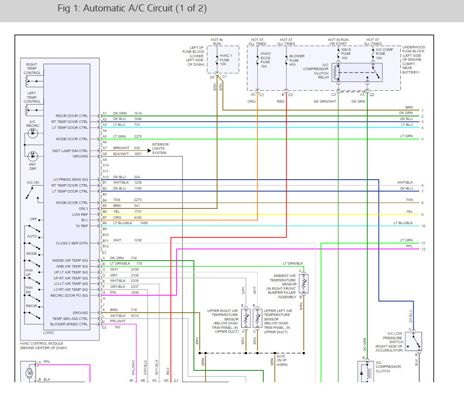
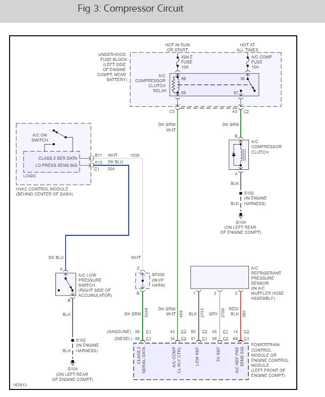
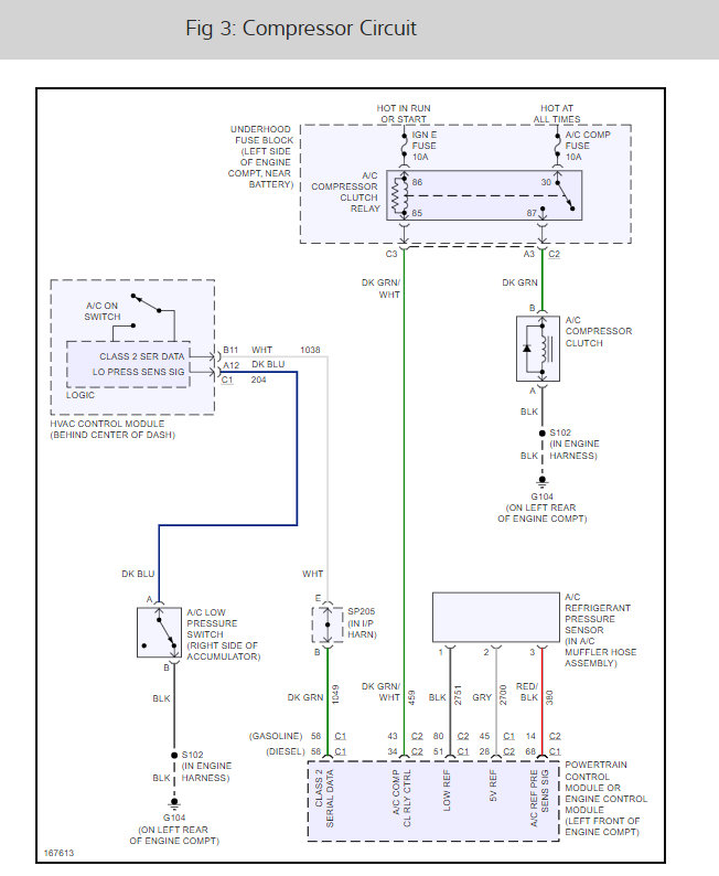
Lets check the connection between the pressure sensor and the PCM. here is a guide to help and the air conditioner wiring diagrams to help (below). It could be a bad PCM.

https://www.2carpros.com/articles/how-to-check-wiring

Check out the diagrams (below). Please let us know what you find. We are interested to see what it is.
Sep 5, 2019 at 1:22 PM
Avatar
KEITH WARKENTIN
  • MEMBER
  • 23 POSTS
I have already checked values, but my MODIS only tells me A/C "granted" yes or no.. I would like it if it had a voltage reading also, but it does not. I already had looked through the wiring diagrams, 3 wires straight to the PCM.. but it seems nearly unfathomable that the PCM would fail in that manner, when it will turn it off by unplugging it. I think I will feed it 5v by jumpering the sensor connector and see if it says not granted.. that would tell me most quickly if it keeps it off, or allows it to turn on.. I will keep you posted.
Sep 5, 2019 at 1:34 PM
Avatar
KEITH WARKENTIN
  • MEMBER
  • 23 POSTS
So I just confirmed that it has 5v reference, ground, and signal return. Also that the system will deny the A/C when fed 5v from the reference to the signal return.. so I will get a factory sensor (transducer) and see what that does. although it still won't answer why it randomly goes high in the first place. It makes no difference if it is completely cold, fully hot. .but always at idle while stopped. Sitting at a stop light, sitting in traffic, waiting for a train.. where it used to just randomly cut off the compressor until you began moving again.
Attached are the values.. static, system off and running at Idle.
Again, I'll keep you posted.
If anyone has a voltage to pressure value, that could be useful, but I have not found one yet. (although it appears to be about 1v to 100 psi)
Sep 5, 2019 at 2:29 PM
Avatar
KEITH WARKENTIN
  • MEMBER
  • 23 POSTS
To clarify that last test, it was done while the engine was running and A/C on, working normally. then fed the 5v to the sig ret. as though it got there suddenly on its own. while there was a several second delay, it did deny the A/C while fed, then after about 15 seconds after removing the 5v it granted and began running the compressor again.
Sep 5, 2019 at 2:57 PM
Avatar
STRAILER
  • CERTIFIED EXPERT
  • 53,854 POSTS
The pressure looks a little low. so you say it goes to over 350 and blows the pressure valve? sounds like too much oil. Have you checked that? Also, once the pressure valve blows you need to replaced it because it becomes weak after the first event. lastly I have seen PCM's go out in every way possible so this would not surprise me FYI. Here is how you would replace the PCM. Here are the air conditioner wiring diagrams as well:

https://www.2carpros.com/articles/how-to-check-wiring

Check out the diagrams (below). Please let us know what happens.
Sep 7, 2019 at 12:31 PM
Avatar
KEITH WARKENTIN
  • MEMBER
  • 23 POSTS
So, the over pressure valve does not appear weak (and holds), and the aftermarket compressor does not come prefilled with oil (per warnings on the box, and installation instructions), so it is unlikely that it is overfilled with oil. Beyond that, that should be a consistent issue, and not random. The new AC Delco high pressure transducer has corrected the blow off issue, apparently the aftermarket does not meet specs (or was simply defective), and the original one had failed as I suspected...so the PCM is not the issue.
Currently, it still randomly goes into the "swamp cooler mode". where the compressor cuts out due to high pressure, and you get very humid air, and no A/C...but this is not predictable as to when, and works normally as soon as the vehicle starts moving again. It may do it right out of the driveway, at the first signal, or go several days before doing it and when it began doing it in the shop, it seemed to be headed towards blow off. achieving over 450psi, when the fan started pulling a little more air, and the pressures dropped back to normal. The pressures in the pictures were a little low, as I had not realized it had blown off about 5 ounces of Freon.
So currently I have not found an explanation for the random high pressure, as it seems to simply be an air flow issue...but has a new fan clutch and all (radiator, inter-cooler, condenser)components were blown out, and do not appear to have any restriction.
I am considering putting an auxiliary fan in front of the condenser to "fix" the issue, but that should not be needed.
(Also, the pressure does not blow until about 550 PSI, and is supposed to cut the compressor at 426 PSI).
Thanks,
Keith
Sep 9, 2019 at 11:15 AM
Avatar
STRAILER
  • CERTIFIED EXPERT
  • 53,854 POSTS
Yep, sounds like too much oil in the system the oil being forced through the orifice causing the high pressure. I would vacuum the system to take oil out then remove the low side hose to look inside to see how oily the system is. Can you please shoot a quick video with your phone so we can see what's going on? that would be great. You can upload it here with your response.
Sep 9, 2019 at 11:19 AM
Avatar
KEITH WARKENTIN
  • MEMBER
  • 23 POSTS
It appears to call for 7.1 ounces...and I have not added much back to the system since all the blow off, and loss at the compressor...during the recovery process, it had only removed a few ounces, and I have not been adding it back, concerned about too much oil. Last time I recharged it I added back 3 ounces...after not doing so previously.
I have never experienced a random issue like this, where all it takes is air flow to correct the issue...and searching for symptoms of being over charged with oil, I do not find anything like this, as it blows completely cold, with no symptoms except the random high pressure issue. (Note:I have been working on A/C systems since I was 17 years old, so the last 36 years)
As stated, this only happens at Idle, when stopped, so I'm wondering if there is a symptom chart that suggests it is over charged with oil? Perhaps something unique to Duramax systems, even though they are just a standard GM configuration.

(SYMPTOMS of too much oil
Noisy compressor;
Low oil level in the sight glass on the compressor's crankcase;
TXV has a hard time controlling superheat (hunting);
Low evaporator and compressor superheat; and.
Warmer-than-normal box temperatures with loss of capacity.)
(Also If you add too much oil to the system, it may pool in various places of the system and can coat the inner walls of the evaporator and condenser coils. This will diminish their ability to absorb or dissipate heat, thereby bringing down the overall cooling performance.)

Essentially, everything I have seen and experienced about excessive oil are performance issues...not random over pressure, but continuous poor performance, instead of random. Where over pressure issues are normally caused by air flow, or plugged fins on the condenser...

Also, if that were the case, it seems the O-tube would be saturated each time I removed it to inspect, and while it has oil on it, there has never been oil coming out of the line when opened up.

Also, to make sure I cleared any blockages...last time I opened up the system, I pulled the orifice tube and activated the compressor. then put my thumb over the line to build pressure, then released it several times to make sure there was nothing plugging the system...which should have also gotten extra oil out of the system.

Just trying to understand what suggests to you that oil is the issue.
Sep 9, 2019 at 1:25 PM
Avatar
STRAILER
  • CERTIFIED EXPERT
  • 53,854 POSTS
I noticed the Denso replacement comes with 8 ounces of oil in it. did you add oil when doing the job? Check out the diagrams (below). Please run this test and get back to us.
Sep 10, 2019 at 10:45 AM
Avatar
KEITH WARKENTIN
  • MEMBER
  • 23 POSTS
Not sure which test you are referring to? Apparently the Murray compressor I installed comes pre-charged with 3 ounces of oil (not 8 as you said the Denso does), and after flushing the condenser, and replacing the accumulator, and having blown pressure off at the compressor several times.. I have added approximately 6 ounces total.. which means that (if anything) the system would be low on oil.
Again, is there some symptom causing you to believe that the system can work completely normally, blowing cold, with no issues...except randomly goes high, when stopped at Idle...apparently with less air flow...and the system cuts off (again now with the new high pressure transducer, instead of blowing the pressure relief.) until you start moving again, and the pressures go back to normal?
Sep 10, 2019 at 1:22 PM
Avatar
STRAILER
  • CERTIFIED EXPERT
  • 53,854 POSTS
You cannot get the oil out of the system it sits in all the low spots, I would judge the systems oil by inspection. Open the low side hose and look inside if it is super oily you have too much. Please undo the low side and upload a video or picture of the inside of the tube for me please. It is the only thing that can cause this issue.
Sep 11, 2019 at 10:04 AM
Avatar
KEITH WARKENTIN
  • MEMBER
  • 23 POSTS
So to answer all the questions, I got about 3 drops of oil from the compressor end of the low side hose, as shown, there was about a drop on the orifice tube...the video is of me putting 150 pounds of shop air through the condenser to see if any oil would come out, which it did not...as noted on the white paper...the only oil was from the orifice tube sitting on it prior to blowing out the condenser.
If there were too much oil, I should have gotten some from the condenser...as that is one of the places oil will puddle.
Your suggestion that oil going through the orifice tube would cause the random high pressure should require there to be significant oil running through the system...yet that is not what I find.
I cannot find any other suggestion that oil will cause this...usually it causes a performance issue.
Sep 11, 2019 at 12:39 PM
Avatar
STRAILER
  • CERTIFIED EXPERT
  • 53,854 POSTS
Thanks for the pictures and video, the oil looks good, I will put this one out to the community to see what comes back but, does the clutch fan kick in can you hear it come on? The only other thing that can cause this is high temperatures. Only can you not fill the system all the way to see how it performs? Just a little to much Freon can cause this as well.
Sep 12, 2019 at 9:35 AM
Avatar
ASEMASTER6371
  • CERTIFIED EXPERT
  • 52,796 POSTS
Okay, first, Can you recover the Freon from the system and see how oil comes out after it is recovered?

I do not think it is an oil issue as it would do it all the time not randomly.

On the pressure switch, was there a color on the old one? A lot of the high-pressure switch came in colors. The colors were for the open circuit pressure. Some were high, some were low. The compressor should kick off at 375. The compressor blow-off is 425.

I almost sound like there is a piece of debris floating around the high side that causes a blockage at times.

What is the low pressure?

Roy

Sep 12, 2019 at 10:03 AM
Avatar
WRENCHTECH
  • CERTIFIED EXPERT
  • 20,761 POSTS
The issue here is the pressure is intermittently spiking. There are a couple of causes for this.
First and foremost, these condensers are bypass type and cannot be flushed. It may appears to be clear because your air is flowing freely but in reality the condenser can be 90% blocked and still appear that way due to design.
The other thing I have seen numerous times is the discharge hose being ruptured internally and "flapping" causing an intermittent blockage. I have even seen this happen when the pressures appear normal due to the location of the service port being downstream of the obstruction.
The third thing is I believe this fan is Pulse Width Modulated so use the scan tool to test that it is capable of switching to high speed.
Sep 12, 2019 at 10:17 AM
Avatar
HMAC300
  • CERTIFIED EXPERT
  • 113 POSTS
to me it sounds as if the screen at orfice which on older models was replaceable. partially blocked or getting that way.
Sep 12, 2019 at 11:28 AM
Avatar
WRENCHTECH
  • CERTIFIED EXPERT
  • 20,761 POSTS
A plugged orifice will not cause high discharge pressure. It's on the suction side of the system.
Sep 12, 2019 at 11:30 AM
Avatar
BMDOUBLE
  • CERTIFIED EXPERT
  • 1,139 POSTS
It's also possible to have the dessicant come out of the receiver drier and clog part of the system, and also the rubber lines can come apart from the inside. Just a thought.
Sep 12, 2019 at 11:43 AM
Avatar
KEITH WARKENTIN
  • MEMBER
  • 23 POSTS
Well, I'm expecting these are different A/C systems...so the fan clutch is old style belt driven mechanical...not computer controlled, and high pressure specifications (not a colored switch) show it cuts off the compressor at 429PSI(I previously said 426 in error), and blow off is well over 500, as it hit 525PSI and had not yet blown off, before I shut it off...the thought of debris in the system is why I activated the compressor with the orifice tube out, high side open(low pressure switch jumped), and used my thumb to create pressure, then let it blow out freely. This was to make sure there was nothing backing up behind the Orifice tube causing this issue. Next, the pressure spike shows on the gauges, which are in the same aluminum assembly, so high and low are only separated by a single connection, which holds the orifice tube...no rubber lines in between, and if that were the cause, it would not show on the gauge.
The one time I was able to see it happen in the shop, it was freshly charged at idle, and the pressures began to climb. I watched it go to over 500psi, then heard (and felt) the fan begin to pull more air, and the pressures all dropped to normal.
Currently, with the new AC Delco high pressure transducer, it has cut the compressor instead of blowing off the pressure, but the last time was 2 days ago...currently the system seems to be working normally most of the time, yet still occasionally has this failure. It seems to be an airflow issue...like the fan clutch (which is new, attempting to fix this issue) just doesn't pull enough on occasion, but the truck itself never gets hot, and I can hear it kick in hard when the temp gets barely above the normal mark. This is just a drive you up the wall issue...but at least it's my truck instead of a customers...lol...this has been going on quite awhile, but I previously didn't know the cause...since it would only tell my on the MODIS scanner that under that PID that the a/c was "not granted" but did not tell me why. After it blew off the pressure, I finally saw what was happening, and have a better understanding of the system...but still have no answer as to why,
Sep 12, 2019 at 12:09 PM
Avatar
KEITH WARKENTIN
  • MEMBER
  • 23 POSTS
Orifice tube can cause high pressures..as it it the dividing point between high and low sides, and is actually what gives you a pressure difference. On an expansion block system, that is what does it...
If you have a plugged O-tube the pressure will definitely be high...but all the time...not random.
Sep 12, 2019 at 12:13 PM
Avatar
WRENCHTECH
  • CERTIFIED EXPERT
  • 20,761 POSTS
Low air flow and a plugged condenser have the exact same result and symptoms. I would never change a failed compressor without changing the condenser. As I stated, it cannot be flushed.
Sep 12, 2019 at 12:15 PM
Avatar
WRENCHTECH
  • CERTIFIED EXPERT
  • 20,761 POSTS
Quote--Orifice tube can cause high pressures. As it it the dividing point between high and low sides, and is actually what gives you a pressure difference.

No it can't because with no refrigerant flow through it, the compressor has nothing to pump up pressure with and the result extremely low suction side pressure and stagnant head pressure. I live in south Florida and have specialized in AC repairs most of my career.
Sep 12, 2019 at 12:18 PM
Avatar
KEITH WARKENTIN
  • MEMBER
  • 23 POSTS
WRENCHTECH Quote-"No it can't because with no refrigerant flow through it, the compressor has nothing to pump up pressure with and the result extremely low suction side pressure and stagnant head pressure. I live in south Florida and have specialized in AC repairs most of my career. "
https://www.freeasestudyguides.com/ac-clogged-orifice-tube.html
"A clogged orifice tube is typically caused by compressor failure. When this happens, little pieces of metal and aluminum shrapnel will be found in the tube's screen filter. If the filter’s filled with white or brownish debris, the desiccant bag in the accumulator has broken, sending desiccant throughout the system. This restriction will cause high high side system pressures. Restrictions result in frost forming around the restricted area."

or you might like this one better...https://www.fixmyoldride.com/orifice-tube-automotive-air-conditioning.html
"More specifically the low side will show below normal low pressure readings. An inexperienced mechanic just reading the low pressure side might think that the Freon level is low. However, when you have a high side gauge connected and the tube is blocked you'll see higher than normal high side pressure readings.

A low pressure reading below specification and high pressure readings above what’s expected is a sign that this orifice tube needs a visual inspection. This means the system must be recovered and the part physically removed."

I also have worked on these systems most of my life...the above quotes are from the web sites noted...you don't have to take my word for it...but the low side can go well below zero with a plugged system, and the high side be higher than normal at the same time. I am an ASE master technician, and have been for the last 27years...I'm not a rookie to this game.
Sep 12, 2019 at 1:51 PM
Avatar
WRENCHTECH
  • CERTIFIED EXPERT
  • 20,761 POSTS
OK, I'll just back out of here then. Good luck.
Sep 12, 2019 at 1:58 PM
Avatar
ASEMASTER6371
  • CERTIFIED EXPERT
  • 52,796 POSTS
Keith.

Ok, let us back up.

Back in the beginning, I saw what you did.

Did you replace the condenser? When the pressure jumped up, did you try spraying down the condenser with a garden hose to see if the high side nose dived?

Roy
Sep 12, 2019 at 2:05 PM
Avatar
KEITH WARKENTIN
  • MEMBER
  • 23 POSTS
As far as the condenser, the temperature readings were uniform across the surface...no hot or cold spots. I am not sure I am following what you are suggesting about the condenser...are you talking internal or external blockage? Externally, it is pretty clean with no blockages, and internally should show with a heat gun...and it does not.
Was your suggestion that the condenser is designed the same as a radiator? Where it can flow freely wherever it wants? essentially with tanks on each end? It does look similar to that, but both inlet and outlet are on the same end, so there must be divisions that are not visible...as shown in the image...there are baffles in the design This image shows 3 sections, but to say it could be 90% plugged and still have normal flow seems odd to me...
Sep 12, 2019 at 2:12 PM
Avatar
KEITH WARKENTIN
  • MEMBER
  • 23 POSTS
Roy, that is the issue...I can pretty much never get it to act up in the shop...when I did get it to do so, the one time I killed it before it blew off at about 525 psi, the other is when the fan started pulling more air, and the pressures dropped to normal.
So no, the condenser has not been replaced, but I did use a temp gun and confirmed it was pretty even across the whole surface. (but again, this is when it was acting normal...)
It seems it MUST be air flow...but it is not often enough to know when it is going act up...
as stated...at idle, after a short drive,,,cold or hot...usually after sitting at a stop light for a few minutes...currently it goes to what I refer to as "swamp cooler mode" AC gets humid, and warm, as the compressor cuts out...until I start moving again. Then back on and normal cooling again.(note-condenser and radiator have been blown out, but were just mildly dusty.)
Sep 12, 2019 at 2:21 PM
Avatar
ASEMASTER6371
  • CERTIFIED EXPERT
  • 52,796 POSTS
Okay, Keith. I saw one thing in your responses. The fan clutch is a normal one that is belt-driven.

A couple of responses ago, you stated at 500 you heard or felt the fan come on and the pressure dumped to normal.

Did you replace that clutch for the fan? It sounds like it is kicking in way too late.

I agree with the orifice tube.

Roy
Sep 12, 2019 at 3:09 PM
Avatar
STRAILER
  • CERTIFIED EXPERT
  • 53,854 POSTS
Are you using new refrigerant not reclaimed? Wet refrigerant will cause this as well.
Sep 13, 2019 at 10:10 AM
Avatar
KEITH WARKENTIN
  • MEMBER
  • 23 POSTS
Yes...long thread, but I had previously noted that the fan clutch is brand new...
What it acts like is that, as the old school clutches did, it is freewheeling too much, after it has run a little bit. This will even happen right after startup. On occasion, I have started it up and driven out of my shop driveway(so about 100 or so yards) and stopped at the signal, where it blew off the pressure. Other times I have driven days without an issue, then it just does it...so while it is unpredictable as to when, the circumstances are always the same...pulled up to an extended stop. Yes, it is new Freon, and the machine is pretty new...6 to 8 months old.
Now that it is back to occasionally cutting the compressor, it is not quite so annoying as losing Freon...but it still seems there must be an answer to this issue.

Sep 13, 2019 at 1:49 PM
Avatar
ASEMASTER6371
  • CERTIFIED EXPERT
  • 52,796 POSTS
Okay, I am still stuck on that fan clutch.

I would get another clutch.

Roy
Sep 13, 2019 at 5:51 PM
Avatar
KEITH WARKENTIN
  • MEMBER
  • 23 POSTS
That may be a consideration, although it was replaced in order to see if that was it...and there was nothing wrong with the last one that I know of...just throwing things at it to try to stop this issue...same reason I replaced the accumulator, and orifice tube...currently is has not cut out again for a couple days...it is an odd creature...I'll check back and keep you posted.
Sep 13, 2019 at 9:24 PM
Avatar
ASEMASTER6371
  • CERTIFIED EXPERT
  • 52,796 POSTS
Sounds good.

Roy
Sep 14, 2019 at 5:37 AM