A/C pressure transducer

1997 BUICK SKYLARK
115,000 MILES • 3.1L • V6 • 2WD • AUTOMATIC
Avatar
STEVE SAMMET
  • MEMBER
  • 9 POSTS
I have the car listed above limited model, with air conditioning. The AC had worked after driving a mile or so, then became more intermittent, finally not working at all. The compressor was replaced some two years ago.

I had checked the fuse, cleaned relay pins, checked relay making and the contact resistance.

I measured the static (not running compressor) and the pressure is ~105 psi (~85 degrees).

The air conditioner has a sensor transducer with three pins/spades on the high pressure line, near the high pressure port.

The transducer is currently plugged into the line.
I removed the plug and using my digital meter check the transducer from pin to pin, and it measured open, open, and 15.63K ohms (15,630 ohms). Please check uploaded drawing I provided below.

1. Any thoughts as to whether the pressure transducer is working properly?
2. Is the AC circuitry connected to the computer?

Any other thoughts concerning the problem?

Thanks for your time and efforts.

Steve Sammet
Jun 14, 2018 at 1:01 PM
Advertisement
Avatar
ASEMASTER6371
  • CERTIFIED EXPERT
  • 52,796 POSTS
Good afternoon.

There is no uploads on your post. Try reloading them.

The transducer should have voltage. Can you verify that voltage?

When you checked the relay, was there power at two terminals with the key on?

Also, I need high and low side pressures.

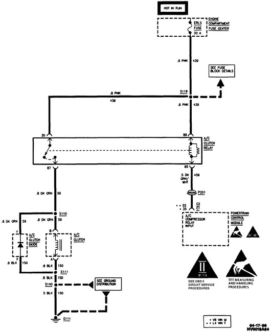
I attached a wire diagram for you to view.

Roy
Jun 14, 2018 at 2:58 PM
Avatar
STEVE SAMMET
  • MEMBER
  • 9 POSTS
I tried uploading a jpeg file twice but the upload did not work.

I turned on the ignition, turned on the AC switch.

1. On the three pin pressure transducer, there was 5.11 volts on one pin. The other pins read essentially zero, 0,05 volts.

2. I pulled the relay that has pins labeled 30, 87, 87A. 12.3 volts only read on pins 87 and 87A. No voltage on pin 30.
3. I do not have a high pressure gauge, and the compressor does not run anyway, so should the pressure not be the same through out the system? If I am wrong, please correct me and my apology.

steve
Jun 14, 2018 at 3:35 PM
Advertisement
Avatar
STEVE SAMMET
  • MEMBER
  • 9 POSTS
Image is incorrect, so forget it.
Steve Sammet
Jun 14, 2018 at 3:37 PM
Avatar
STEVE W.
  • CERTIFIED EXPERT
  • 15,113 POSTS
Do not see an image, but that is a variable resistor you are testing. It should show a resistance value between all three terminals. If you are testing the connector end you should have one pin that is ground, one pin that is "open" (that will be the signal out of the switch) and one that shows a voltage (5 volts) with the key on.
However, there is no specification for it as the testing is done by reading the voltage it sends to the body control module using a scan tool.
If you want to try testing the voltage at the sensor you can. Use a thin probe and test the voltage off the signal pin by back probing the connector. A voltage of over 4.27 (pressure over 414 psi) or under .35 volts (below 35 psi) will keep the system off. If you do the math you can use the voltage to get a rough idea of system pressures, basically every tenth of a volt equals approx.10 psi in the system.
So your 105 psi should show as about 1.05 volts.

As for being connected to the computer. Yes, very connected. The system uses the dash control to tell the instrument panel that you want AC on. That signal is then sent to the body control module which reads the pressure sensor and informs the Powertrain Computer of the request. The PCM reads the pressure sensor and exterior temperature and turns on the AC clutch. It then monitors the pressures and temperatures in the system to cycle the compressor on/off as needed.

However, your resting 105 psi seems high. A general rule of thumb in an R134A system is that the "resting" pressure is roughly equal to ambient temperature, however if the engine was running or out in the sun it could read higher.
Jun 14, 2018 at 3:50 PM
Avatar
STEVE SAMMET
  • MEMBER
  • 9 POSTS
Thanks for the information Steve. I am an electronics engineer, so I understand what you are saying. The resistance varies with the pressure applied. I am now going to try the voltage measurements, so it will take a few minutes. Sensor is ok, being old and sometimes dumb, I screwed up the sensor measurement.

Cheers,
Steve
Jun 14, 2018 at 4:08 PM
Avatar
STEVE SAMMET
  • MEMBER
  • 9 POSTS
Measured 1,2 volts, 1.2 volts. Comma seems easier to read. 73 degrees out now. Was 75 or so. I did have the dash cluster (speedometer, gas etc) board replaced three or four years ago. Thoughts Steve?

Jun 14, 2018 at 4:23 PM
Avatar
STEVE SAMMET
  • MEMBER
  • 9 POSTS
Steve, I have an appointment that I have to attend to, so can we, or another resume tomorrow around 2:30pm?

Thanks and your help is much appreciated. Back tomorrow.

Steve
Jun 14, 2018 at 4:52 PM
Avatar
STEVE W.
  • CERTIFIED EXPERT
  • 15,113 POSTS
Whenever you wish. No appointment needed.
Jun 14, 2018 at 5:27 PM
Avatar
STEVE SAMMET
  • MEMBER
  • 9 POSTS
This is for your memory banks for future help to others.

The other relay I checked had different numbers, but I checked the other relays and they also had pins labeled 30, 87, 86, 85.

So I checked all of them, and they clicked, and measured zero contact ohms. All good relays, right? ARG!

So I just decided to short 30 to 87 and found the clutch relay, and the clutch worked. I had been testing the fan relay. ARG.

Next, I swapped relays and restarted the motor.
The engine choked, gasped, chuckled and shut off. So I reversed the two relays and the motor ran fine again.

So I purchased another relay and plugged it in and heard clutch click, engine load, and cold air. Ah.

Ran at max and max fan and high pressure sensor voltage climbed to 2.72 volts.

Is that a good reading?

Cheers and thanks for your help Steve and gents. Suppose to reach mid to upper nineties this weekend, so repair just in nick of time.

Steve

Jun 15, 2018 at 3:22 PM
Avatar
STEVE SAMMET
  • MEMBER
  • 9 POSTS
Again, I see just because a relay measures good does not mean the relay is good.

My 2.72 volts was at max air/fan, but engine was at idle. Will it change much when driving the interstate, or just engine rev for awhile? Think it is charged too much?

Cheers,

Steve
Jun 15, 2018 at 3:34 PM
Avatar
STEVE W.
  • CERTIFIED EXPERT
  • 15,113 POSTS
That pressure should be okay if the temperature was high 80-90 degrees.
Yep, relays can be a pain.
The numbers on 99% of them will be the same 30, 87, 87A, 86, 85 on a SPDT relay
85 and 86 are the coil, 30 contact pivot, 87 normally open contact, 87A normally closed contact. However, there are versions with diodes or resistors across the coils as well as some with diodes across the contacts.
Was going to suggest a bad relay as that is a common failure item. Glad you found it and thank you for using 2CarPros. Return anytime with your automotive questions.
Jun 16, 2018 at 12:46 AM
Avatar
STEVE SAMMET
  • MEMBER
  • 9 POSTS
I just wanted to say thanks again Steve and Gents.

I am going to replace the other relay as well, just to be on the safe side.

Cheers and have a great weekend.

Steve
Jun 16, 2018 at 6:14 AM