☰
Login
Join
×
Home
Answered Questions
Repair Topics
Repair & Service Guides
Popular Questions
Warning Lights
Trouble Codes
How It Works
Testing / Diagnostics
Symptoms
Videos
Login
Become a Member
Home
Ford
F-250
Climate Control
Air Conditioner
Not Working
A/C not working clutch not engaging
2000 FORD F-250
150,000 MILES • 7.3L • TURBO • 4WD • AUTOMATIC
DAVID LYONS2
MEMBER
3 POSTS
FOLLOW
A/C not working. vacuum was replaced. system pressure is good, no leaks. so with clutch not engaging. what could it be a switch or relay?
Jun 7, 2019 at 3:35 PM
Advertisement
ASEMASTER6371
CERTIFIED EXPERT
52,796 POSTS
Good evening,
Can you give me the pressures on both the high and low side? I need those readings.
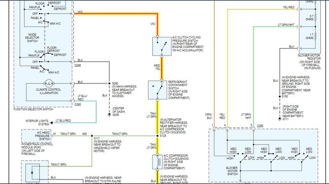
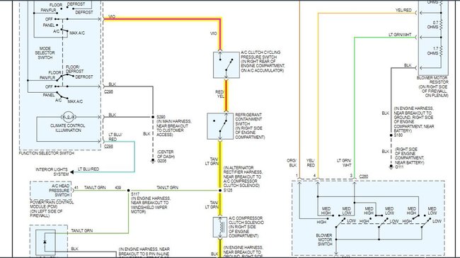
I will attach a wiring diagram for you to view.
Roy
Images (Click to enlarge)
Jun 7, 2019 at 4:31 PM
DAVID LYONS2
MEMBER
3 POSTS
Don’t have the readings they were done earlier this week by a mechanic.
Jun 7, 2019 at 5:52 PM
Advertisement
DAVID LYONS2
MEMBER
3 POSTS
But I know he did, they were fine.
Jun 7, 2019 at 5:53 PM
ASEMASTER6371
CERTIFIED EXPERT
52,796 POSTS
Was it okay after he checked them? If it was, you may have a leak in the system.
It would be good if you could get those readings for me so I can help you.
Roy.
Jun 7, 2019 at 5:57 PM