A/C air not flowing correctly?

2010 INFINITI G37
70,000 MILES • 3.7L • V6 • 2WD • AUTOMATIC
Avatar
YEEZUS00
  • MEMBER
  • 2 POSTS
I was having problems with my A/C only blowing through the bottom vents at the feet. i have replaced all actuators and still only blows at bottom vents. What's the next step i should take into solving this problem?
May 13, 2023 at 5:47 PM
Advertisement
Avatar
STRAILER
  • CERTIFIED EXPERT
  • 53,854 POSTS
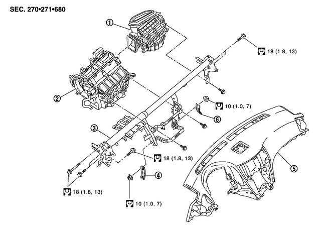
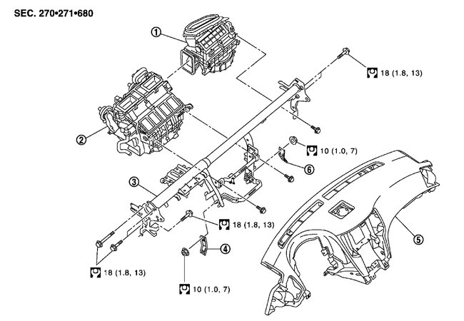
Sure, the mode actuator has gone out which is common here are the instructions on how to replace the unit in the images below. Check out the images (below). Let us know what happens and please upload pictures or videos of the problem so we can see what's going on.
May 15, 2023 at 10:58 AM
Avatar
YEEZUS00
  • MEMBER
  • 2 POSTS
i have already replaced all actuators and still blows only at bottom vents.
May 15, 2023 at 11:07 AM
Advertisement
Avatar
STRAILER
  • CERTIFIED EXPERT
  • 53,854 POSTS
When the actuator was off did you move the blend door pivot by hand to see if the air flow changes? This guide can help you see what I am talking about. Also did you check the fuses with the key on?

https://www.2carpros.com/articles/replace-blend-door-motor

and

https://www.2carpros.com/articles/how-to-check-a-car-fuse

Please go over these guides and get back to us.
May 16, 2023 at 12:12 PM