A/C not cold at idle

2008 VOLKSWAGEN RABBIT
147,000 MILES • 2.5L • 4 CYL • 2WD • AUTOMATIC
Avatar
ALLSTARCJ
  • MEMBER
  • 1 POST
At highway speed or over 45+ mph the A/C blows cold, but as soon as I come to a stop/idle A/C start to blow warm. I ran numerous of test for this problem. Both radiator fans work, compressed works, I have the right amount of refrigerant in the system, and no leaks. So that brought me to replace my A/C condenser which was clogged full of dirt and debris and a few damaged on it. After replacing the condenser I still have the same problem. What should I do next?
Jul 17, 2018 at 4:20 AM
Advertisement
Avatar
STRAILER
  • CERTIFIED EXPERT
  • 53,854 POSTS
Hello,

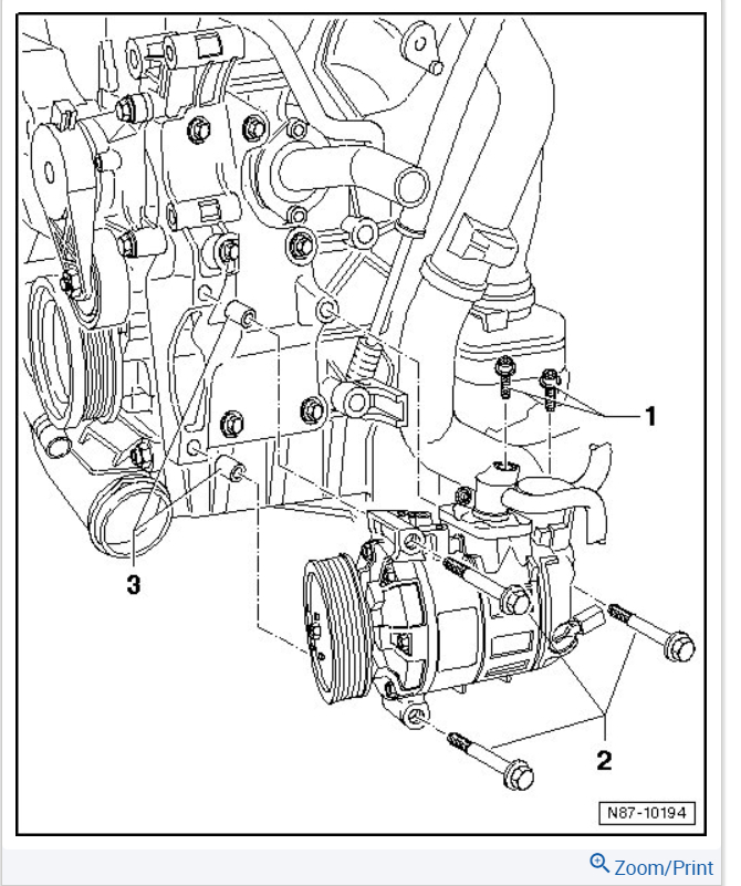
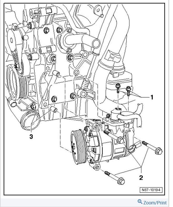
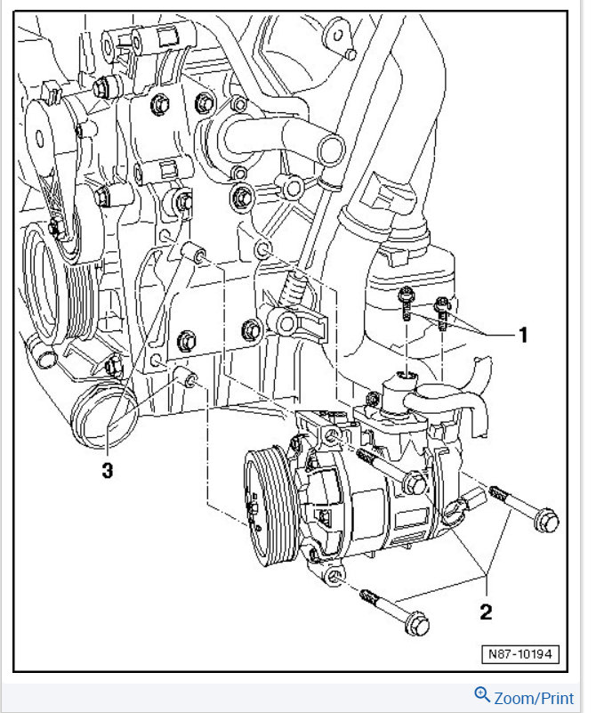
This usually happens because the compressor seal are going out and only pump enough Freon at higher engine speeds. Here is a guide to help you see what you are in for when doing the job with diagrams on how to do the job on your car:

https://www.2carpros.com/articles/replace-air-conditioner-compressor

and

https://www.2carpros.com/articles/re-charge-an-air-conditioner-system

Check out the diagrams (below). Please let us know what happens.

Cheers, Ken
Jul 18, 2018 at 5:49 PM
Avatar
STEVE W.
  • CERTIFIED EXPERT
  • 15,113 POSTS
That sounds a lot like a weak compressor. Put a gauge set on it and see if you have a low side pressure around 30-45 psi and 170-190 on the high side (depends on outside air temperature).

Another test would be to turn on the AC and set inside and rev the engine up to 2,000 rpm and see if you get cold air then.

The other option would be if the blend door is broken and at higher speeds the airflow is affecting it but that would be rare. To see if that is the case without digging to get to the door you could clamp off the heater hose to block hot coolant from the core, if you now cave cold AC there is a problem inside the case.
Jul 18, 2018 at 6:22 PM
Advertisement