New Denso A/C compressor will not charge

2018 CADILLAC ESCALADE
100,000 MILES • 6.2L • V8 • 4WD • AUTOMATIC
Avatar
AMFAB1986
  • MEMBER
  • 2 POSTS
I installed a new Denso A/C compressor, but now it will not take a charge, it's got no Freon in it. so, I'm not sure why it won't take the charge. thank you for your help. Mike
Jun 4, 2022 at 2:16 AM
Advertisement
Avatar
KASEKENNY
  • CERTIFIED EXPERT
  • 18,907 POSTS
Normally this is due to it not building pressure so that it cannot pull freon in and charge the system.

However, we need to start with finding out if the compressor even kicks on. If it doesn't then that is why it is not pulling any freon in.

Normally there is enough that will force in from the can that will cause the compressor to kick on but if it is not then we need to jump power to the compressor and force it on.

This way we can get the pressures once we get some Freon in it.

https://www.2carpros.com/articles/re-charge-an-air-conditioner-system

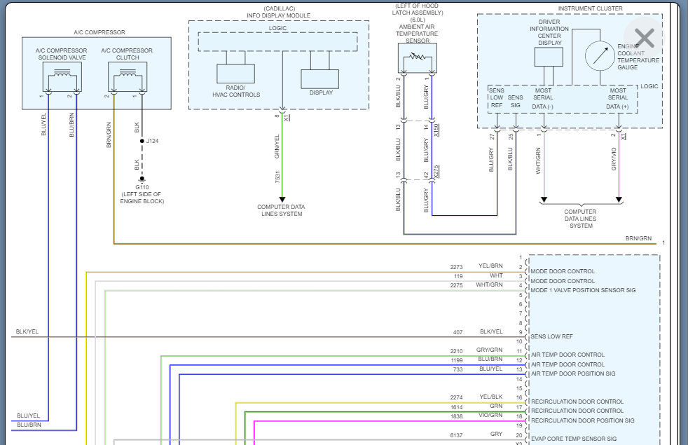
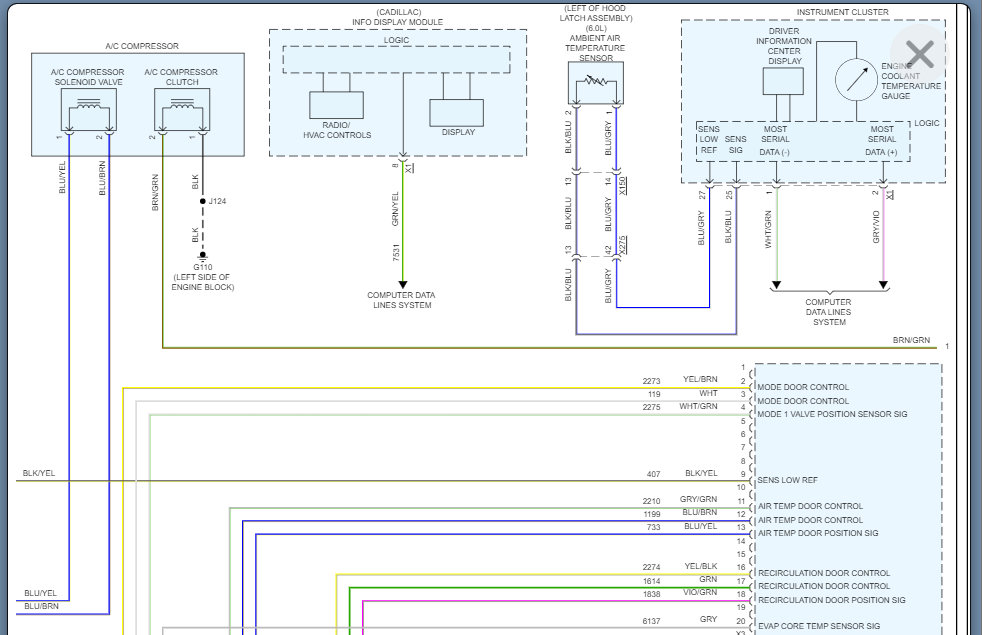
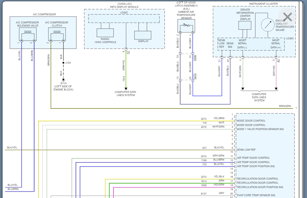
We need to remove the relay and jump it and find out if it comes on.

I am attaching the wiring diagram. However, once we know there is freon in it we need to check the pressures as we may have a blockage in the system.

When you replaced the compressor was there metal that went through the system from the failed one that you replaced?

If so, the orifice tube and accumulator will need to be replaced as well and the system flushed but not through the compressor.
Jun 4, 2022 at 5:28 PM
Avatar
AMFAB1986
  • MEMBER
  • 2 POSTS
Thank you for your response and your expertise in this area, I'll let you know when it's done what it ended up being, for your information to further help others in these areas. God bless, Mike
Jun 4, 2022 at 5:51 PM
Advertisement
Avatar
KASEKENNY
  • CERTIFIED EXPERT
  • 18,907 POSTS
You are welcome. I had another thought too. If you want to remove the connection points, you can blow air through the lines and parts, and you should have little resistance in the different parts like the condenser and evaporator. Then basically no resistance when you blow through the lines.

Let us know. Thanks for the update.
Jun 4, 2022 at 5:57 PM