A/C Fans do not turn on in positions 1 - 3?

1999 CHEVROLET MALIBU
168,000 MILES • 3.1L • V6 • 2WD • AUTOMATIC
Avatar
3100SFILOVER
  • MEMBER
  • 1 POST
They do turn on in positions 4 and 5, and they work like normal in those two positions. Switching between A/C and heat, and also switching the positions where the air blows out (i.e. blowing on your feet vs. in your face) does not cause the fans to kick on either in positions 1 - 3. When I turn the knob to position 1 - 3, I can still hear the A/C compressor kick on, so I know that the compressor still blows cold air. Yesterday this problem started with positions 1 - 2, tonight position 3 stopped working too. What could cause this issue, and what is the cheapest way to tackle this issue? Would replacing the whole climate control module possibly solve this? They are roughly $200.00 and I want to tackle the cheaper possibilities first. Thank you for your time and assistance.
Jan 23, 2023 at 4:15 PM
Advertisement
Avatar
JACOBANDNICKOLAS
  • CERTIFIED EXPERT
  • 110,175 POSTS
Hi,

What you described sounds like the blower motor resistor has failed. When they fail, oftentimes the blower motor will only work in the high-speed position. If I understand correctly, that is what is happening for you.

Also, the idea that you hear the compressor engaged tells me the controller/switch is working.

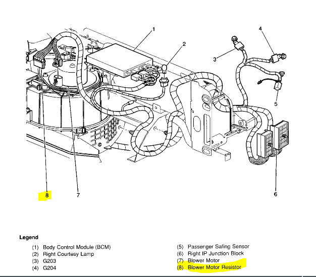
Based on what is happening, I would replace the blower motor resistor. It is located under the dash on the passenger side and is mounted to the HVAC box. See pic 1 below.

The remaining pics are the directions for replacing the resistor.

Let me know if this helps or if you have other questions.

Take care,

Joe

See pics below.
Jan 23, 2023 at 6:51 PM