A/C fan, heat and defroster not working

2001 OLDSMOBILE INTRIGUE
80,000 MILES • V6 • 4WD • AUTOMATIC
Avatar
MAKAVELI801
  • MEMBER
  • 5 POSTS
About a year ago I had to replace my blower motor resistor. Then after about a year it turned bad again and replaced it but was having it intermittently work again. Proceeded to replace the blower motor but didn't work. I sent the motor that I just bought back as it wasn't a clip style like the resistor took. Replace the resistor again and started working for a short while. Now it's doing it again and bought new resistor/blower motor and not getting anything only when I bang on dash. Maybe it's the fuses? I've plugged and unplugged the ones that connect to the A/C, fan checked the see through ones. What might it be? any help would be appreciated. I have been trying to fix now for a while. I don't mind not having the A/C or heat just have to have defrost before winter comes.
Sep 5, 2020 at 7:17 PM
Advertisement
Avatar
JACOBANDNICKOLAS
  • CERTIFIED EXPERT
  • 110,175 POSTS
Hi,

If you can make it turn on when you hit the dash, chances are it isn't a fuse. However, it could be a faulty ground.

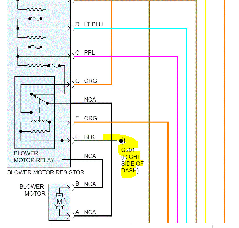
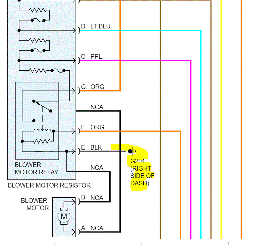
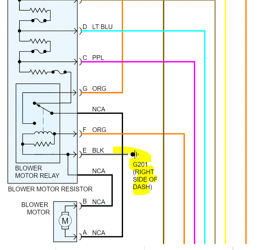
I attached a pic below of the blower motor resister wiring. I highlighted the ground which indicates location. At the resister plug, there should be a black wire. Using a multi meter, check to see if there is continuity to ground. If there is, move the wire around to see if it changes.

If there is no continuity, then check the ground itself under the dash.

Let me know if this helps or if you have other questions.

Take care,
Joe
Sep 5, 2020 at 7:40 PM
Avatar
MAKAVELI801
  • MEMBER
  • 5 POSTS
I tried that on the ohm settings and got nothing I was assuming you meant the black and red connectors from the resistor. A weird thing happened when i unplugged the resistor my Bluetooth connection was disabled. Unplugged my stereo. A few years back my car was broke into and the lady who was trying to hack my car ruined my ignition so I had to replace the ignition and key. The weird thing is that when I jiggled the ignition it would start and stop and a switch in back would go up and down.
Sep 6, 2020 at 2:03 PM
Advertisement
Avatar
JACOBANDNICKOLAS
  • CERTIFIED EXPERT
  • 110,175 POSTS
Hi,

That doesn't make sense (Bluetooth). Something is telling me there is a loose ground ad some point. As far as the check, yes the multi meter should be set on ohms. At the connector, place one end of the tester to where the black wire is locate and the other end should be to a known good ground. That way we will know if there is continuity to ground.

As far as the ignition switch, has that problem been taken care of?

Joe
Sep 6, 2020 at 7:43 PM
Avatar
MAKAVELI801
  • MEMBER
  • 5 POSTS
Yes, I'm not getting anything out of the resistor. Only getting power to it when I wiggle the ignition.
Sep 6, 2020 at 10:00 PM
Avatar
JACOBANDNICKOLAS
  • CERTIFIED EXPERT
  • 110,175 POSTS
Okay, it sounds like you have a couple different issues. You should have continuity to ground and you don't. That is one problem. As far as power, have you checked if anything is loose?

I attached a pic below of the ignition switch (dash mounted). There are two bolts that hold the switch assembly to the mounting bracket. (circled). Check if they are loose. Next, check the wiring to the switch to make sure they are tight. (highlighted).

Just to reconfirm, the black wire which is part of the harness to the resister. If you disconnect the connection and probe the wire in the harness to check for continuity, there is none, correct?

Let me know.

Joe
Sep 7, 2020 at 7:58 PM
Avatar
MAKAVELI801
  • MEMBER
  • 5 POSTS
Yes, correct wasn't reading anything. I watched a YouTube video saying that my ignition starter assembly might be bad. The 2 bolts there are fairly tight and I tightened the bottom one more. I only replaced the ignition lock cylinder when the lady broke into my car. I might try to just replace the ignition switch and see what happens.
Sep 7, 2020 at 8:15 PM
Avatar
JACOBANDNICKOLAS
  • CERTIFIED EXPERT
  • 110,175 POSTS
Hi,

It may not be a bad idea. Are all of the wiring connectors tight and undamaged?

____________________________________

As far as replacement, here are the directions. The attached pics correlate with these.

____________________________________

2001 Oldsmobile Intrigue V6-214 3.5L VIN H SFI
Ignition Switch - Dash Mounted
Vehicle Starting and Charging Sensors and Switches - Starting and Charging Ignition Switch Service and Repair Removal and Replacement Ignition Switch - Dash Mounted
IGNITION SWITCH - DASH MOUNTED
IGNITION SWITCH REPLACEMENT

REMOVAL PROCEDURE


pic 1

1. Disconnect negative battery cable.
2. Remove the radio.
3. Remove the HVAC control head. Refer to HVAC Control Module Replacement in HVAC-Manual, or HVAC Control Module Replacement in HVAC-Automatic.
4. Remove the instrument panel (IP) cluster.
5. Remove the ignition switch bezel from the ignition switch, using a small flat-bladed tool.
6. Remove the bolts from ignition switch.
7. Reposition the ignition switch for ease of removal.
8. Insert the key and turn the ignition switch lock cylinder to the ACC position.
9. Depress the transaxle park/lock cable retainer to release, then pull to remove the park/lock cable from the ignition switch.
10. Remove the ignition switch lock cylinder from the ignition switch, by depressing the retaining tab and pulling the cylinder out with the key.

IMPORTANT: The pass lock electrical connector can not be removed until the ignition switch lock cylinder is removed.

11. Disconnect the pass lock electrical connector from the ignition switch.
12. Disconnect the electrical connectors from the ignition switch.
13. Remove the ignition switch through the IP cluster opening.
14. Remove the bolts from the ignition switch to the bracket.
15. Remove the bracket from the ignition switch.

INSTALLATION PROCEDURE


pic 2

1. Install the ignition switch bracket to the ignition switch.

NOTE: Refer to Fastener Notice in Service Precautions.

2. Install the bolts to the ignition switch bracket.

Tighten
Tighten the ignition switch bracket bolts to 6 Nm (53 lb in).

3. Install the ignition switch into position through the IP cluster opening.
4. Connect the electrical connectors to the ignition switch.
5. Connect the pass lock electrical connector from the ignition switch.
6. Connect the park/lock cable to the ignition switch.
7. Install the bolts to the ignition switch.

Tighten
Tighten the ignition switch bolts to 6 Nm (53 lb in).

8. Insert the key and turn the ignition switch lock cylinder to the ACC position.
9. Align and press ignition switch lock cylinder into place.
10. Remove the key from the ignition switch.
11. Install the IP cluster. Refer to Instrument Panel Cluster (IPC) Replacement.
12. Install the HVAC control head. Refer to HVAC Control Module Replacement in HVAC-Manual, or HVAC Control Module Replacement in HVAC-Automatic.
13. Install the radio. Refer to Radio Replacement in Radio, Stereo, and Compact Disc.
14. Connect negative battery cable. Refer to Battery Negative Cable Disconnect/Connect Procedure in Starting and Charging.

___________________________________________

Let me know if this helps. Also, we need to get the ground figured out for the fan to work. It doesn't matter if there is power. Without a ground, the circuit isn't completed.

Let me know.
Joe
Sep 7, 2020 at 8:36 PM
Avatar
MAKAVELI801
  • MEMBER
  • 5 POSTS
Yup, replacing the ignition starter was the fix. something about the ground as you said was happening with the connection to my resistor.
Sep 11, 2020 at 2:55 PM
Avatar
JACOBANDNICKOLAS
  • CERTIFIED EXPERT
  • 110,175 POSTS
Hi,

I'm glad to hear you got it fixed. Electrical problems can be difficult. LOL

Regardless, please feel free to come back anytime in the future if you need help or have questions.

Take care,
Joe
Sep 11, 2020 at 7:56 PM