Where is the A/C evaporator temperature sensor located?
2004 MAZDA TRIBUTE
220,000 MILES • 3.0L • V6 • 2WD • AUTOMATIC
ARNOLDFRAC67
MEMBER
1 POST
FOLLOW
I'm looking for A/C evaporator temperature sensor location and diagram. Can't find anything about where or if it has one.
Jun 29, 2024 at 3:43 PM
Advertisement
STEVE W.
CERTIFIED EXPERT
15,113 POSTS
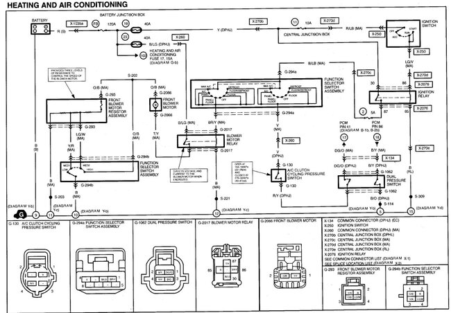
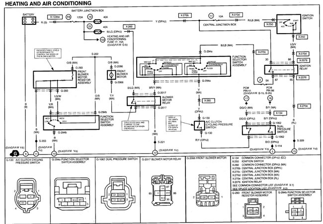
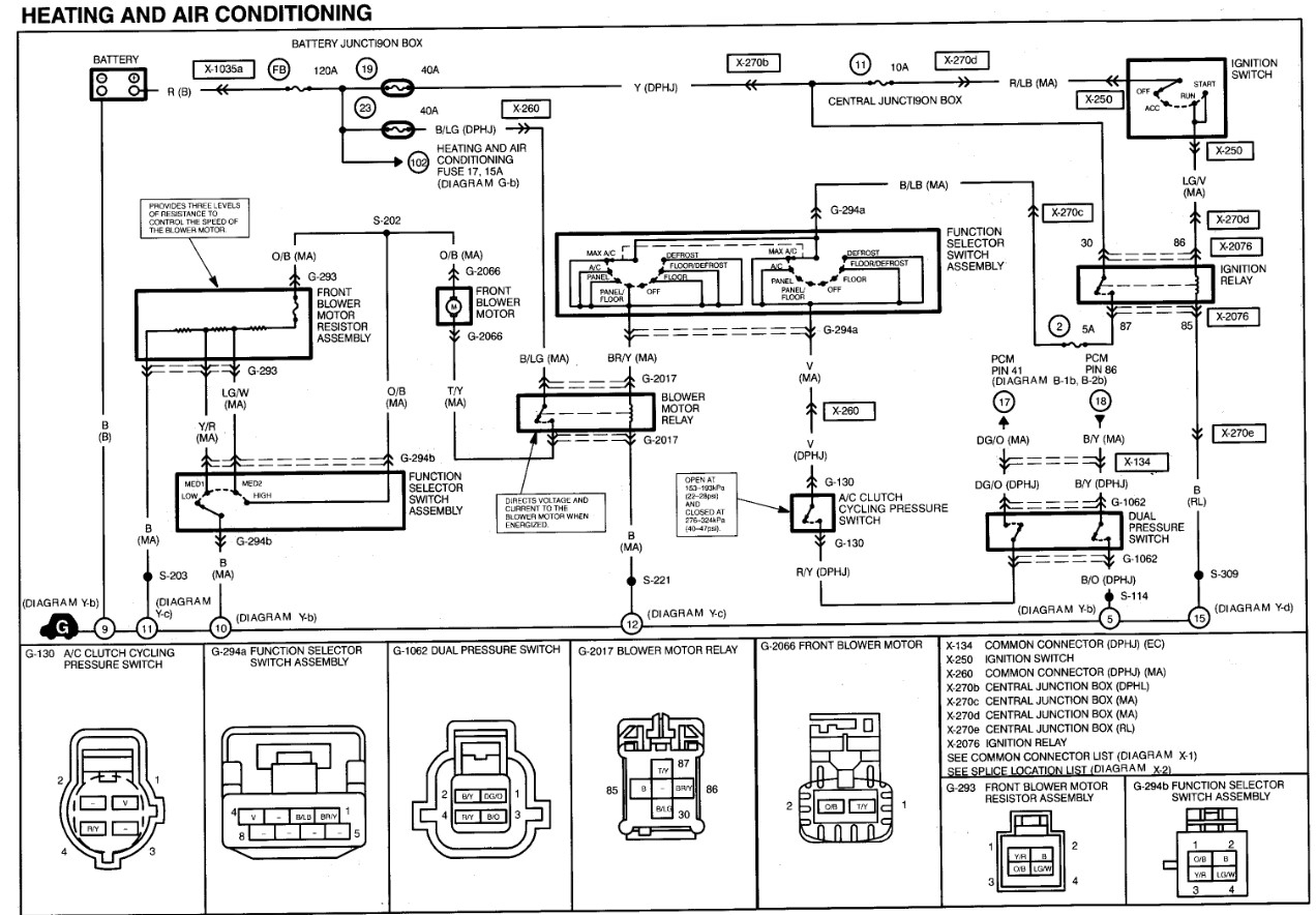
Don't see anything in service data that says it has one and nothing on the circuit diagram.
Image (Click to enlarge)
Jun 29, 2024 at 5:41 PM
ARNOLDFRAC67
MEMBER
1 POST
So, how does the computer know if the A/C is freezing up, someplace there is one. No mechanic knows anything about it. So pathetic.
Jul 5, 2024 at 11:10 AM
Advertisement
STEVE W.
CERTIFIED EXPERT
15,113 POSTS
It controls the temperature through timed cycles and pressure switches. No thermal control through anything other than the pressure switches and the cycling switch. It's a common system used on imports and earlier domestics that didn't monitor the cores. There is no thermal sensor on that vehicle.