Condenser fan

2008 DODGE NITRO
133 MILES • 4.0L • V6 • 4WD • AUTOMATIC
Avatar
JEPWO6
  • MEMBER
  • 15 POSTS
Can the coolant fan be tested through the fan relay on the car listed above? Thanks
Sep 24, 2019 at 10:05 AM
Advertisement
Avatar
STRAILER
  • CERTIFIED EXPERT
  • 53,854 POSTS
Hello,

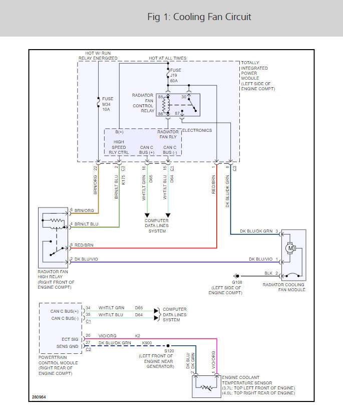
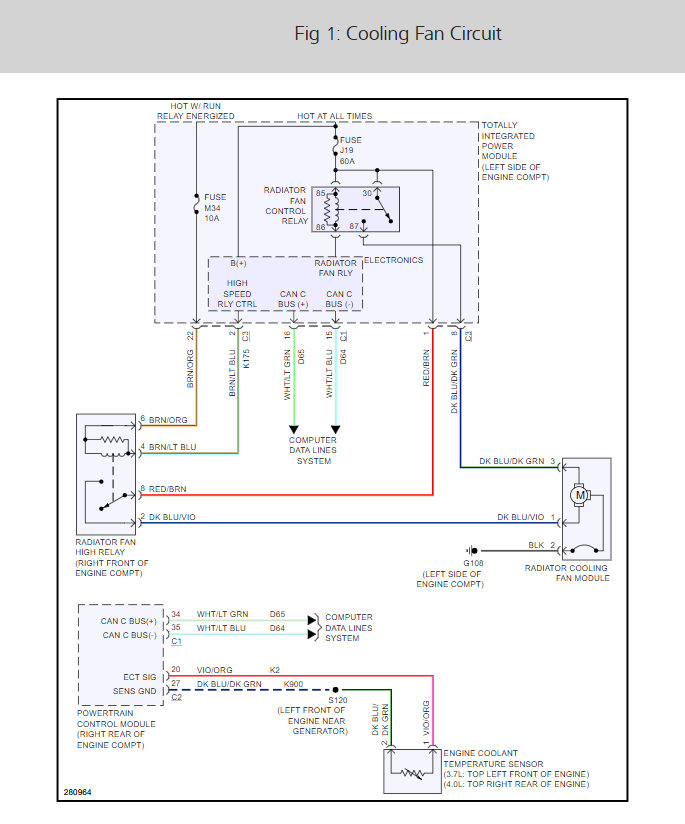
Yep, you must connect the 30 and 87 terminals of the fan relay. here is a wiring diagrams so you can see how the system works and where the relay is in the diagrams below:

https://www.2carpros.com/articles/replace-electric-fan-motor

Check out the diagrams (below). Please let us know if you need anything else to get the problem fixed.


Sep 25, 2019 at 12:57 PM