On most models the clutch can be replaced separately, but special tools are usually required. You also have to look at whether you can gain access to the snap ring on the front. You might be able to remove the compressor and turn it enough to work on without disconnecting the hoses.
Replacing the entire compressor requires recovering the refrigerant, then pumping the system into a vacuum before recharging ti. You'll need the help of a professional for that.
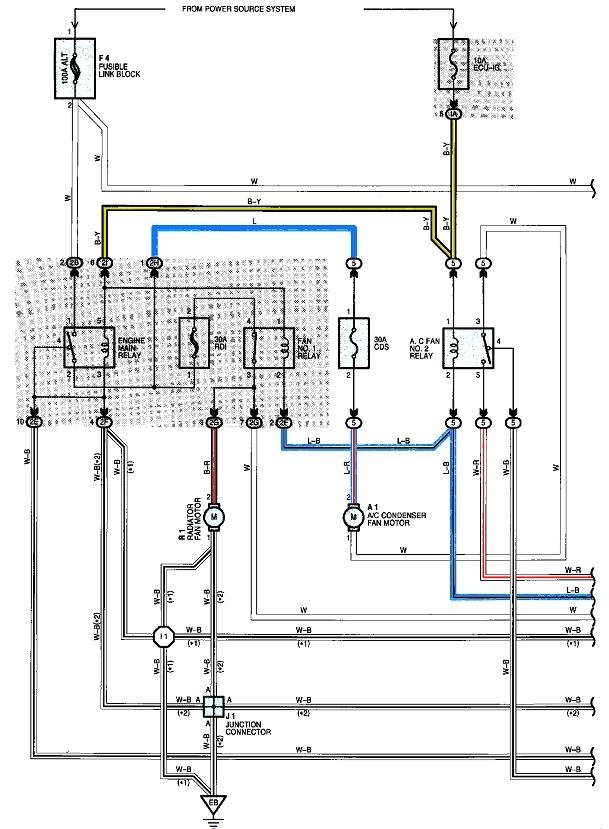
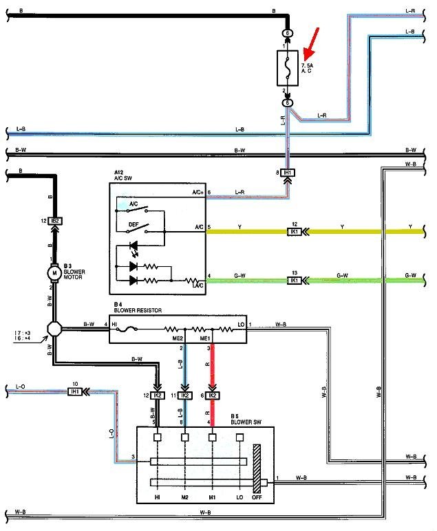
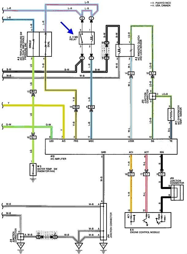
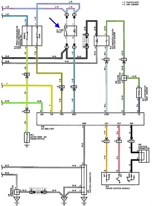
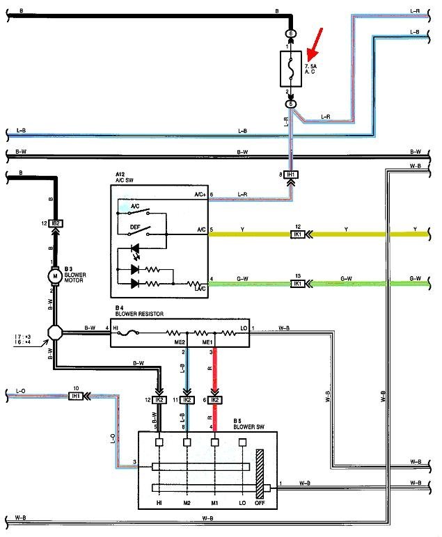
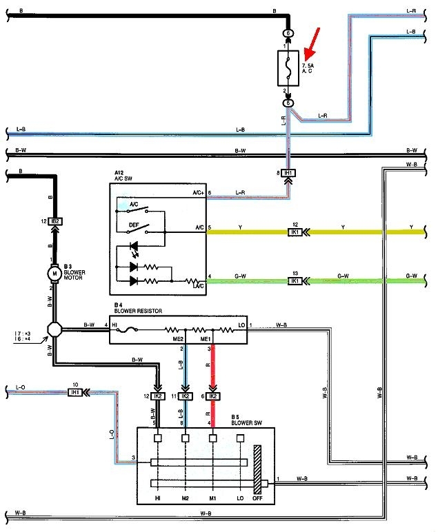
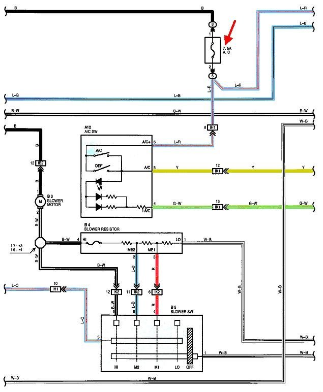
Here's the procedure for replacing the clutch coil. I'm sorry that I had to copy the drawings and text separately.
DISASSEMBLY (COMPRESSOR REMOVED)
1. REMOVE PRESSURE PLATE
a. Using SST and a socket wrench remove the shaft bolt.
SST 07112-76060
b. Install SST on the pressure plate.
SST 07112-66040
c. Using SST and socket wrench, remove the pressure plate.
SST 07112-66040, 07112-76060
d. Remove the shims from the pressure plate.
2. REMOVE ROTOR
a. Using SST, remove the snap ring.
SST 07114-84020
b. Using a plastic hammer, tap the rotor off the shaft.
NOTE: Be careful not to damage the pulley when tapping on the rotor.
3. REMOVE STATOR
a. Disconnect the stator lead wire from the compressor housing.
b. Using SST, remove the snap ring.
SST 07114-84020
c. Remove the stator.
REASSEMBLY
1. INSTALL STATOR
a. Install the stator.
b. Using SST, install the snap ring.
SST 07114-84020
NOTE: The snap ring should be installed so that its beveled side faces up.
c. Connect the stator lead wire to the compressor housing.
2. INSTALL ROTOR
a. Install the rotor.
b. Using SST, install the snap ring.
SST 07114-84020
NOTE: The snap ring should be installed so that beveled side faces up.
3. INSTALL PRESSURE PLATE
a. Install the shims to the pressure plate and install the pressure plate on the rotor.
b. Using SST and a torque wrench, install the shaft bolt.
SST 07112-66040, 07112-76060
Torque: 13.2 N.m (135 kgf.cm, 9 ft.lbf)
4. INSPECT MAGNETIC CLUTCH CLEARANCE
a. Set the dial indicator to the pressure plate of the magnetic clutch.
b. Connect the magnetic clutch lead wire to the positive (+) terminal of the battery.
c. Check the clearance between the pressure plate and rotor when connecting the negative (-) terminal to the battery.
Standard clearance: 0.5 ± 0.15 mm (0.020 ± 0.0059 in.)
If the clearance is not within the standard clearance, adjust the clearance using shims to obtain the standard clearance.
Shim thickness:
0.1 mm (0.004 in.)
0.3 mm (0.012 in.)
0.5 mm (0.020 in.)
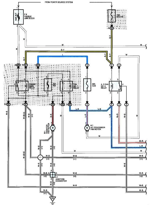
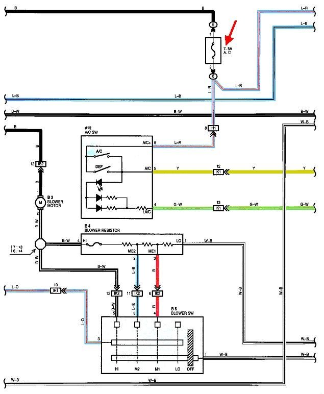
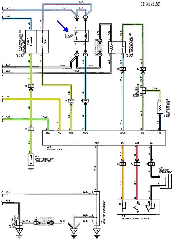
Images (Click to enlarge)
Apr 8, 2019 at 11:03 PM