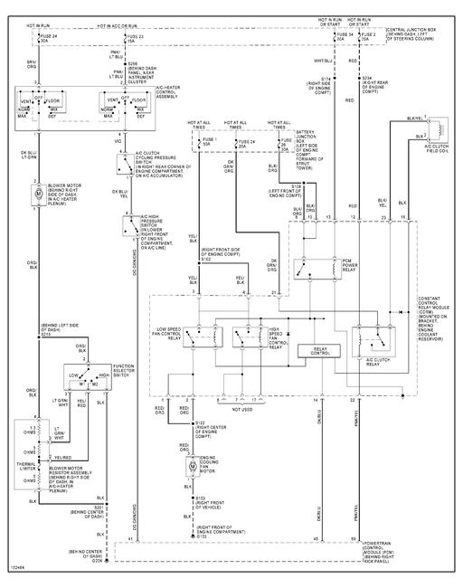
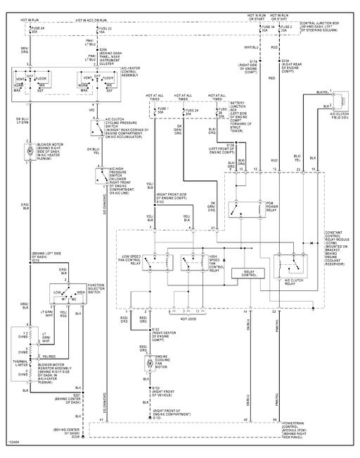
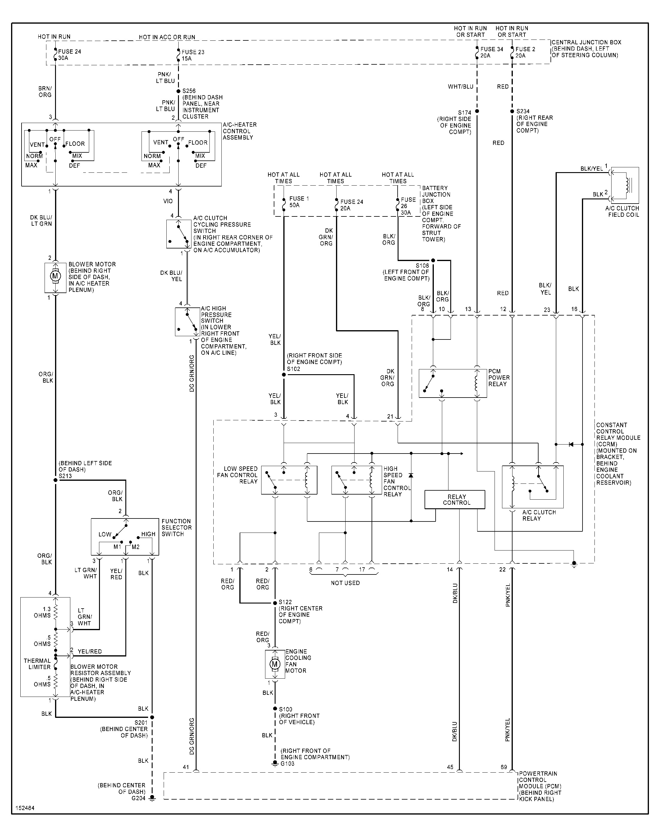
I have a 2002 ford mustang 3.8. recently I filled the a/c system because it was giving me the signs of being low the clutch would engage and disengage. after it was filled it worked great for about 3 days then it completely stopped working. I believe i have checked all the fuses and none are bad. I took it to have the pressure checked and the mechanic said that the problem must be electrical because it was holding pressure and had adequate pressure to engage the compressor. i took it to a friend and he looked with a electric test light and it seems the low pressure switch is getting no power the high pressure is getting power. to be sure the one not getting power is the switch on the top of the accumulator but the firewall. so my question is what would cause no power to the low pressure switch?
May 11, 2013 at 3:50 PM






