A/C does not work

2002 MERCURY SABLE
97,000 MILES • 3.6L • V6 • 2WD • AUTOMATIC
Avatar
DEFLECTIONSS
  • MEMBER
  • 1 POST
It doesn't blow air.
Aug 2, 2019 at 12:40 AM
Advertisement
Avatar
ASEMASTER6371
  • CERTIFIED EXPERT
  • 52,796 POSTS
Good morning,

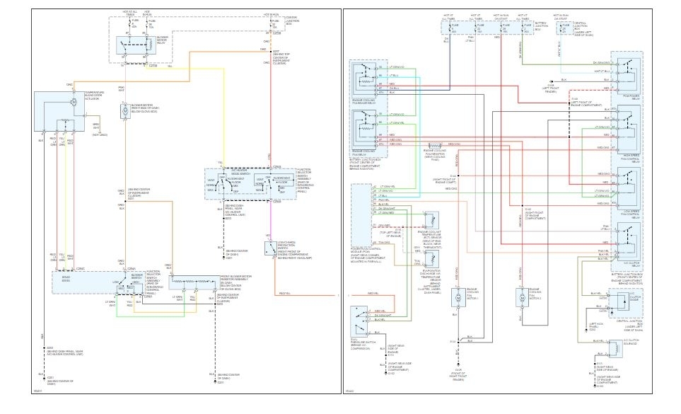
I attached a wiring diagram for you to view. Check both fuses listed for power to the blower relay. Then check for power to the blower motor itself.

In most cases, it is either the blower motor or the resistor that causes this issue.

Roy
Aug 2, 2019 at 2:26 AM