Hi,
Have you checked the AC fuse in the under-hood fuse box? There is a chance it failed while work was done or when the switch originally failed.
Start with that fuse. In addition to checking the fuse, make sure there is power to and from it.
Here is a link you may find helpful:
https://www.2carpros.com/articles/how-to-check-a-car-fuse
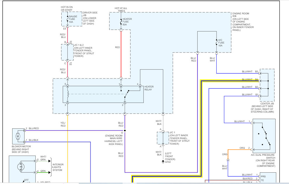
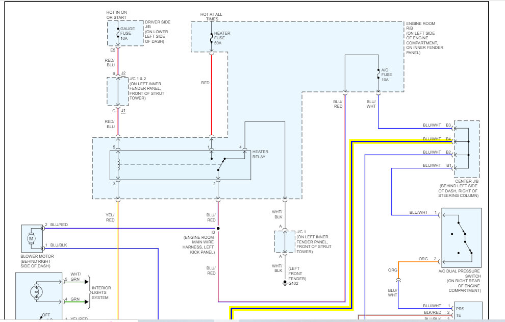
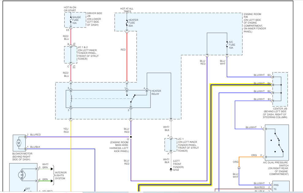
I attached the wiring schematic below, so you have a reference. I highlighted several wires when trying to determine where there could be an issue, so please ignore them.
Start with the fuse I mentioned. Also, let me know if the blower motor is working.
Take care,
Joe
See pics below. Note: I had to cut the page in half to make the schematic readable for you. I did overlap them. Also, the last pic is the under-hood fuse box. I highlighted the fuse.
Images (Click to enlarge)
Apr 14, 2023 at 7:42 PM