Hvac wiring diagrams please?

2006 FORD E-SERIES VAN
90,000 MILES • 2.6L • V8 • 2WD • AUTOMATIC
Avatar
ROD WILLIAMSON
  • MEMBER
  • 1 POST
Driving with A/C on, it is cooling. If I hit a bump it it continues to run but air is warm, hit another rough spot it comes back cool again. It makes a sound when this occurs like compressor is coming on and off. I may drive several miles between intervals.
Sep 14, 2018 at 12:18 PM
Advertisement
Avatar
ASEMASTER6371
  • CERTIFIED EXPERT
  • 52,796 POSTS
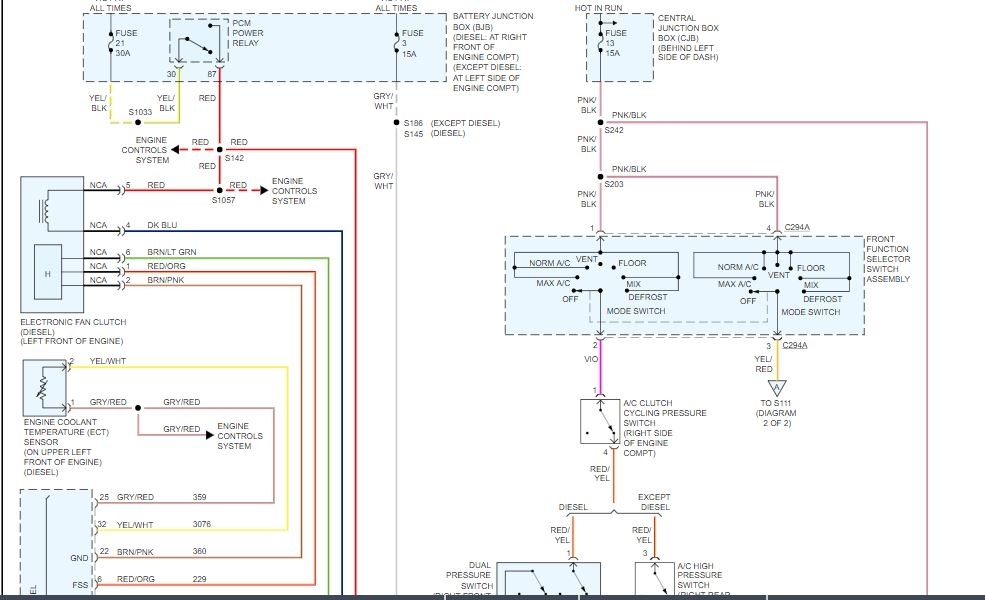
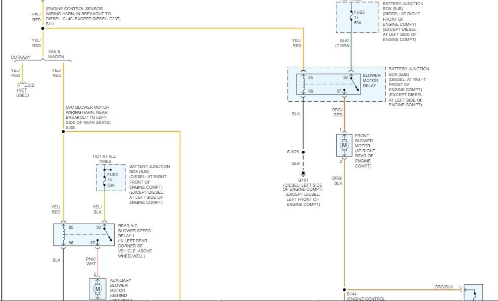
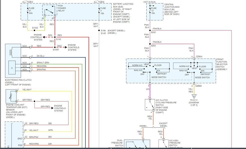
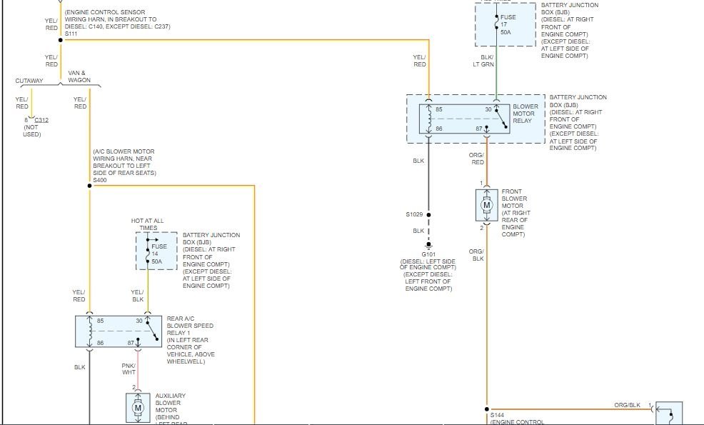
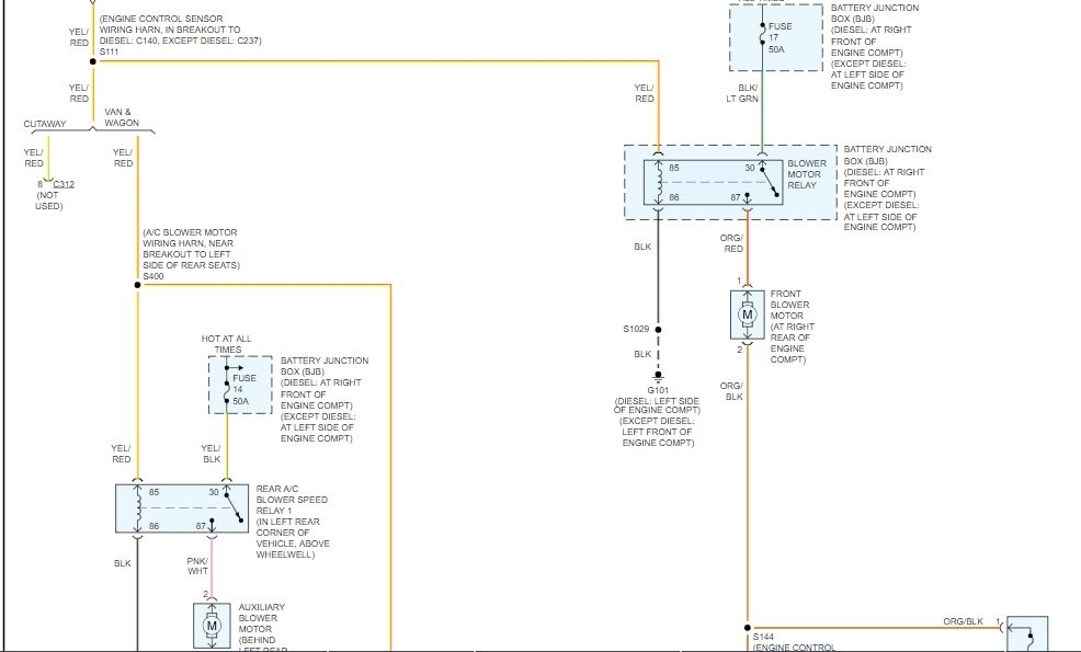
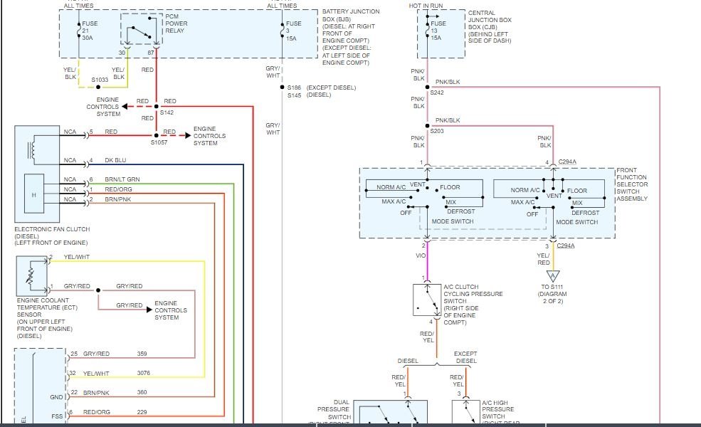
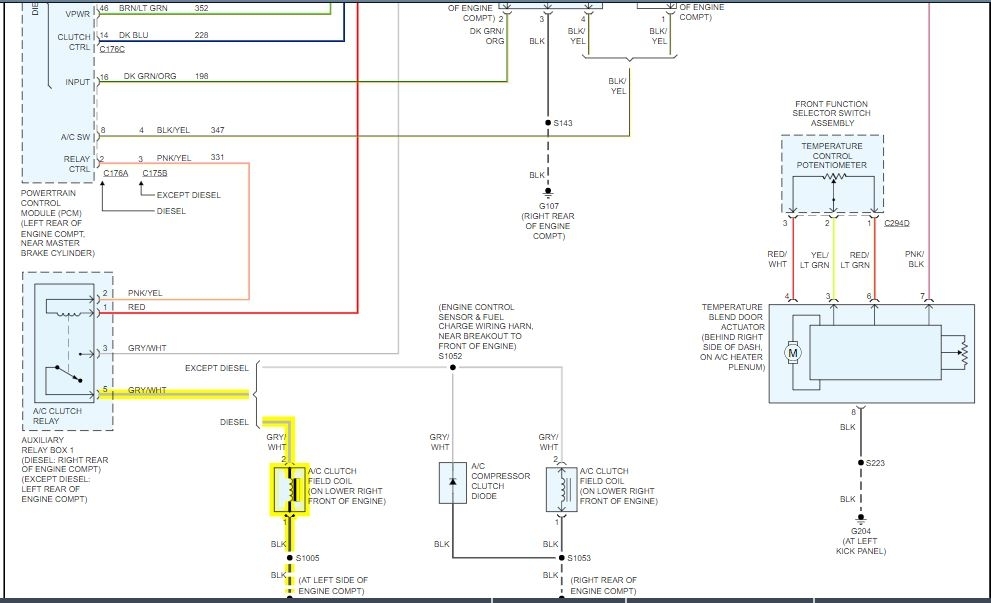
I would start by checking the connector at the A/C compressor. The jolt from the bump may be causing the connection to be not good.I attached the location of the connector at the compressor.

I also attached the wiring diagram for you to view. That connector is common for coming loose.

https://www.2carpros.com/articles/how-to-check-wiring

Check out the diagrams (Below). Please let us know what you find.
Jan 22, 2021 at 8:54 PM
Avatar
STRAILER
  • CERTIFIED EXPERT
  • 53,854 POSTS
it could be the system needs to charged.

https://youtu.be/uZrQCGwXfek

Please run down this guide and report back.
Feb 15, 2021 at 1:11 PM
Advertisement