The A/C control button had no power. The fuses are good but no lights on button and no fan running. Any idea?
Sep 20, 2017 at 3:41 AM
Advertisement
STRAILER
CERTIFIED EXPERT
53,854 POSTS
It sounds like you still might have a fuse out because there are several that run the system. If they are okay then there is a control relay that can be out.
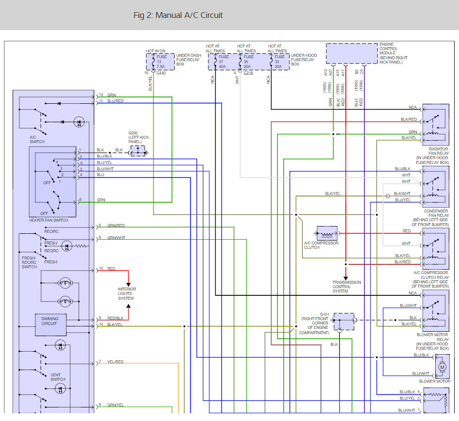
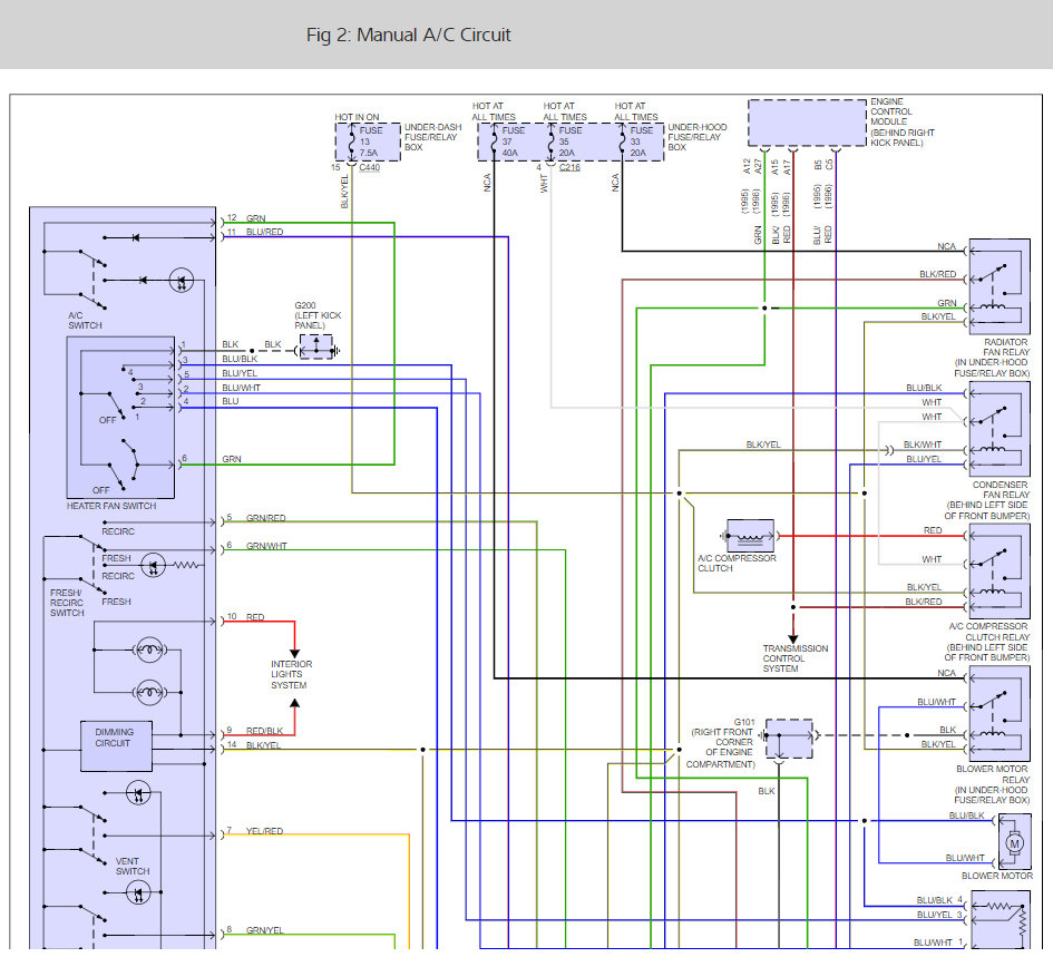
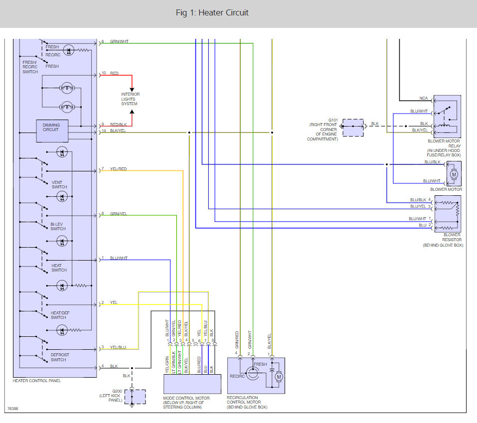
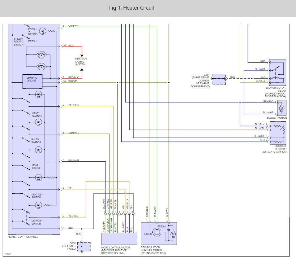
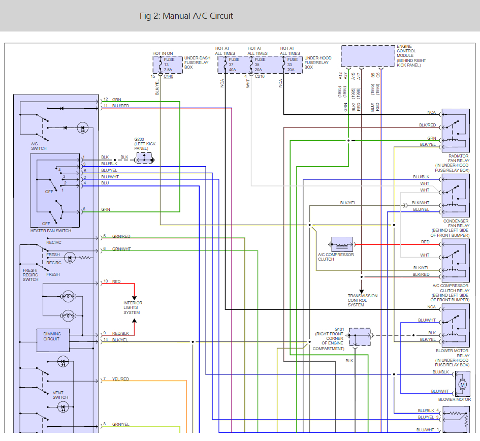
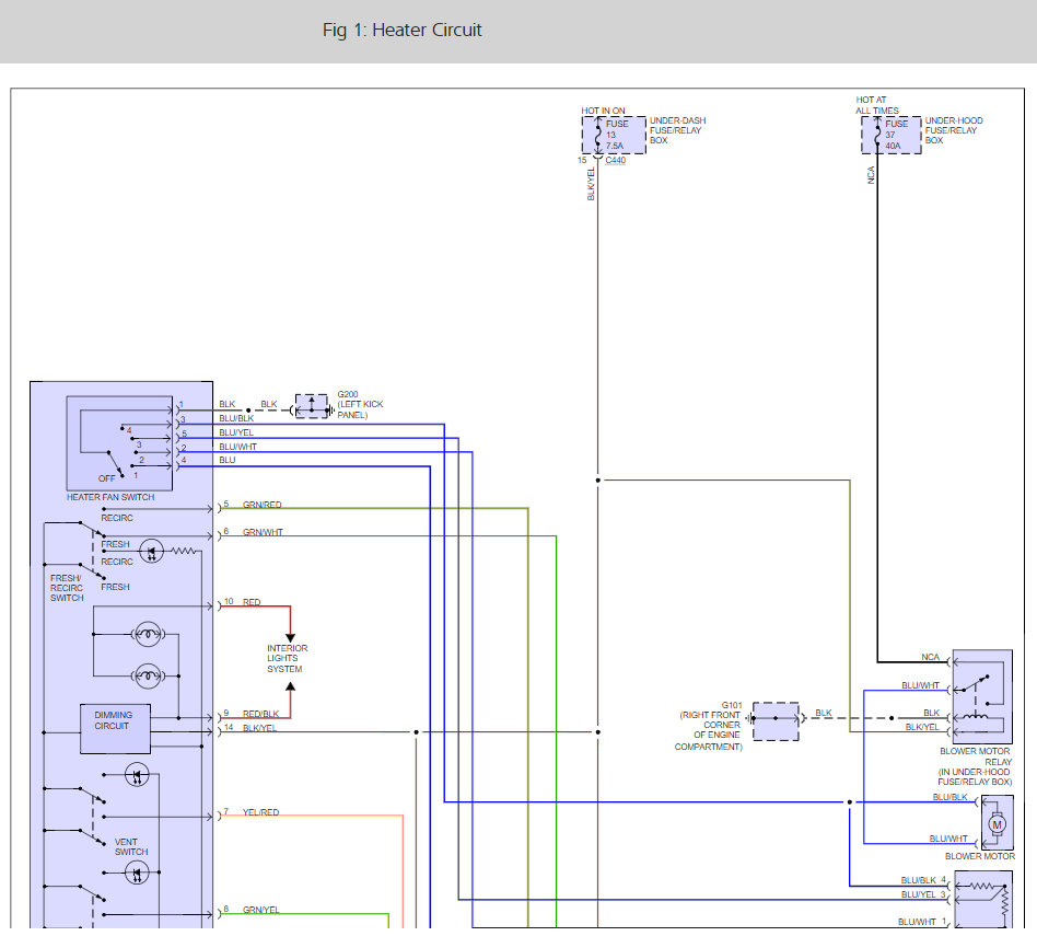
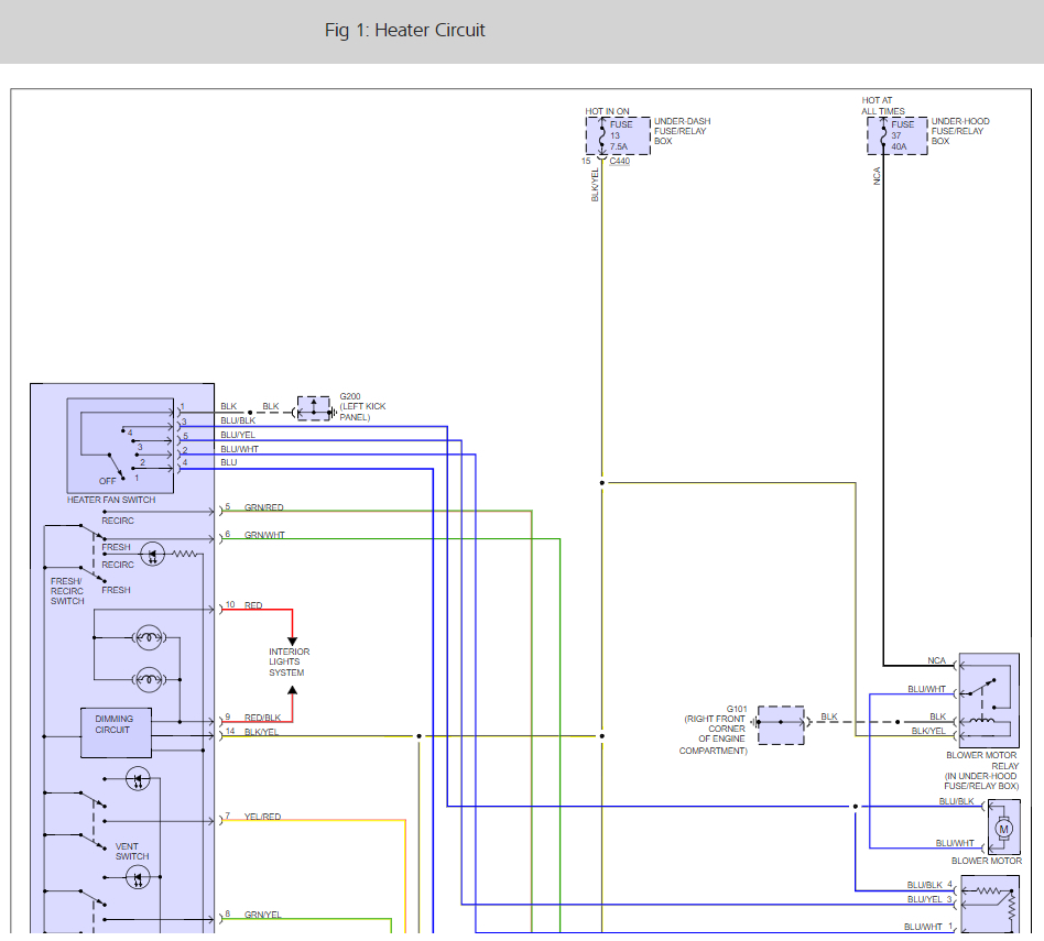
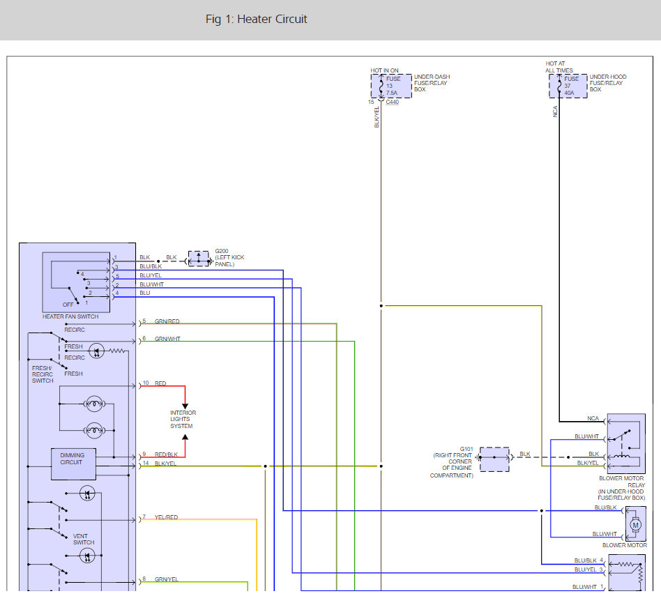
Here are some guides and diagrams so we can do some simple testing and get the problem fixed: