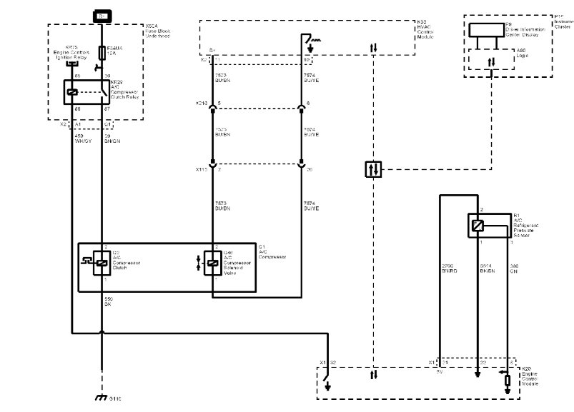
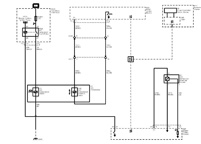
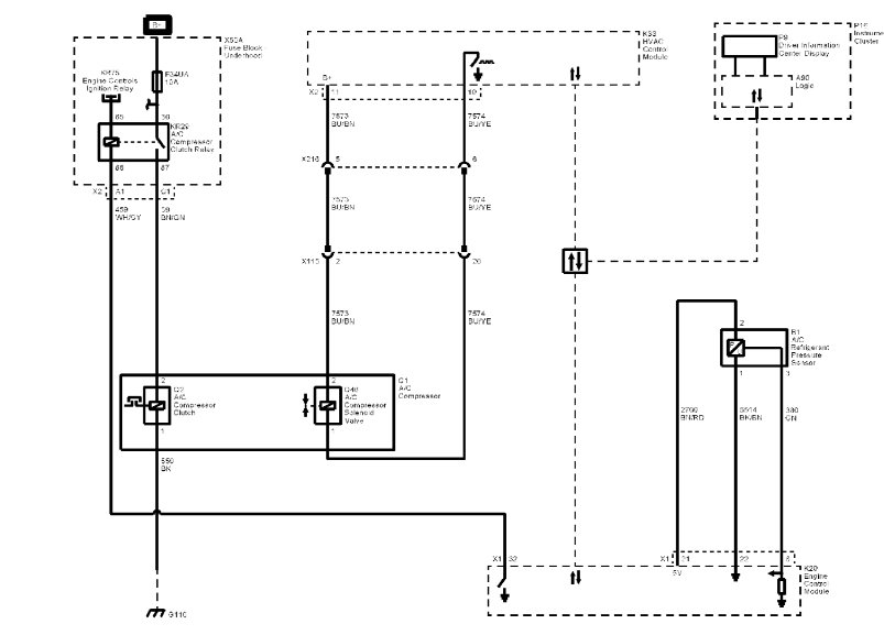
Installed new A/C compressor coil, pulley, clutch. I used the shim from the old assembly (clutch was dragging slightly without it. Belt runs smooth. Unfortunately the A/C will not kick on the compressor. I checked the wire connector for the compressor with a test light and got no light with A/C controls on. Still not sure what caused the original A/C belt to be destroyed since everything seems to turn freely. The compressor is not locked up. Could it be a bad compressor even though the clutch turns freely. I visually inspected all fuses related to the A/C again and swapped the A/C control micro relay with the fuel pump relay (identical relay) with no positive results. The A/C control module switch illuminates but I cannot be sure it is not a bad switch. Before I buy a new A/C control module or pay upwards of a $1,000.00 to have a new compressor put in (or possibly some other issue) is there; 1.) A way to know if the compressor is shot? (I verified clutch turns freely already) 2.) A proper order to check wiring with a volt meter (possibly starting with A/C control module to fuses, relays and then to compressor)? I have a Haynes manual and think I know what wires to check on the wiring diagram, but I am not positive.
May 27, 2018 at 3:50 PM