A/C compressor not receiving power

2011 FORD FUSION
120,000 MILES • 2.5L • 4 CYL • 2WD • AUTOMATIC
Avatar
LUIS GERARDO SANCHEZ
  • MEMBER
  • 12 POSTS
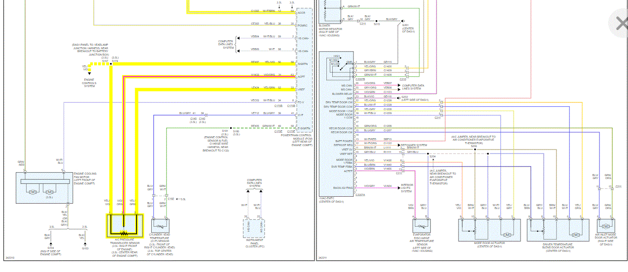
So I had my car parked for about a week, battery was bad so I replaced it, after replacing the battery my compressor doesn't seem to be receiving energy, got it to turn on by running it straight to my amplifier switch. so I know the the clutch or compressor are still good. I don't want to have to turn on my amplifier just to get the A/C going. I was wondering/hoping it could be a fuse or maybe something besides the evap sensor, if it is the evap would I be able to leave the clutch strait connected with my amp?
Sep 11, 2020 at 5:43 AM
Advertisement
Avatar
ASEMASTER6371
  • CERTIFIED EXPERT
  • 52,796 POSTS
Good morning,

I attached a wiring diagram for you to view.

You need to verify power to the relay. I attached the location for you. If you have a volt meter we can do some checks.

https://www.2carpros.com/articles/how-to-check-wiring

https://www.2carpros.com/articles/how-to-check-an-electrical-relay-and-wiring-control-circuit

https://www.2carpros.com/articles/how-to-check-a-car-fuse

Roy
Sep 11, 2020 at 6:16 AM