It worked fine on the first leg of the trip and then stopped working on the way back.
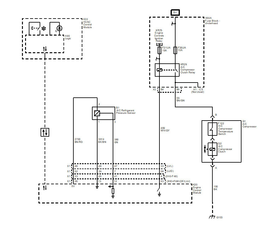
Checked to make sure the compressor turns when the vehicle is off. It turns with no issues and no sounds have ever come from the compressor.
Checked power to the compressor when engaging the A/C and no power is going to the compressor.
Have replaced the Pressure sensor.
Is there an A/C Relay or does the PCM control the compressor?
Where would the most likely place be for a wire to be rubbing on this vehicle?
Thanks
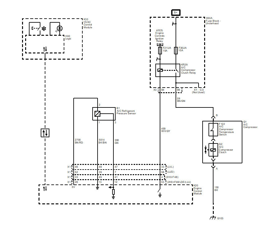
Checked to make sure the compressor turns when the vehicle is off. It turns with no issues and no sounds have ever come from the compressor.
Checked power to the compressor when engaging the A/C and no power is going to the compressor.
Have replaced the Pressure sensor.
Is there an A/C Relay or does the PCM control the compressor?
Where would the most likely place be for a wire to be rubbing on this vehicle?
Thanks
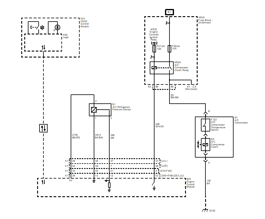
Aug 22, 2022 at 8:01 AM

