Hvac (heater AC) wiring diagrams please?

2014 CHEVROLET SILVERADO
70,000 MILES • 5.3L • V8 • 4WD • AUTOMATIC
Avatar
ALENA VILLA
  • MEMBER
  • 1 POST
Have an issue with A/C not working. So far I’ve checked fuses, relay, changed the compressor with new one, replaced the pressure switch at the compressor, done a Freon flush and refill. A/C is still not working, would appreciate any tips as to what else could be causing the problem. Thanks!
Apr 3, 2021 at 11:12 AM
Advertisement
Avatar
ASEMASTER6371
  • CERTIFIED EXPERT
  • 52,796 POSTS
Good morning,

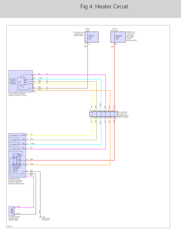
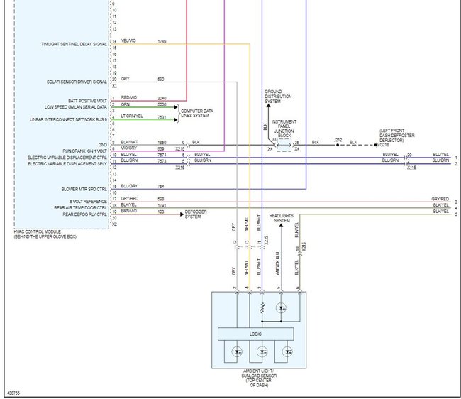
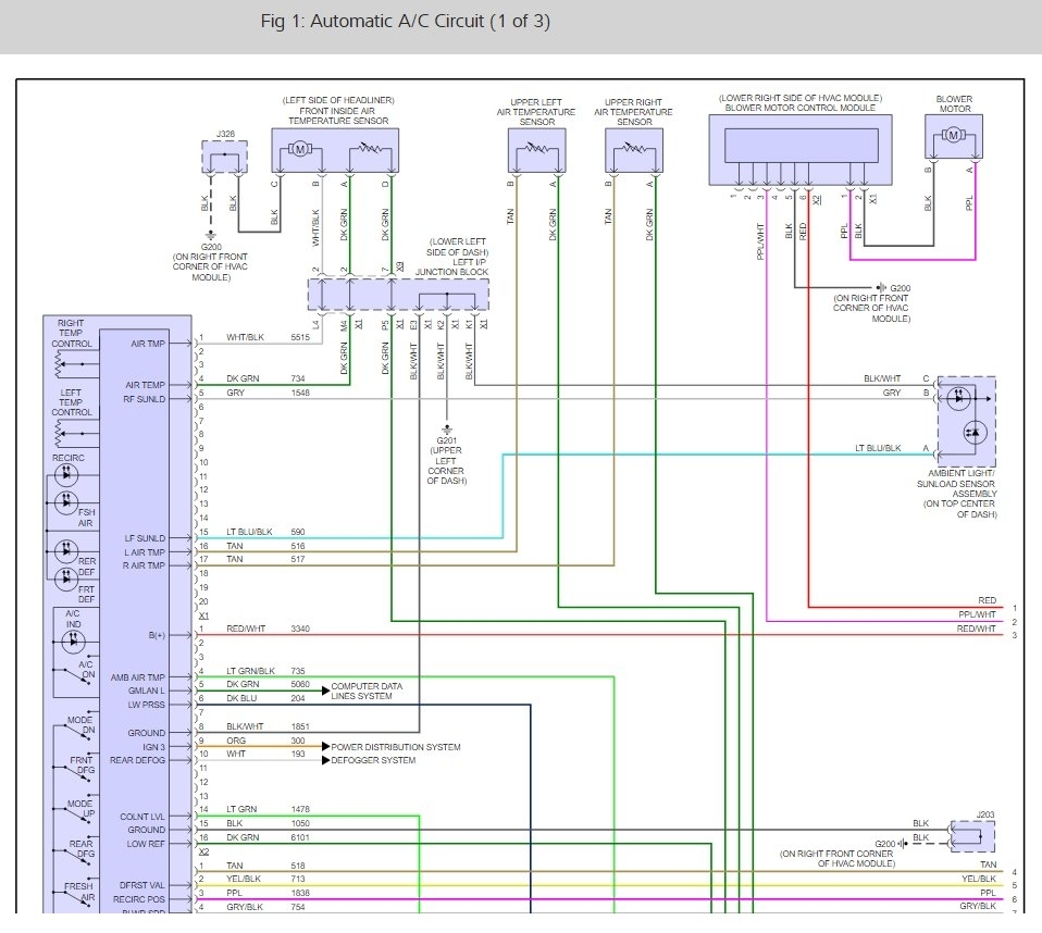
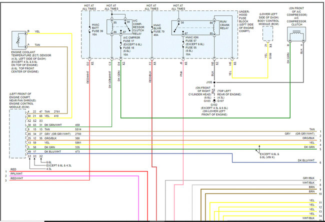
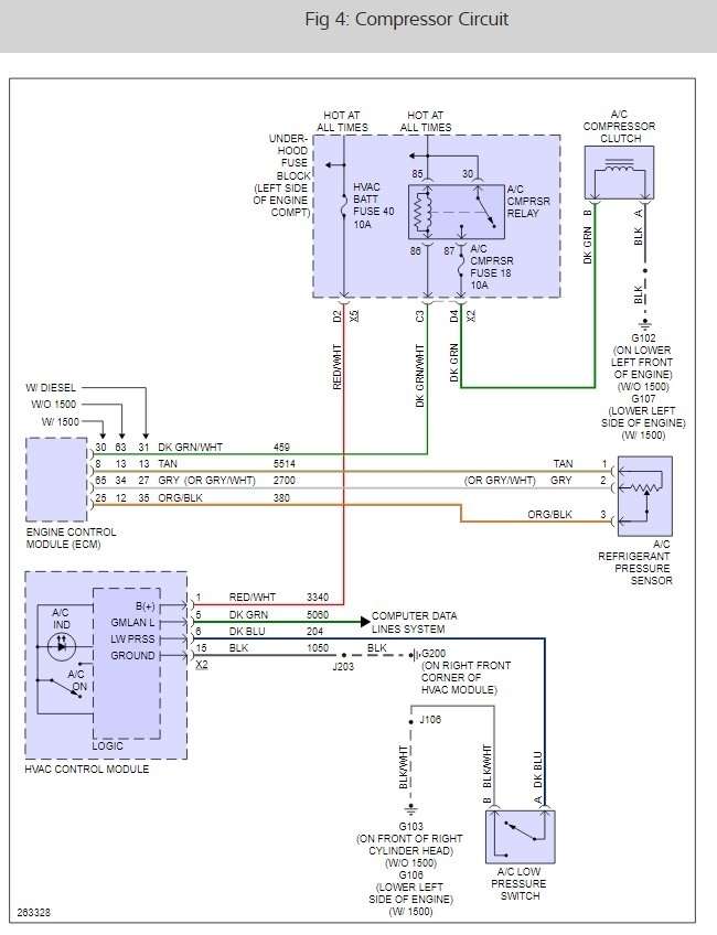
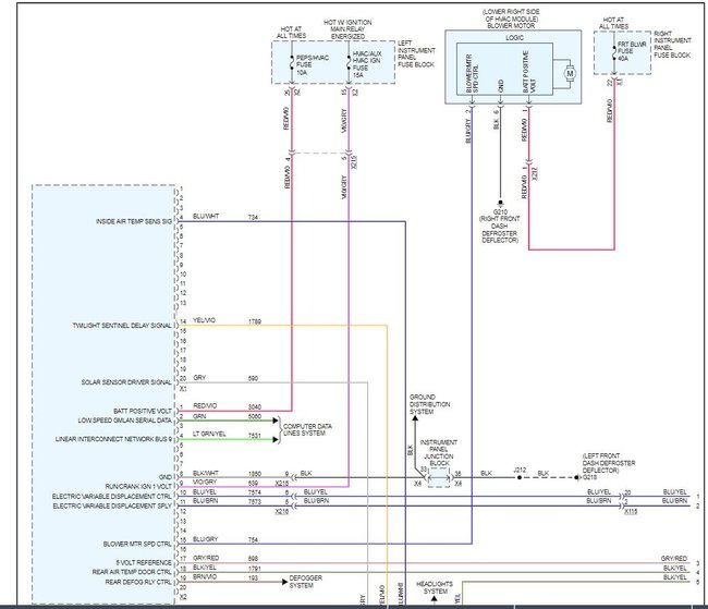
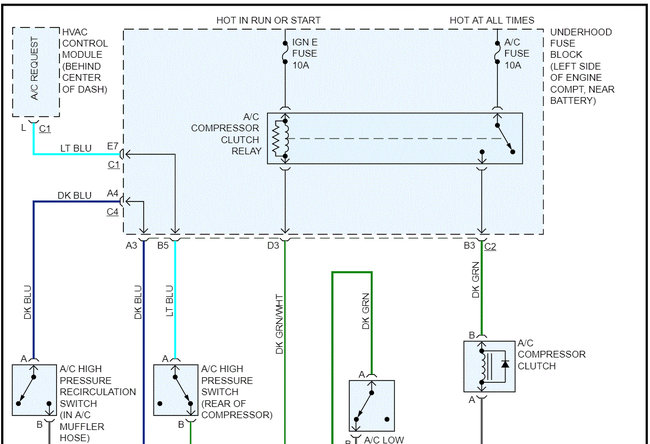
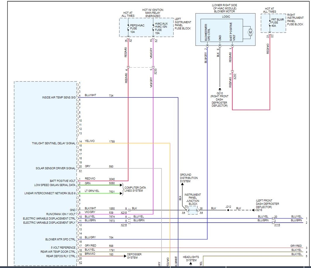
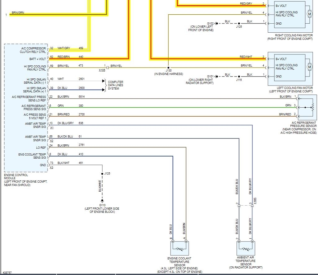
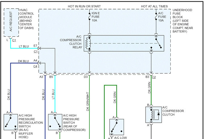
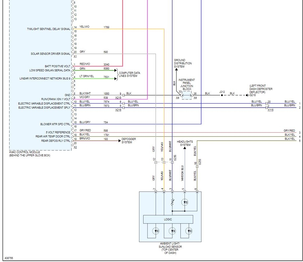
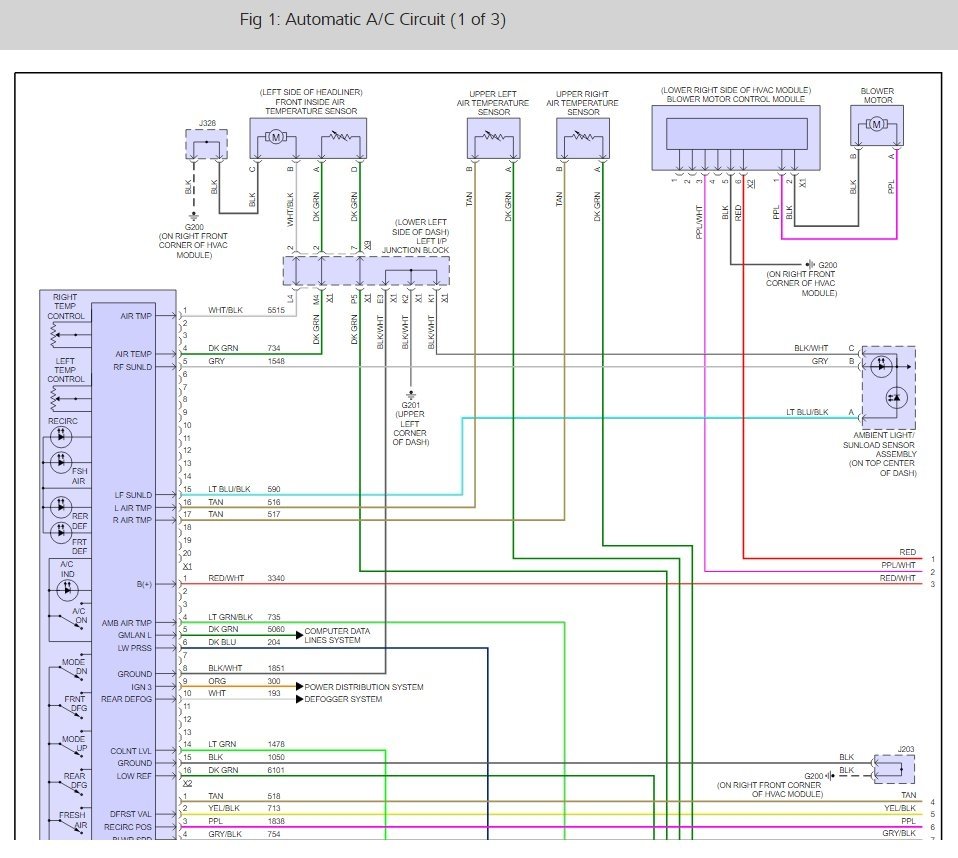
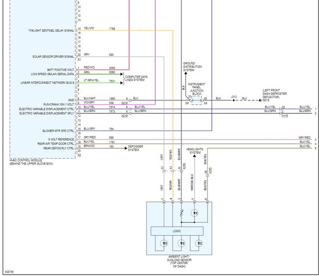
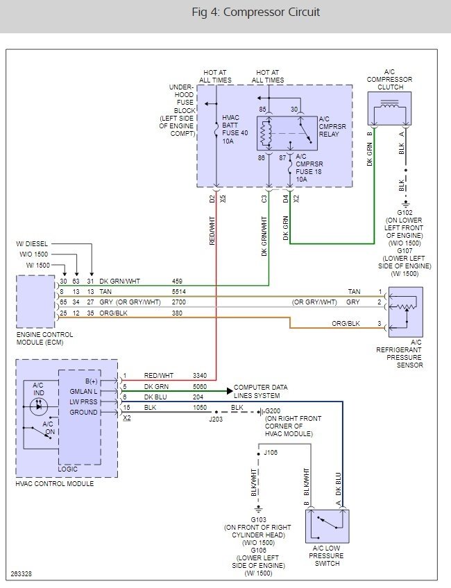
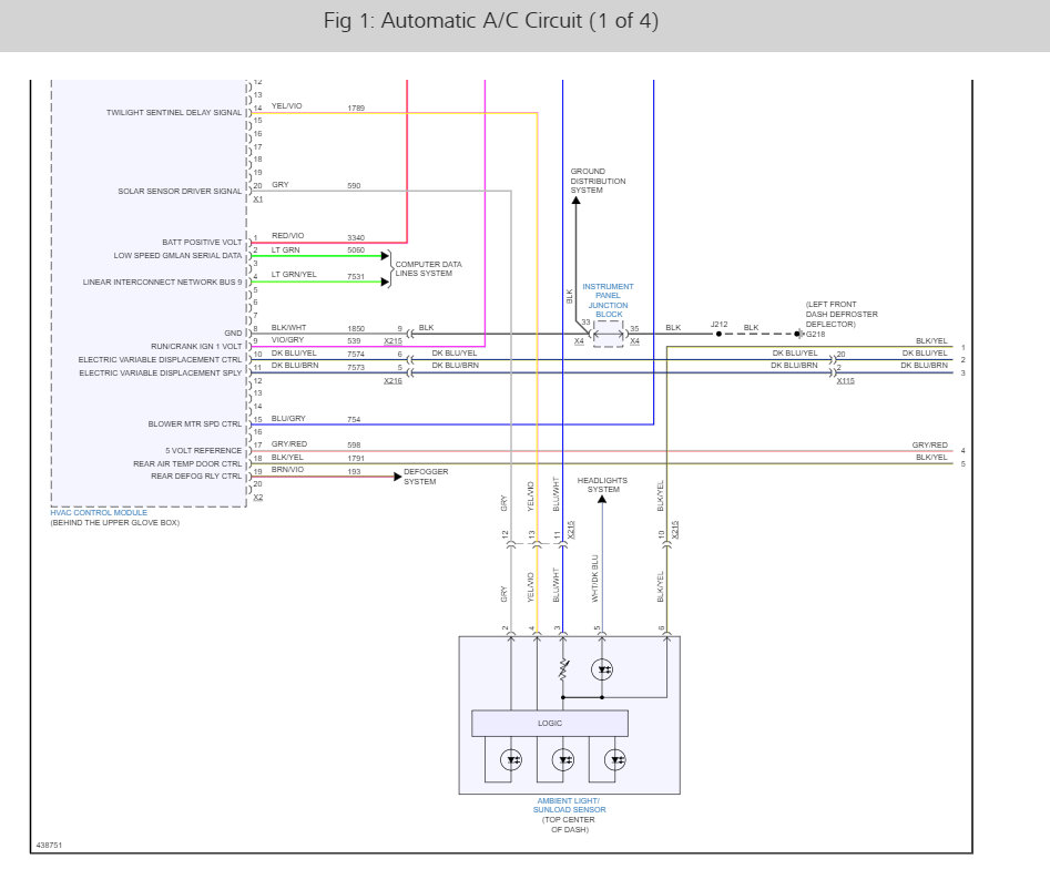
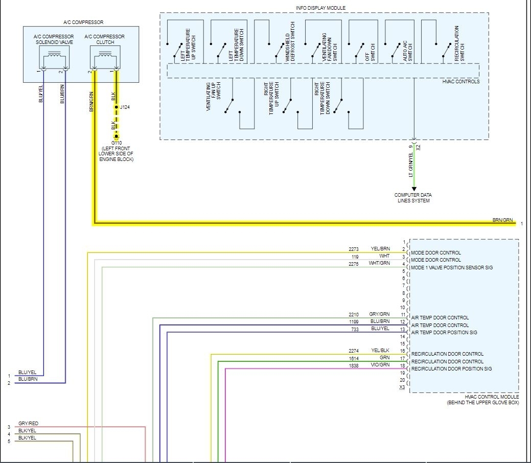
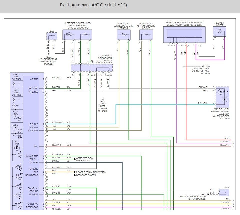
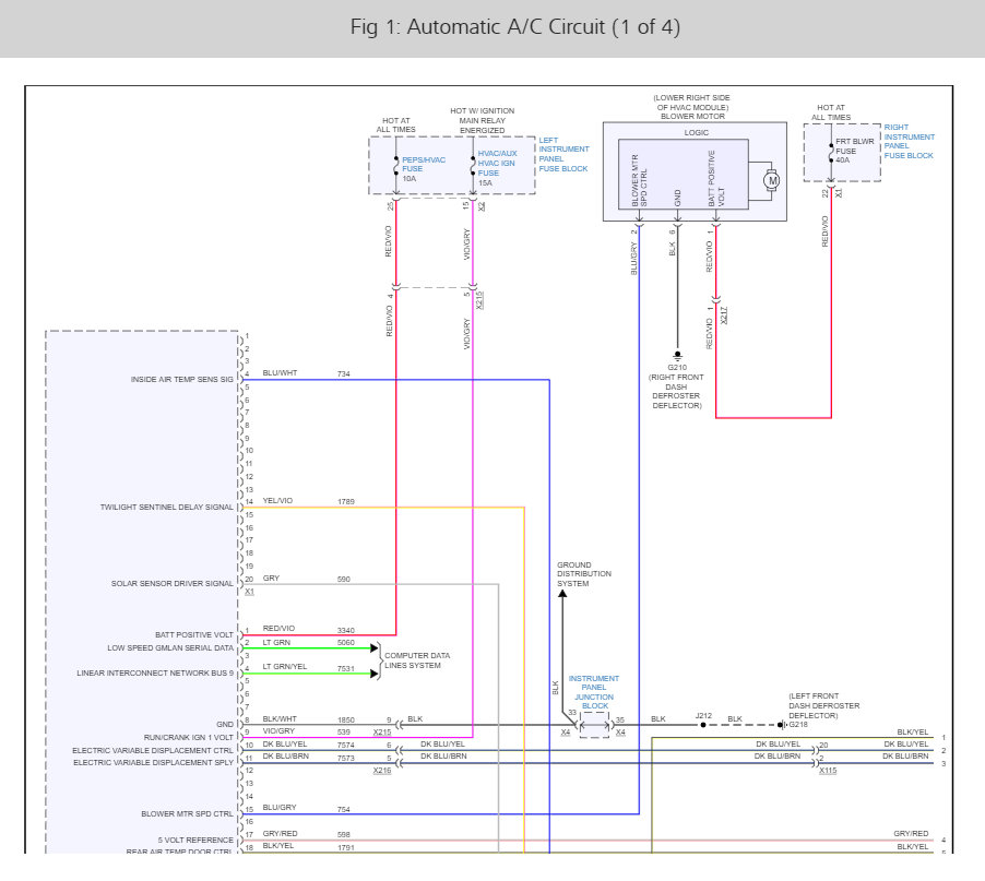
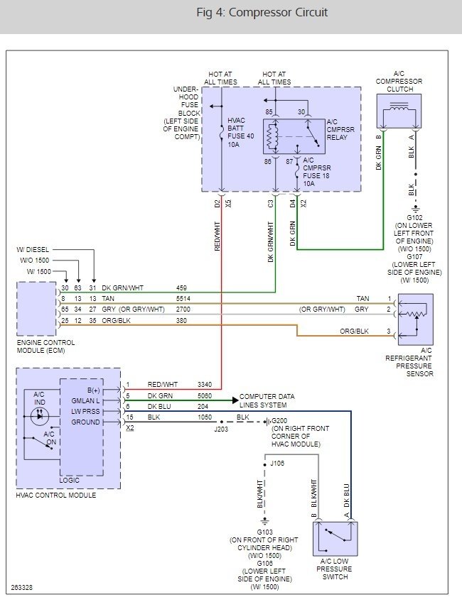
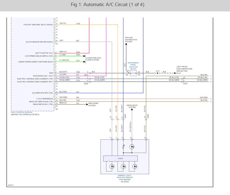
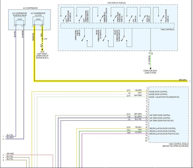
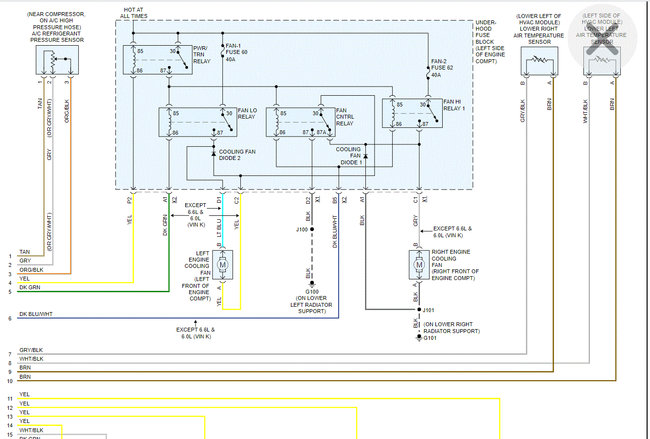
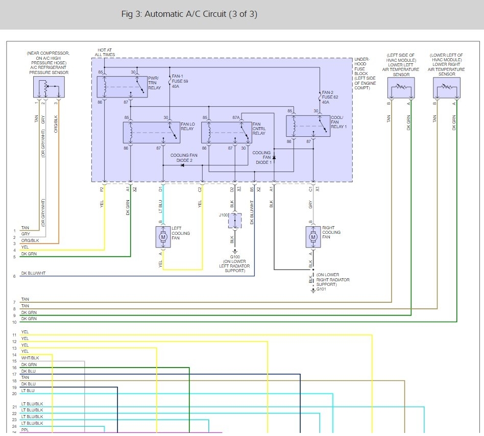
I attached a wiring diagram for you for the A/C system. Check the fuses for power on both sides.

https://www.2carpros.com/articles/how-to-check-wiring

and

https://www.2carpros.com/articles/how-to-check-an-electrical-relay-and-wiring-control-circuit

You need to test pressures as well. You need at least 25 pounds for the system to turn on.

https://www.2carpros.com/articles/car-air-conditioner-not-working-or-is-weak

and

https://www.2carpros.com/articles/how-to-check-wiring


Check out the diagrams (Below). Let us know what happens and please upload pictures or videos of the problem.
Apr 4, 2021 at 7:06 AM
Avatar
CHRCRAZ
  • MEMBER
  • 1 POST
So when I first start the truck AC/heat blows fine, but after about 10 to 15 minutes I am getting little to no air. but it sounds like the windows are down and you can hear the fan blowing but barely anything coming out. If I turn off the A/C for about 5 to 10 minutes everything normal again for another 10 to 15 minutes. I have replaced the blend door actuator and nothing has changed. please help. Thank you
Apr 30, 2021 at 12:36 PM (Merged)
Advertisement
Avatar
ASEMASTER6371
  • CERTIFIED EXPERT
  • 52,796 POSTS
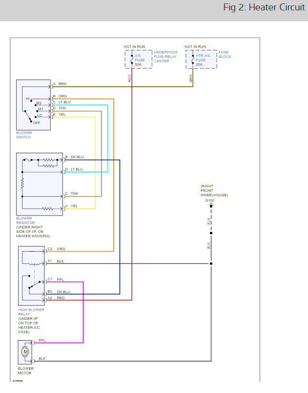
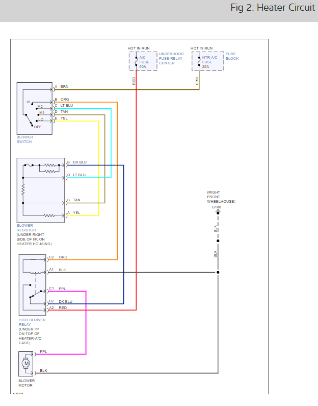
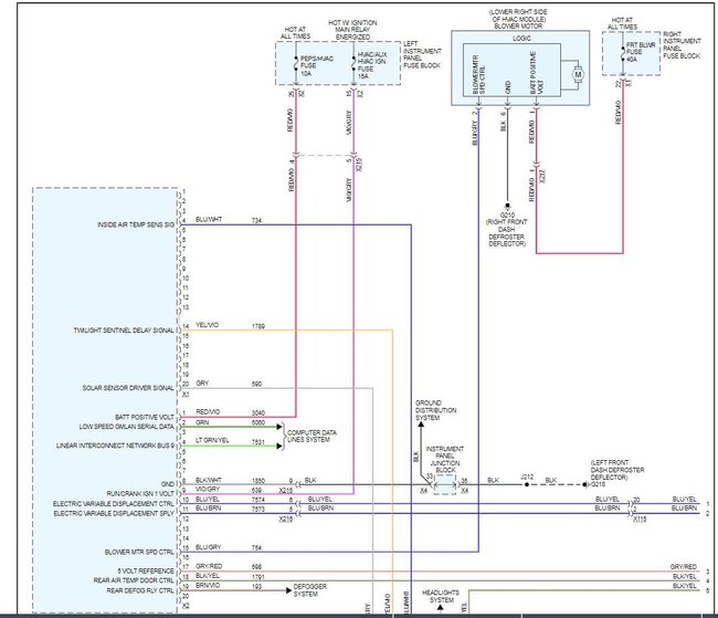
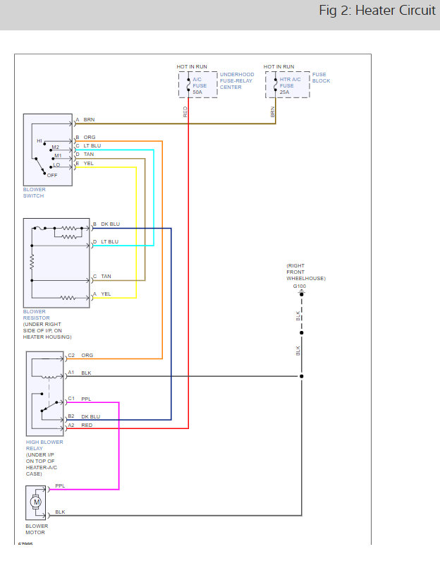
it sounds like the blower control module is out but to be sure this guide can help you check the power and ground and I have included the air conditioner and heater wiring diagrams below.

https://www.2carpros.com/articles/blower-fan-motor-works-on-high-speed-only

and

https://www.2carpros.com/articles/how-to-check-wiring

Check out the diagrams (Below). Let us know what happens and please upload pictures or videos of the problem.
Apr 30, 2021 at 12:36 PM (Merged)
Avatar
DANTE DELANEY
  • MEMBER
  • 1 POST
Looking for automatic climate control pinout for 07-13 Chevrolet Silverado.
Apr 30, 2021 at 12:36 PM (Merged)
Avatar
JACOBANDNICKOLAS
  • CERTIFIED EXPERT
  • 110,175 POSTS
I attached three pics below for an 2008. Let me know if they help. Also, let me know if there is something you can't see/read because of size.

https://www.2carpros.com/articles/how-to-check-wiring

If you look below, I reattached the schematics. I cut the pics in half to make them more readable, but I did overlap them so you can follow from one to the next.
I hope this helps.

Take care,

Joe
Apr 30, 2021 at 12:36 PM (Merged)
Avatar
BRIAN RHINEHEIMER
  • MEMBER
  • 1 POST
A/C fuse is dead on hot side. I put a fused wire in the fuse and hooked to positive post of battery. Air works fine, clutch engaged. why would that fuse be dead? relay is good.
Apr 30, 2021 at 12:36 PM (Merged)
Avatar
STRAILER
  • CERTIFIED EXPERT
  • 53,854 POSTS
Hello,

I have found the wiring diagrams (below) for you so you can do some testing. Here is a guide that will help you check for power and ground triggers to see where the failure is happening.

https://www.2carpros.com/articles/how-to-use-a-test-light-circuit-tester

Please run some tests and get back to us so we can continue helping you.

Cheers, Ken
Apr 30, 2021 at 12:36 PM (Merged)
Avatar
BRUCERUTH1988
  • MEMBER
  • 1 POST
I have changed the drivers side (lower) blend door actuator and no change.
I took the old one apart and applied 9.6 volts (all I had) to the motor and it runs in both directions. The gear set is not damaged.
I removed the new blend door actuator from the plenum and just let it hang on the wiring harness while plugged in to see if it moves when changing the selector. It does not. When I change the passenger side control I can hear it move. I connected the old actuator to the harness and same issue. No movement. Am I looking at a climate control module issue? Thanks
Apr 30, 2021 at 12:36 PM (Merged)
Avatar
STRAILER
  • CERTIFIED EXPERT
  • 53,854 POSTS
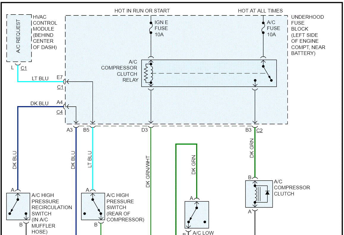
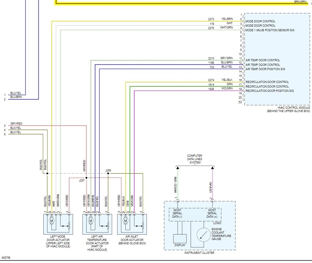
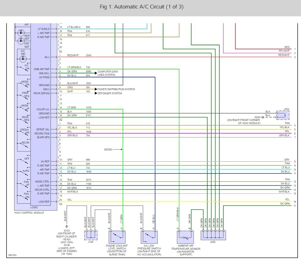
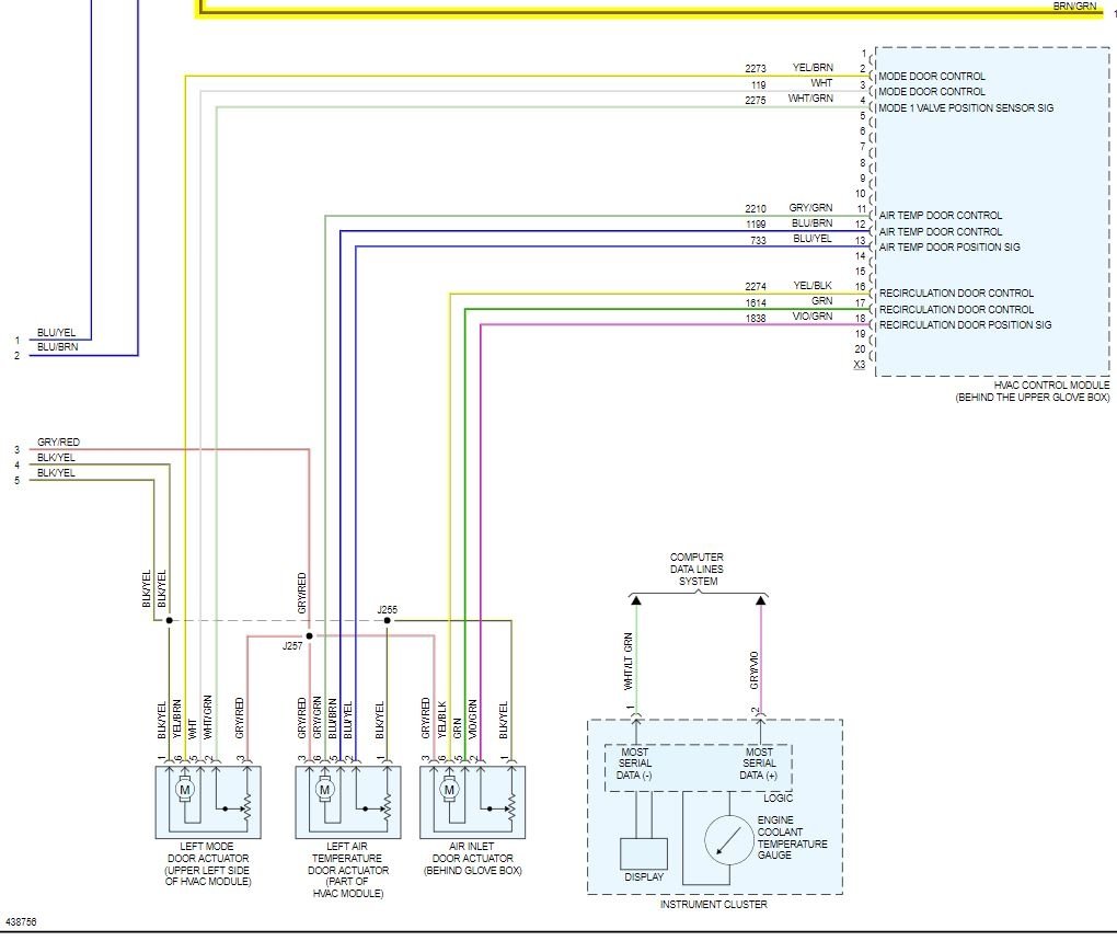
The system may need to be calibrated which is done by removing the HVAC fuse. Here is the wiring diagrams for the climate control so you can see how the system works and to check the connections before changing out the control head:

https://www.2carpros.com/articles/how-to-check-wiring

Check out the diagrams (below). Please let us know what you find. We are interested to see what it is.
Apr 30, 2021 at 12:36 PM (Merged)
Avatar
BERJANE
  • MEMBER
  • 2 POSTS
A/C blows hot air, when I reached under and wiggled relay, started working, then next time, did not.
Apr 30, 2021 at 12:36 PM (Merged)
Avatar
HMAC300
  • CERTIFIED EXPERT
  • 48,601 POSTS
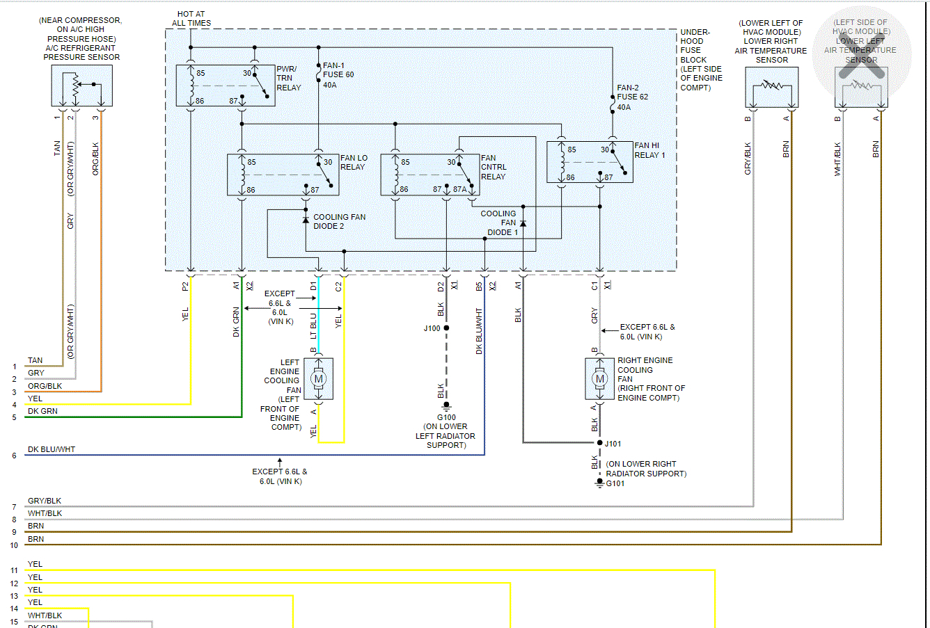
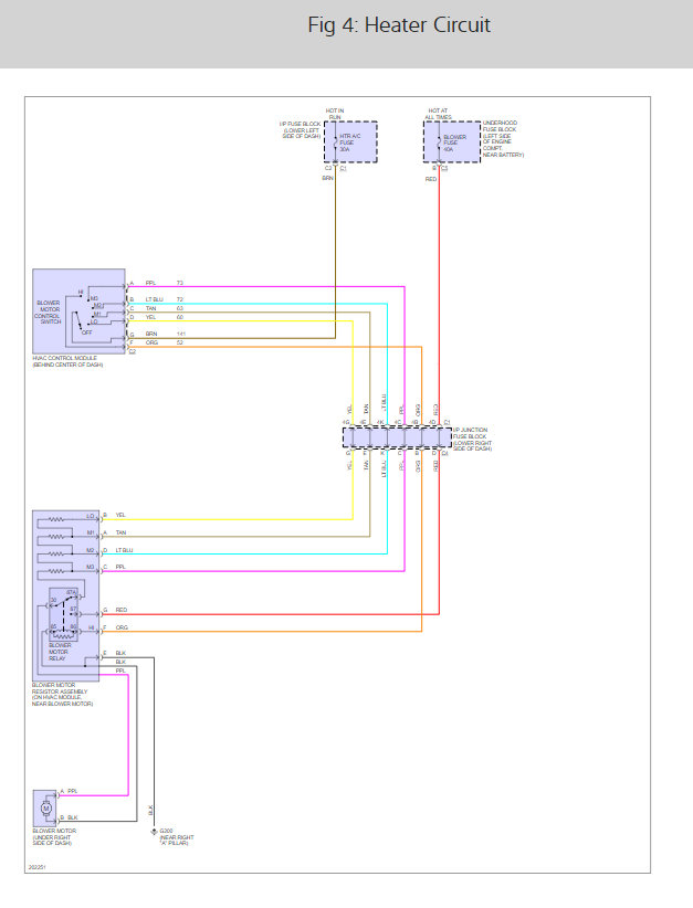
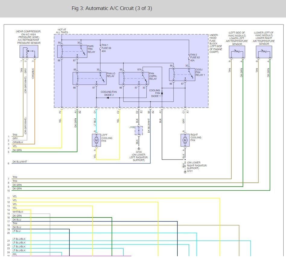
pull HVAC fuse inside truck with key on for sixty seconds it may reset actuator. may also be a bad relay connection. then see if actuator is getting power or not . One other thing if this truck blower quits while driving it may have the harness burnt up. Here are the air conditioner wiring diagrams so you can see how the system works.
Apr 30, 2021 at 12:36 PM (Merged)
Avatar
BERJANE
  • MEMBER
  • 2 POSTS
Thank you so much, I pulled HVAC fuse for a couple minutes with key on and A/C
works now!
Apr 30, 2021 at 12:36 PM (Merged)
Avatar
BODON
  • MEMBER
  • 1 POST
My truck started blowing hot air out of driver's vents and cold out of passenger side.
I have tried 4 actuators, 3 dash control modules all with no luck. I found an article on the web somewhere (before I found your site) that gave the voltage outputs for the actuator and discovered that I had no (12 volt) ignition voltage. I did have the (5 volt) reference and the (2.5 volt) out of the motor control. So I used a jumper wire to the 12 volt pin and it now works.
Since I have the dash apart I would like to see the complete wiring harness and where it comes from as I may change out the whole harness.
I'm just OCD, I can't help it. It's working but I want it right.
If possible a picture of the harness and where it plugs into would be great. And the the wiring diagram for the actuators.
Thank you,
Bodon
Apr 30, 2021 at 12:36 PM (Merged)
Avatar
KASEKENNY
  • CERTIFIED EXPERT
  • 18,907 POSTS
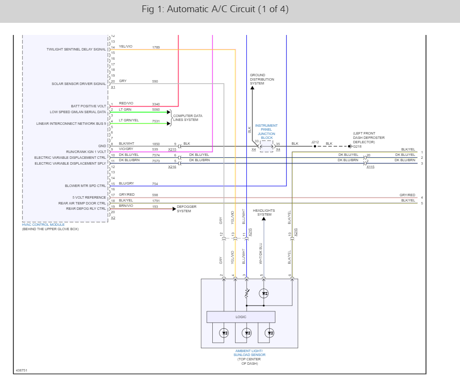
Which wire did you apply the 12 volts too? If you take a look at the wiring diagram below you will see that there are control wires for each actuator, low ref (ground return), 5 volt supply coming from the module.

If you applied 12 volts to one of them then all that did was send the actuator to one side or the other. The way that works is, if there is low voltage on one side the door swings one way and then it applies it to the other side to get the door to swing the other way.

So even if you left it this way, the blend door would not change from that full position and it would blow hot air. You need the control module to be able to vary this voltage so that the door can move and change the temp.

Let me know which wire you did this too and then I would suggest removing the 12 volts and let's check to see what the voltage is on each of these at both the actuator and the module. That will tell us if the module is even sending the correct voltage.

https://www.2carpros.com/articles/how-to-check-wiring

Does that make sense?
Apr 30, 2021 at 12:36 PM (Merged)
Avatar
DENNIS GUAJARDO
  • MEMBER
  • 1 POST
Bought the truck listed above 1500. Is there a way to wire up? I don’t have the fuse block, I only have all the accessories and pig tails.. How can I wire the A/C system to work on my i have everything except the main fuse blocks. I have all the controls just need to know how to wire up the wires individually. Such as power ignition etc.
Apr 30, 2021 at 12:37 PM (Merged)
Avatar
JACOBANDNICKOLAS
  • CERTIFIED EXPERT
  • 110,175 POSTS
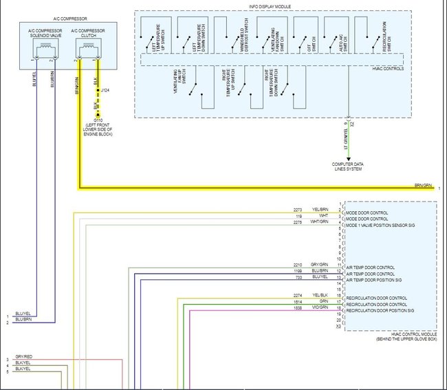
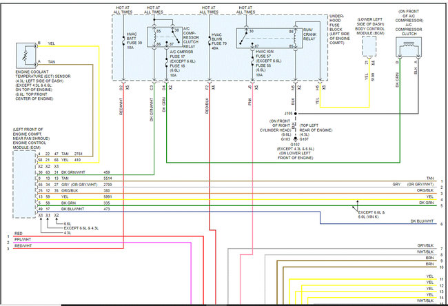
You will need to use several parts from the 2002 truck. I have attached the entire wiring schematic for you. I had to break the schematics into sections to make them readable. The first two are specific to the compressor function.

___________________________________________

I hope this helps.

Take care,
Joe
Apr 30, 2021 at 12:37 PM (Merged)
Avatar
WOLF9553
  • MEMBER
  • 0 POST
Installed a new radio system in my truck listed above. Unfortunately I broke the HVAC control module. Tried to get a replacement unit only to find out they are obsolete and not available. Wound up buying a newer module, Dorman 599-007. The problem is my unit has two plugs on the back, the new one only has one and a ribbon style connector. Need the wiring diagram to rewire my plugs to the new system. Any help would be appreciated.
Apr 30, 2021 at 12:37 PM (Merged)
Avatar
STRAILER
  • CERTIFIED EXPERT
  • 53,854 POSTS
Here ae the HVAC wiring diagrams you are looking for and a guide to help check the connections:

https://www.2carpros.com/articles/how-to-check-wiring

Check out the diagrams (below). Please let us know if you need anything else to get the problem fixed.
Apr 30, 2021 at 12:37 PM (Merged)
Avatar
MPYROL
  • MEMBER
  • 2 POSTS
The blend door actuator doesn't work, it's replaced. I think the controller is bad but want to test the wiring before I attempt repair. This one is unique to all other model years and can't find it.
Apr 30, 2021 at 12:37 PM (Merged)
Avatar
JACOBANDNICKOLAS
  • CERTIFIED EXPERT
  • 110,175 POSTS
Hi,

I attached two wiring schematics below. The third pic I enlarged. It is specific to the control module. Take a look through them and let me know if that is what you needed.

Take care,
Joe
Apr 30, 2021 at 12:37 PM (Merged)
Avatar
MPYROL
  • MEMBER
  • 2 POSTS
Thank you. It seems like they would have produced a schematic showing two plugs. The 96 -99 units had a single harness I was not sure if what I had was correct but it is the same as these. Turns out there were 2 bad PNP transistors on the control board.(4 total) 4687 and 2857 were replaced with 2n4403. The other two that are close to the potentiometers are NPN 2857 and can be replaced with 2n4401. Works great now. Thanks
Apr 30, 2021 at 12:37 PM (Merged)
Avatar
JACOBANDNICKOLAS
  • CERTIFIED EXPERT
  • 110,175 POSTS
Hi,

Excellent job. Interestingly, schematics never seem to make sense. LOL Regardless, I'm glad it's fixed.

Take care and let us know if you have questions in the future. You are always welcome here.

Joe
Apr 30, 2021 at 12:37 PM (Merged)
Avatar
DANIEL HOLLAND
  • MEMBER
  • 7 POSTS
I have replaced the A/C heat plug on back of the control unit and I have two orange wires and a thicker tan wire left to connect. every time I connect the tan wire something starts clicking and my lights on unit flicker. not sure what it is for but I have power to unit can hear heater kick in but no fan to blow air when all this worked before the plug quit.
Apr 30, 2021 at 12:37 PM (Merged)
Avatar
STRAILER
  • CERTIFIED EXPERT
  • 53,854 POSTS
It sounds like you have some wiring that is crossed or something.

Here is a wiring diagram (below) that will help you get the problem fixed:

Please let us know what happens.

Cheers, Ken
Apr 30, 2021 at 12:37 PM (Merged)
Avatar
DANIEL HOLLAND
  • MEMBER
  • 7 POSTS
Because there is a different plug I need to know what color wires go to certain pins on the plug in case they are wired different. Any help would be great
Apr 30, 2021 at 12:37 PM (Merged)
Avatar
DANIEL HOLLAND
  • MEMBER
  • 7 POSTS
The factory plug had a number 2 on it and all others I have seen for this year model is 3,4,5 so they have to wire up different I would think
Apr 30, 2021 at 12:37 PM (Merged)
Avatar
STRAILER
  • CERTIFIED EXPERT
  • 53,854 POSTS
Can you upload some pictures of what you are doing so I can see?
Apr 30, 2021 at 12:37 PM (Merged)
Avatar
DANIEL HOLLAND
  • MEMBER
  • 7 POSTS
This clip or plug that was in the dash right above the ashtray area what's the problem for the short is the reason I was not getting power replaced connected heat air module and now the lights are flashing like it's in the default mode so I cannot tell if the AC works or not I disconnect the battery reconnect the battery and everything is fine till I push a button I research this and a lot of people say that it was low low pressure on the compressor so I buy refrigerant put refrigerant in and I'm still seeing no difference any help would be appreciated thank you
Apr 30, 2021 at 12:37 PM (Merged)
Avatar
STRAILER
  • CERTIFIED EXPERT
  • 53,854 POSTS
O man, that is burnt up which is caused by the blower motor or relay pulling to many amps, try connected the wiring directly and disconnected the blower motor to see if the system powers up.

Thanks for the pic, it really helps.

Apr 30, 2021 at 12:37 PM (Merged)
Avatar
DANIEL HOLLAND
  • MEMBER
  • 7 POSTS
I checked the relays and all make the clicking noise and have resistance of 76 on them all have power I pulled the heat AC fuse while the truck was turned on and replaced it to reset the AC heat control module and it still doing the same thing I will pull the blower motor connector tomorrow and see if that has anything to do with it I can hear The blower motor kick in on high-speed but it seems like it's on very low I cannot test my AC because of the flashing but I can hear my compressor kick in and out every five seconds
Apr 30, 2021 at 12:37 PM (Merged)
Avatar
STRAILER
  • CERTIFIED EXPERT
  • 53,854 POSTS
Disconnect the compressor as well to see if the system starts working.
Apr 30, 2021 at 12:37 PM (Merged)
Avatar
DANIEL HOLLAND
  • MEMBER
  • 7 POSTS
Ok I unplugged ac and blower motor and still same thing. the blinking it can't be the control unit cause I have 2 of them and they both blink not sure what the deal is this on is gonna be for the vintage Record books once we figure this out
Apr 30, 2021 at 12:37 PM (Merged)
Avatar
STRAILER
  • CERTIFIED EXPERT
  • 53,854 POSTS
Yep this is a good one for sure lol. Can you check the black wire to the controller to make sure it is grounded?
Apr 30, 2021 at 12:37 PM (Merged)