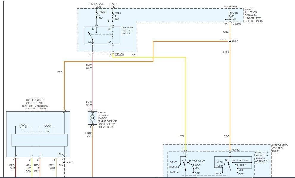
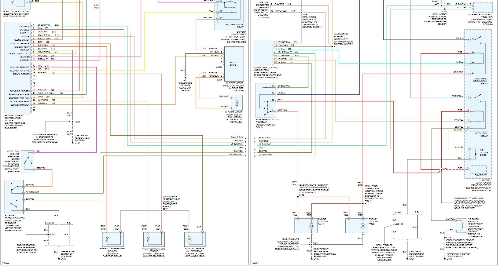
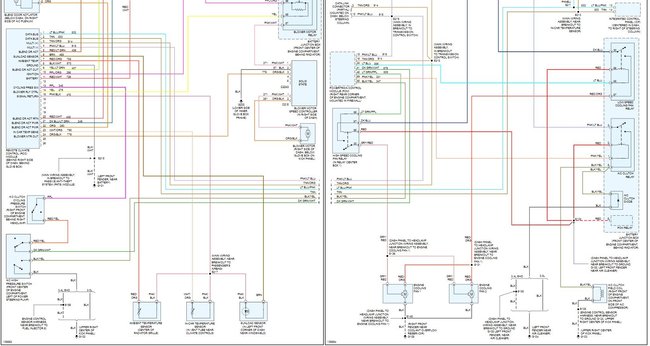
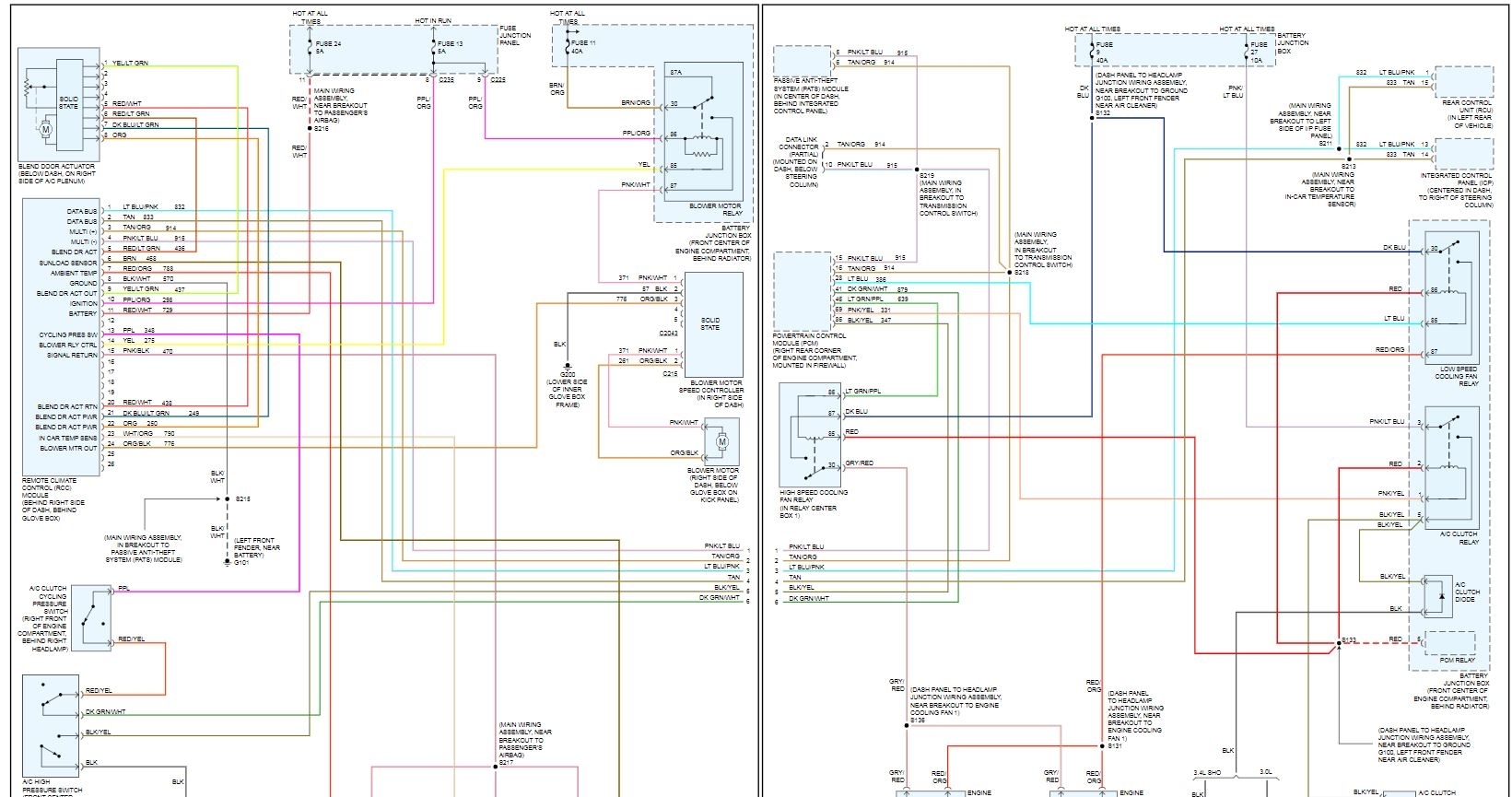
I recently had to evacuate the A/C system to disconnect the low pressure hose from the accumulator/drier to the compressor to gain access for another repair. I then replaced the o-rings and reinstalled the hose into the drier. I pulled a vacuum, checked for leaks and charged in by weight 33 oz. of refrigerant. I have a system devised where I can "force" charge the refrigerant into the system rather than having the system "suck" it in. Static system pressure with a cold engine was approximately ambient temperature (65 psi). I then started the vehicle and turned on the A/C. The compressor did not engage. I checked the low pressure switch located on the accumulator, it was closed and had 12V coming to it. I then checked high pressure switch located on the compressor discharge line. I have 12V on two of the 4 pins of the connector..
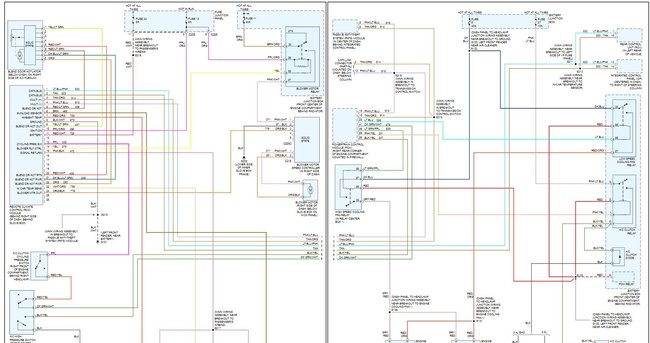
That is where I am confused. What I need is a wiring diagram for this vehicle of the A/C system from the a/c relay to the compressor. I do not know which of the pins should be made up for the compressor to engage. I suspect my problem is either the switch or the connector. Once before it had this problem and I removed, cleaned and wiggled the connector and it engaged but not this time. I had no problems with engagement immediately before this evacuation.
Also another related question, if it turns out to be the switch, can I change it without evacuating the system? I know on some of the switches this is possible.
Thank you in advance for your assistance with this problem.
That is where I am confused. What I need is a wiring diagram for this vehicle of the A/C system from the a/c relay to the compressor. I do not know which of the pins should be made up for the compressor to engage. I suspect my problem is either the switch or the connector. Once before it had this problem and I removed, cleaned and wiggled the connector and it engaged but not this time. I had no problems with engagement immediately before this evacuation.
Also another related question, if it turns out to be the switch, can I change it without evacuating the system? I know on some of the switches this is possible.
Thank you in advance for your assistance with this problem.
Feb 12, 2020 at 9:10 PM














