Where is the compressor cut-off switch located?
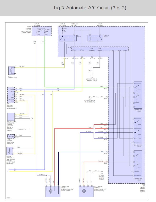
A/C compressor clutch does not engage after engine warms up.
A/C compressor clutch does not engage after engine warms up.
Apr 5, 2018 at 9:31 AM



