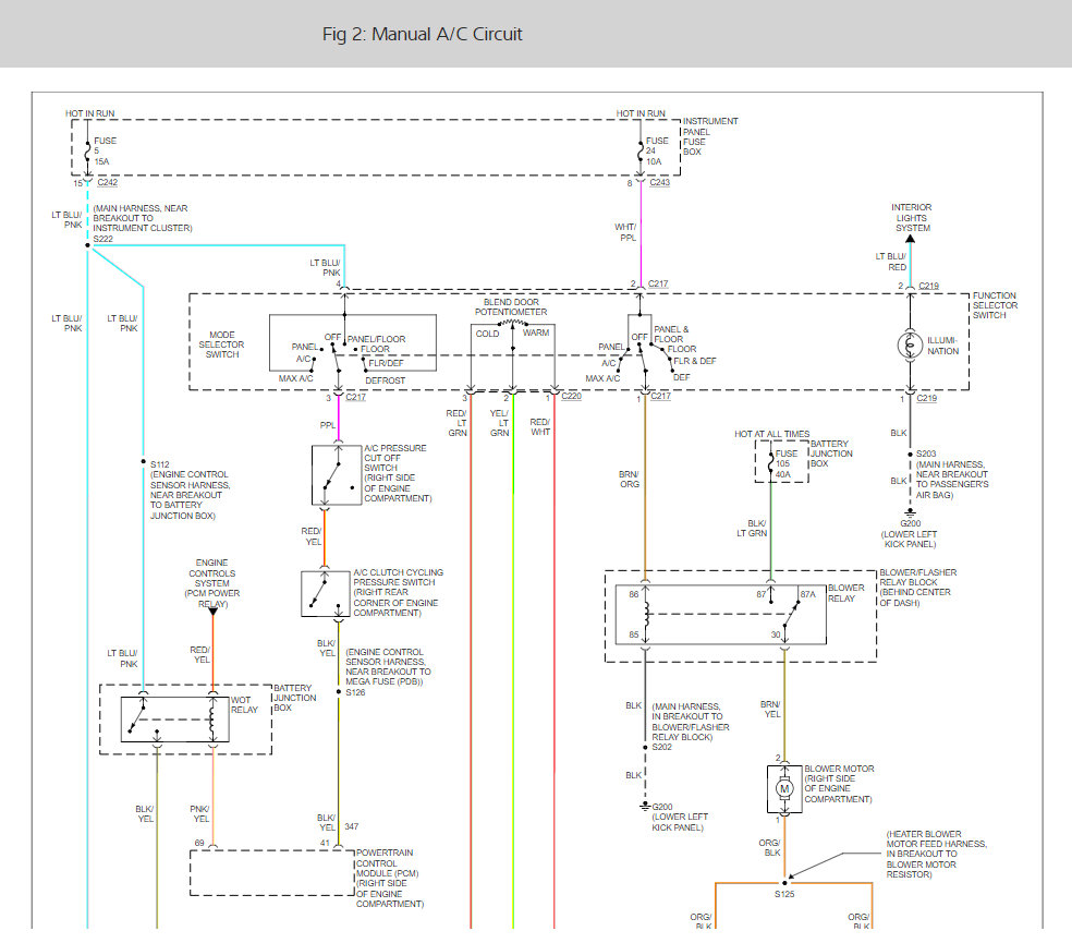
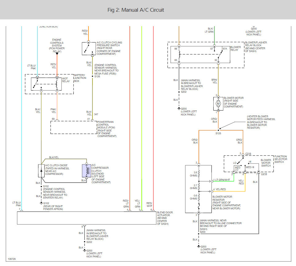
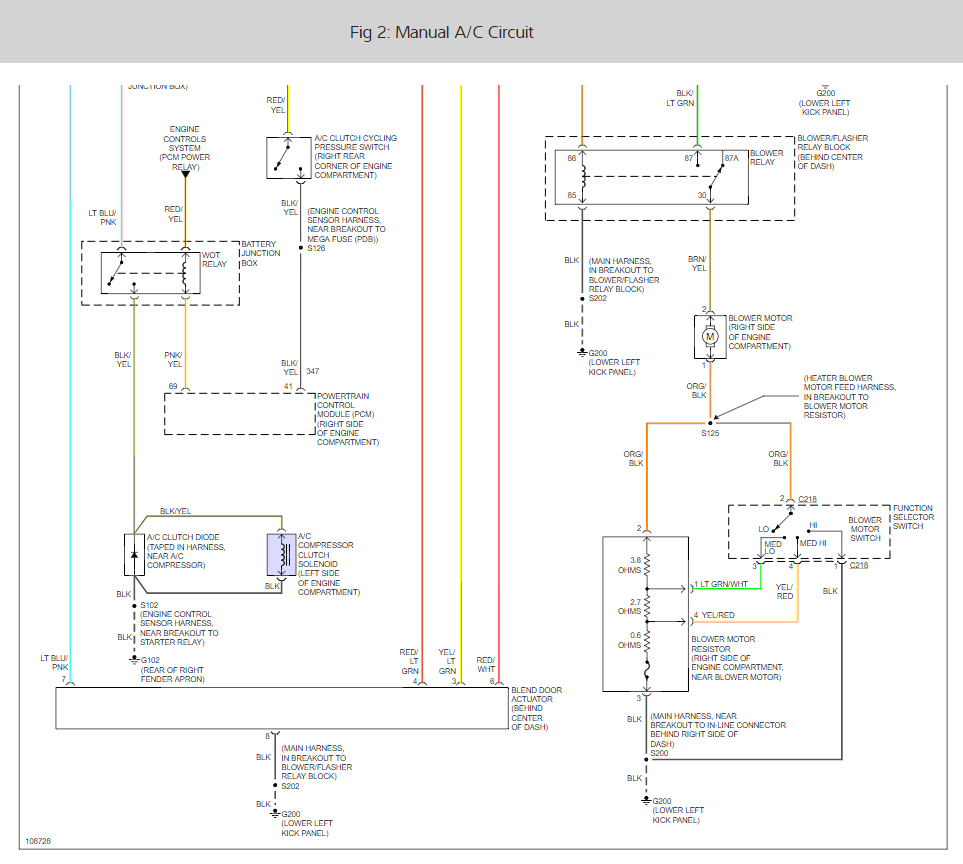
I want to wire the clutch to the correct wires. the present wires are cut off and I do not know where the wires are located that I need to reconnect the compressor.
Sep 27, 2017 at 3:33 PM

