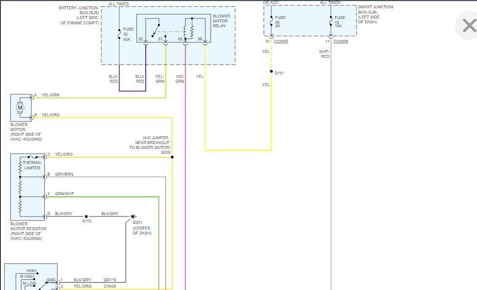
All of a sudden my A/C clutch will not engage. Low side pressure reads about 37-38 PSI. Fuses and relays are good. Clutch engages if I take the relay out and jump it there. High side pressure switch is good. I'm not sure what else could be the issue or what to check next.
Mar 29, 2021 at 12:33 PM











