Hi,
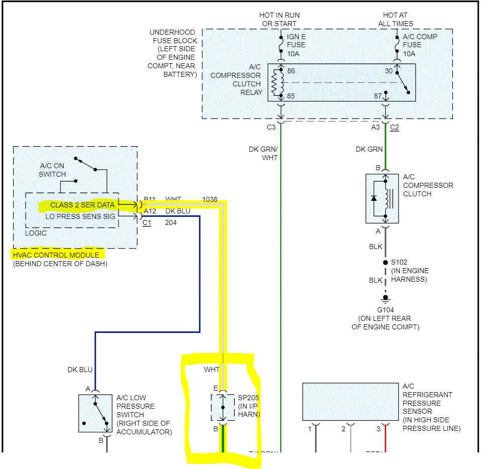
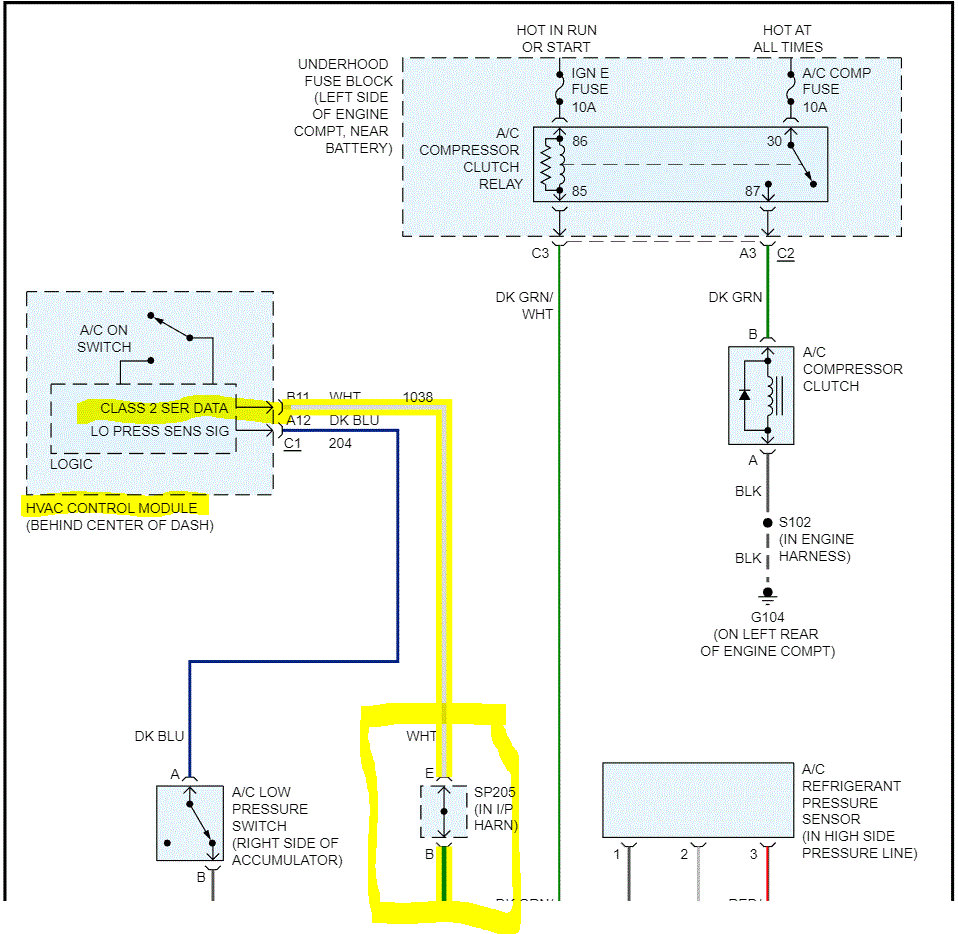
The VIN changes a couple of things. To answer your question about the switch, no, the PCM provides the ground. The HVAC control module sends a class 2 serial data message to the powertrain control module (PCM) for A/C compressor engagement. The PCM will provide a ground for the A/C compressor relay enabling it to close its internal contacts to send battery voltage to the A/C compressor clutch.
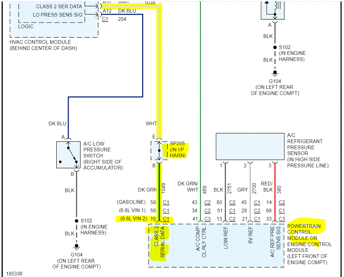
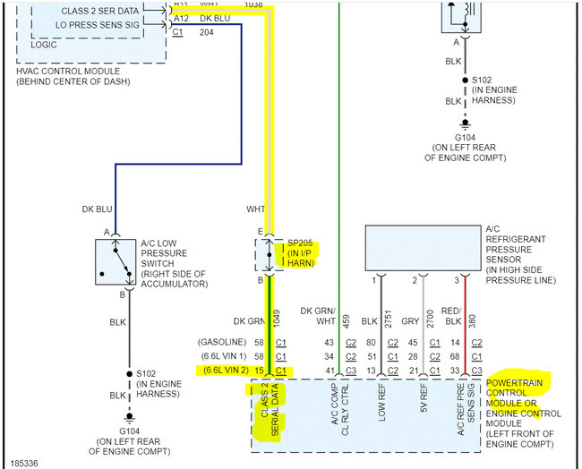
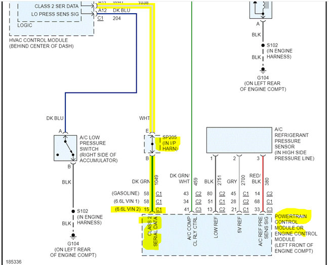
On your vehicle, the ground path at the PCM is provided by connector 3, pin 41. The serial data wire is white from the controller and changes to dark green at the PCM. This is in connector 1, pin 15.
Remember, the ground is provided by the PCM when it receives a signal via the serial data link that A/C is requested.
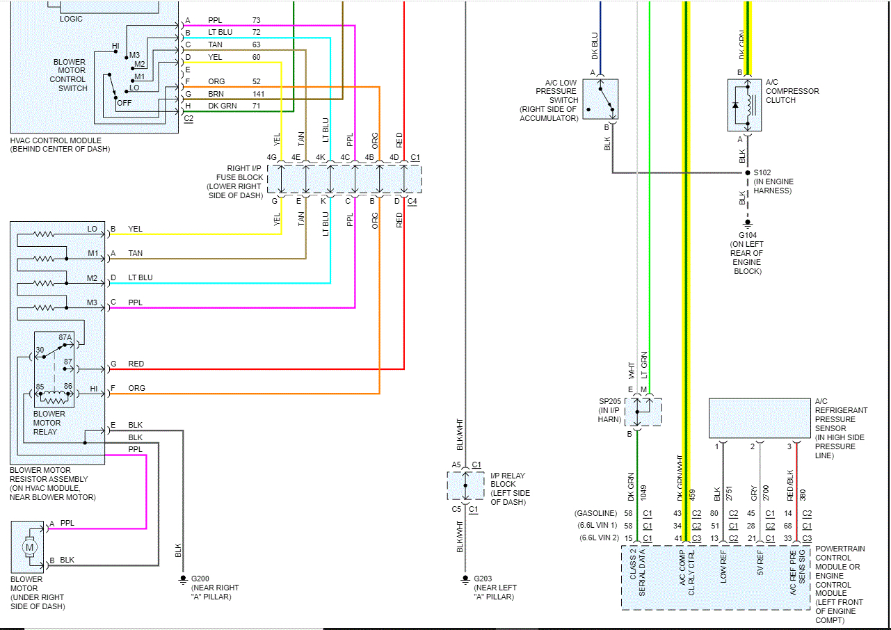
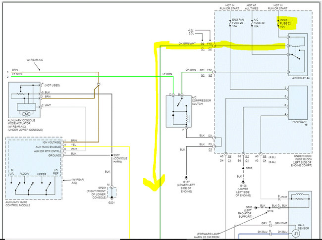
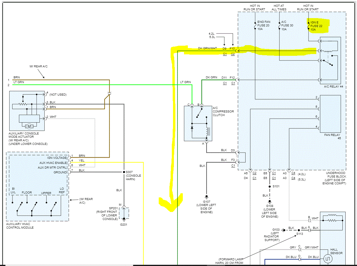
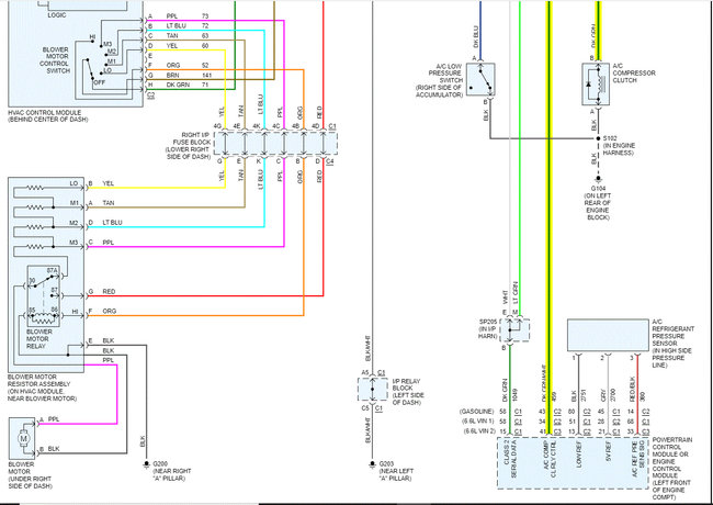
If you look below, I attached the entire HVAC wiring schematic. It was two pages, so the first 4 pics below pertain to it.
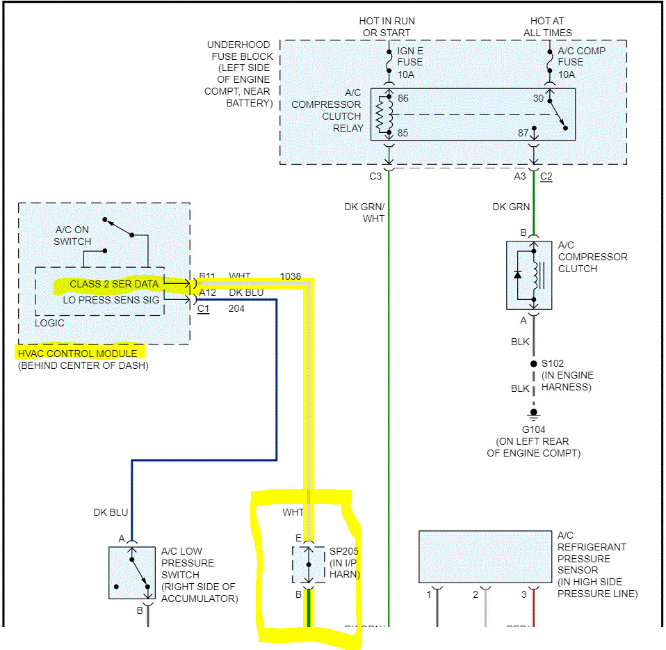
The last 2 pics are specific to the AC compressor circuit.
Let me know if this helps or if you have other questions.
Take care,
Joe
See pics below Note: There is a splice in the serial data line which changes the wire from white to dark green. If the splice has failed, that will prevent the PCM from providing a ground path to the compressor relay. I added the last pic late. It explains where the splice is located.
Images (Click to enlarge)
Jul 6, 2022 at 7:52 PM